Запчасти Case IH 1394 (5-178) - FRONT AXLE HALF-SHAFTS, MFD TRACTORS, P.I.N. 11503001 AND AFTER (05) - STEERING

Схема запчастей Case IH 1394 - (5-178) - FRONT AXLE HALF-SHAFTS, MFD TRACTORS, P.I.N. 11503001 AND AFTER (05) - STEERING
3
5
6
2
12
6
9
10
6
4
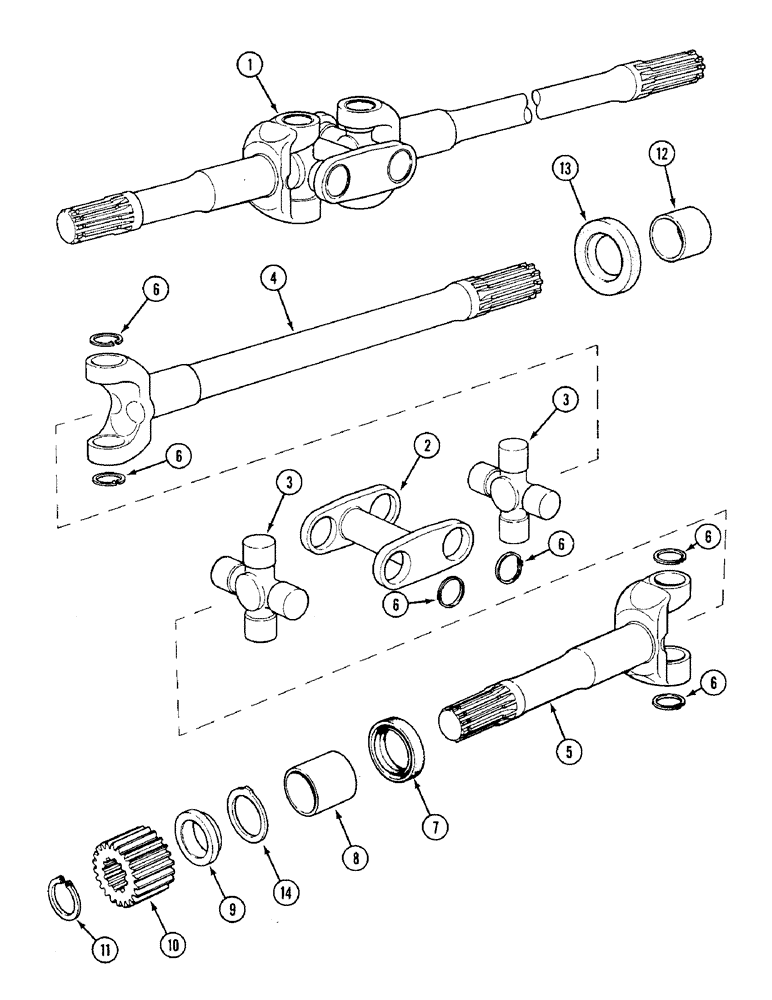
1
13
8
6
3
14
11
6
7
6
FIT
1:1
100%

Артикул

Название

Примечание

Количество

1

NSS

NOT SOLD SEPARAT

HALF-SHAFT ASSEMBLY - Order components, Includes: Ref. 2 - 6

2шт.

2

K262199

FORK

HOUSING - joint (Carraro 116153)

1шт.

3

K262161

U-JOINT SPIDER

UNIVERSAL JOINT - axle shaft

2шт.

4

K262198

SHAFT

HALF SHAFT - long (Carraro 40762)

1шт.

5

N13510

SHAFT

- short

1шт.

6

K965336

RING, SNAP

RING - snap (Carraro 40181)

8шт.

7

K262143

OIL SEAL,16mm W, 35mm ID x 52mm OD

- oil, stub axle (Carraro 116722)

2шт.

8

1967535C1

BUSHING

- stub axle

2шт.

9

K395121

SPACER

- half-shaft (Carraro 119975/1)

2шт.

10

K395114

GEAR

- sun (Carraro 115643)

2шт.

11

K261897

RING, SNAP

RING - snap (Carraro 115682)

2шт.

12

K395019

BUSHING

- axle housing (Carraro 118547)

2шт.

13

1966164C1

OIL SEAL,47mm ID x 62mm OD x 14mm Thk

SEAL - oil

2шт.

14

K395115

WASHER

- thrust (Carraro 120079)

2шт.

Выбрано товаров: 14