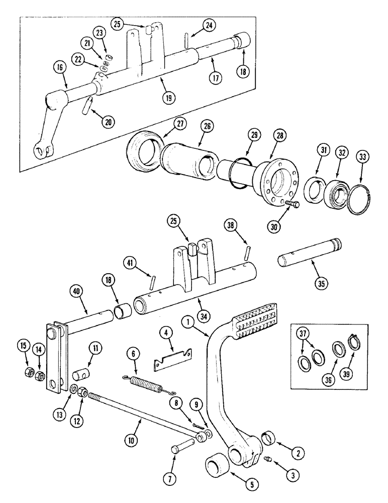
Запчасти Case IH 1394 (6-184) - INDEPENDENT CLUTCH RELEASE MECHANISM, TRACTORS WITHOUT CAB (06) - POWER TRAIN

Схема запчастей Case IH 1394 - (6-184) - INDEPENDENT CLUTCH RELEASE MECHANISM, TRACTORS WITHOUT CAB (06) - POWER TRAIN
32
10
16
7
2
38
13
28
5
3
41
26
8
31
9
25
18
22
36
12
18
27
15
33
34
29
23
17
14
21
11
39
4
35
6
25
24
37
20
40
30
1
19
FIT
1:1
100%

Артикул

Название

Примечание

Количество

1

K965876

CLUTCH

PEDAL ASSEMBLY - clutch, Includes: Ref. 2

1шт.

2

K947343

BUSHING

- pedal

1шт.

3

219-8

LUBE NIPPLE,1/4" - 28 NPTF

NIPPLE, LUBE, , straight, taper 1/4"-28 NPT x .54" lg

1шт.

4

K300300

SHIM

STOP - clutch pedal

1шт.

5

K627223

BUSHING

SPACER - pedal

1шт.

6

K624963

SPRING

- pedal return

1шт.

7

K625968

PIN

- 3/8 x 1-5/8 inch

1шт.

8

K19528

PIN

- cotter

1шт.

9

K19472

WASHER

- flat, 3/8 inch (10 mm)

1шт.

10

K200394

ROD

- pedal to stub shaft

1шт.

11

K14744

PIN

- cam lever, 3/4 x 1-1/2 inch

1шт.

12

K607521

NUT

- self-locking, 3/8 inch UNC (Replaces K607002)

1шт.

13

K205088

RUBBER

WASHER - rubber, 3/8 inch (10 mm)

1шт.

14

K607525

NUT

- adjusting, 3/8 inch UNC

1шт.

15

87016560

JAM NUT,Jam, 3/8"-16, G5

- self-locking, 3/8 inch UNC

1шт.

16

K200657

CLUTCH

LEVER - shaft, stub, left-hand (Prior to P.I.N. 11500001)

1шт.

17

K201283

SHAFT

- stub, right-hand (Prior to P.I.N. 11500001)

1шт.

18

K628753

BUSHING

- main frame

2шт.

19

K200323

CLUTCH

FORK - clutch, (Prior to P.I.N. 11500001)

1шт.

20

K609425

LARGE PIN

PIN - locking, 3/8 inch UNC (Prior to P.I.N. 11500001)

1шт.

21

493-41039

LOCK WASHER,Ext Tooth, 3/8"

WASHER, LOCK, , Shakeproof (Prior to P.I.N. 11500001) Ext Tooth, 3/8"

1шт.

22

K19472

WASHER

- 3/8 inch (10 mm) (Prior to P.I.N. 11500001)

1шт.

23

280136

NUT,3/8"-16, G8

(Prior to P.I.N. 11500001) 3/8"-16, G8

1шт.

24

K623726

PIN

- 1/4 x 1-1/2 inch (Prior to P.I.N. 11500001)

1шт.

25

K84748

TRUNNION

PIN - trunnion, clutch fork

2шт.

26

K928937

BEARING CARRIER,54.04mm ID x 76.2mm OD x 107.95mm L

CARRIER - release bearing, 5-7/8 inch

1шт.

27

K620153

THRUST BEARING,69.84mm ID x 103.17mm OD x 21.59mm W

BEARING - release

1шт.

28

K202075

SUPPORT

- bearing carrier (Synchromesh without creeper gear)

1шт.

28

K210107

SUPPORT

- bearing carrier (With creeper gear)

1шт.

29

238-5234

O-RING,0.139" Thk x 2.984" ID, -234, Cl 5, 75 Duro

1шт.

30

K602862

SCREW,5/16" - 18 x 1 1/4", Gr S

BOLT - 5/16 UNC x 1 inch

3шт.

31

K623483

OIL SEAL

- oil, 50 x 70 x 10 mm

1шт.

31

K623430

OIL SEAL

- oil, 45 x 65 x 8 mm, (Synchromesh with creeper gear)

1шт.

32

G10418

BEARING, BALL

BEARING - ball

1шт.

32

K19177

BALL BEARING,76.2mm ID x 114.3mm OD x 19.05mm W

BEARING - thrust, PTO clutch, 4-1/2 inch OD

1шт.

33

K12229

RING, SNAP

RING - snap, 75 mm

1шт.

34

K207254

CLUTCH

FORK - clutch, clutch (P.I.N. 11500001 and after)

1шт.

35

K210029

SHAFT

- stub, right-hand (P.I.N. 11500001 and after)

1шт.

38

135-765

GROOVED PIN,1/4" x 1 3/4", Type E

PIN - 5/64 x 3/4 inch (P.I.N. 11500001 and after)

1шт.

40

K207993

LEVER

SHAFT - stub, left-hand (P.I.N. 11500001 and after)

1шт.

41

K623768

GROOVED PIN,3/8" x 2", Type B

Pin, Grooved, (P.I.N. 11500001 and after) 3/8" x 2", Type B

1шт.

Выбрано товаров: 41