Запчасти Case IH 1394 (6-192) - GEARBOX HOUSING AND SELECTORS, SYNCHROMESH TRACTORS P.I.N. 11139846 AND AFTER (06) - POWER TRAIN

Схема запчастей Case IH 1394 - (6-192) - GEARBOX HOUSING AND SELECTORS, SYNCHROMESH TRACTORS P.I.N. 11139846 AND AFTER (06) - POWER TRAIN
33
25
16
6
4
26
1
13
7
24
10
17
21
20
32
11
30
29
28
9
23
3
22
2
18
5
15
27
19
21
25
14
34
8
25
12
31
FIT
1:1
100%

Артикул

Название

Примечание

Количество

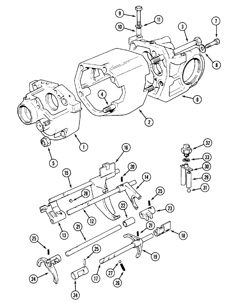
1

K949217

PLATE

- end, front

1шт.

2

K949893

BUSHING

SPACER - end plate

1шт.

3

K940990

STUD

BOLT - end plate, upper

2шт.

4

K940991

STUD

- end plate, lower

2шт.

5

K607331

NUT

- lock, 5/8 inch UNC

4шт.

6

K200516

PLATE

- end, rear (With bearing caps)

1шт.

7

K601242

BOLT

- 5/8 UNC x 3-3/4 inch

4шт.

8

K626389

BEARING WASHER

WASHER - tab, bolt

4шт.

9

K601306

BOLT

- 5/8 UNC x 2-1/2 inch, special

2шт.

10

K920656

BUSHING

BUSHING - plate bolt

2шт.

11

K626239

SHIM,.010" Thk

(0.254 mm) .010" Thk

1шт.

12

K951463

SELECTOR

ROD - selector, first and reverse gear

1шт.

13

K954125

SELECTOR

JAW - selector, first and reverse gear

1шт.

14

K942472

SELECTOR

FORK -elector, first and reverse gear

1шт.

15

K207164

SELECTOR

ROD - selector, second and third gear

1шт.

16

K206543

FORK

- selector, second and third gear

1шт.

17

K951466

SELECTOR

ROD - high-low range (Without creeper gear)

1шт.

17

K210105

SELECTOR

ROD - selector, high-low range (With creeper gear)

1шт.

18

K915498

SELECTOR

JAW - selector, high-low range

1шт.

19

K920725

SELECTOR

FORK - selector, high-low range

1шт.

20

K623887

PIN,5.21mm OD x 25.4mm L

- roll, 3/16 x 1 inch

6шт.

21

K951464

SELECTOR

ROD - selector, slow and normal gear (Without creeper gear)

1шт.

21

K210104

SELECTOR

ROD - selector, slow and normal gear (With creeper gear)

1шт.

22

K203653

BUSHING

SLEEVE - selector rod, slow and normal gear

1шт.

23

K950259

SELECTOR

JAW - selector, slow and normal gear

1шт.

24

K947610

SELECTOR

FORK - selector, slow and normal gear

1шт.

25

K623887

PIN,5.21mm OD x 25.4mm L

- roll, 3/16 x 1 inch

2шт.

26

K13507

SPRING

- gear detent

4шт.

27

211-1012

BALL,3/8" Dia

- 3/8 inch (10 mm) Steel

4шт.

28

K30430

LOCKING DEVICE

LOCK - gear

1шт.

29

K945208

PLUNGER

- lower

1шт.

30

K945204

PLUNGER

AND PLATE - selector

1шт.

31

211-1012

BALL,3/8" Dia

- 3/8 inch (10 mm)

2шт.

32

K262714

SWITCH

- safety, starter, See Figure 9-377

1шт.

33

K626895

SHIM,.002" Thk

(0.05 mm) .002" Thk

1шт.

33

K626858

SHIM,.005" Thk

(0.13 mm) .005" Thk

1шт.

33

K626894

SHIM,.010" Thk

(0.25 mm) .010" Thk

1шт.

34

K309673

GEAR

EXTENSION - selector rod (With creeper gear)

1шт.

Выбрано товаров: 38