Запчасти Case IH 1394 (6-194) - GEAR SHIFT LEVERS, SYNCHROMESH, TRACTORS WITHOUT CAB (06) - POWER TRAIN

Схема запчастей Case IH 1394 - (6-194) - GEAR SHIFT LEVERS, SYNCHROMESH, TRACTORS WITHOUT CAB (06) - POWER TRAIN
24
2
4
1
25
30
8
12
11
14
13
17
20
10
18
19
26
9
16
23
23
35
27
7
22
31
11
22
15
6
33
21
34
29
36
5
28
3
32
FIT
1:1
100%

Артикул

Название

Примечание

Количество

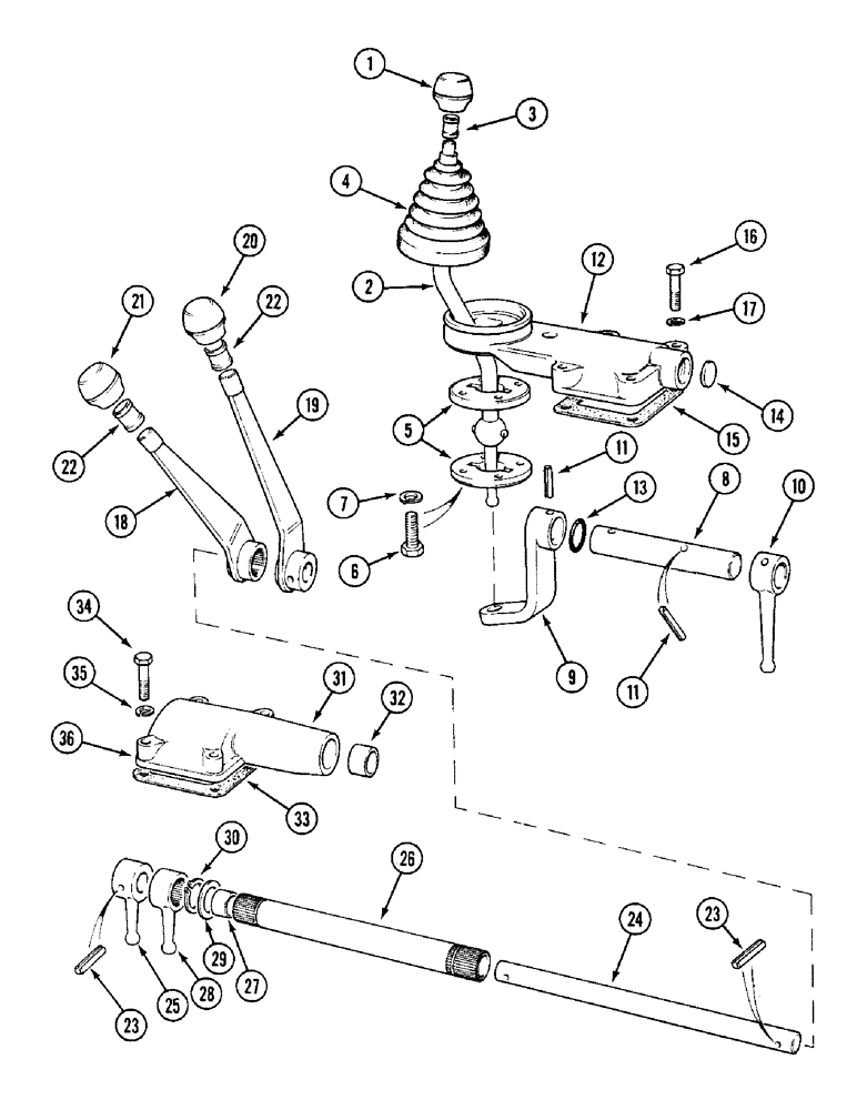
1

K207409

BUTTON

KNOB - gear lever

1шт.

2

K207779

SPEED CHANGE LEVER

LEVER - gea

1шт.

3

K628472

RING

- retaining, Serial Range: knob-lever

1шт.

4

K950494

RUBBER

COVER - gear lever

1шт.

5

K200162

SPACER

HOUSING - ball

2шт.

6

K966404

SCREW

BOLT - 1/4 UNC x 1-1/8 inch

4шт.

7

492-11025

LOCK WASHER,1/4"

WASHER, LOCK, 1/4"

4шт.

8

K200160

SHAFT

- selector

1шт.

9

K200161

LEVER

ARM - selector shaft

1шт.

10

K202078

SELECTOR

LEVER - selector

1шт.

11

617938R1

PIN,5/16" x 1 3/8", Coiled

2шт.

12

K200159

GEAR

HOUSING - selector shaft

1шт.

13

K623630

SEAL

- oil, 7/8 inch (22 mm) ID

1шт.

14

41-16

PLUG,Exp, 1"

- core, 1 inch (25 mm) Diameter

1шт.

15

K950543

GASKET,0.2mm Thk

- housing

1шт.

16

K600205

BOLT

- 5/16 UNC x 1-1/2 inch

4шт.

17

K19481

SPRING WASHER

WASHER - lock, 5/16 inch

4шт.

18

K200203

LEVER

- hand, high-low

1шт.

19

K200200

LEVER

- hand, slow-normal

1шт.

20

K207408

KNOB

- lever, slow-normal

1шт.

21

K206712

KNOB

- lever, high-low

1шт.

22

K628472

RING

- retaining

2шт.

23

38-31624

ROLL PIN,1/4" x 1 1/2", Coiled

PIN, ROLL, 1/4" x 1 1/2", Coiled

2шт.

24

K200198

SHAFT

- selector, slow-normal

1шт.

25

K206371

BRACKET

LEVER - selector, slow-normal

1шт.

26

K200199

SHAFT

TUBE - selector, high-low

1шт.

27

K621303

BUSHING

-, Serial Range: shaft-tube

2шт.

28

K206370

BRACKET

LEVER - selector, high-low

1шт.

29

K950002

BUSHING

WASHER - 1 inch (25 mm)

1шт.

30

K11128

CIRCLIP

RING - snap, 1 inch (25 mm) OD

1шт.

31

K950000

HOUSING

- gear change (Without creeper gear)

1шт.

31

K957509

LEVER

HOUSING - gear change (With creeper gear)

1шт.

32

K628750

BUSHING

- housing

1шт.

33

K950543

GASKET,0.2mm Thk

- housing

2шт.

34

K600215

BOLT

- 5/16 UNC x 2-3/4 inch

4шт.

35

K19481

SPRING WASHER

WASHER - lock, 5/16 inch

4шт.

36

K950597

BUSHING

SPACER - housing

1шт.

Выбрано товаров: 37