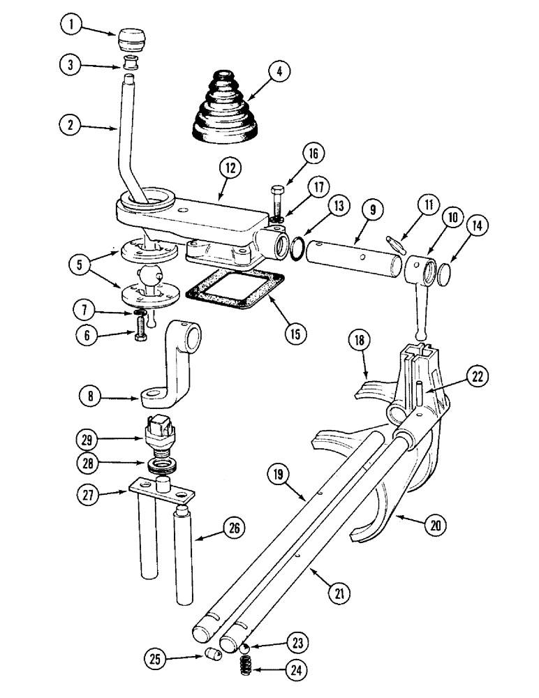
Запчасти Case IH 1394 (6-218) - RANGE SHIFT LEVER, POWER SHIFT, TRACTORS WITHOUT CAB (06) - POWER TRAIN

Схема запчастей Case IH 1394 - (6-218) - RANGE SHIFT LEVER, POWER SHIFT, TRACTORS WITHOUT CAB (06) - POWER TRAIN
29
16
21
11
1
8
15
2
9
28
3
23
12
27
10
17
25
14
13
5
6
26
191
18
22
7
20
4
24
FIT
1:1
100%

Артикул

Название

Примечание

Количество

1

K200553

KNOB

- lever

1шт.

2

K207779

SPEED CHANGE LEVER

LEVER - range

1шт.

3

K628472

RING

- retaining

1шт.

4

K950494

RUBBER

COVER - rubber

1шт.

5

K200162

SPACER

HOUSING - ball

2шт.

6

K966404

SCREW

BOLT - 1/4 unc x 1-1/8 inch

4шт.

7

492-11025

LOCK WASHER,1/4"

WASHER, LOCK, 1/4"

4шт.

8

K200161

LEVER

ARM - lever

1шт.

9

K200160

SHAFT

- selector

1шт.

10

K202079

SELECTOR

LEVER - selector

1шт.

11

617938R1

PIN,5/16" x 1 3/8", Coiled

- roll, 5/16 x 1-3/4 inch

2шт.

12

K200159

GEAR

HOUSING - lever

1шт.

13

K623630

SEAL

- oil, 7/8 inch (22 mm) ID

1шт.

14

41-16

PLUG,Exp, 1"

- core, 1 inch (25 mm) Diameter

1шт.

15

K950543

GASKET,0.2mm Thk

- housing to gearbox cover

1шт.

16

K600205

BOLT

- 5/16 UNC x 1-1/2 inch, housing to gearbox cover

4шт.

17

K19481

SPRING WASHER

WASHER - lock, 5/16 inch, housing to gearbox cover

4шт.

18

K917217

SELECTOR

FORK - selector, first and third range

1шт.

19

K917216

SELECTOR

ROD - selector, first and third range

1шт.

20

K917219

SELECTOR

FORK - selector, second and reverse range

1шт.

21

K917218

SELECTOR

ROD - selector, second and reverse range

1шт.

22

K623887

PIN,5.21mm OD x 25.4mm L

- 3/16 x 1 inch

2шт.

23

211-1012

BALL,3/8" Dia

- steel, 3/8 inch (10 mm)

4шт.

24

K13507

SPRING

- return

2шт.

25

K30430

LOCKING DEVICE

LOCK - gear

1шт.

26

K945208

PLUNGER

- lever arm

1шт.

27

K308068

PLUNGER

AND PLATE

1шт.

28

K626895

SHIM,.002" Thk

(0.05 mm) .002" Thk

1шт.

28

K626858

SHIM,.005" Thk

(0.13 mm) .005" Thk

1шт.

28

K626894

SHIM,.010" Thk

(0.25 mm) .010" Thk

1шт.

29

K262714

SWITCH

- safety, starter

1шт.

Выбрано товаров: 31