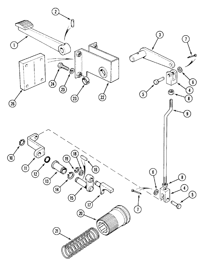
Запчасти Case IH 1394 (6-240) - DIFFERENTIAL LOCK AND CONTROLS, TRACTORS WITH CAB (06) - POWER TRAIN

Схема запчастей Case IH 1394 - (6-240) - DIFFERENTIAL LOCK AND CONTROLS, TRACTORS WITH CAB (06) - POWER TRAIN
24
5
12
17
7
26
18
15
11
8
1
9
7
5
25
21
10
19
16
13
6
6
2
20
23
8
4
22
14
3
4
FIT
1:1
100%

Артикул

Название

Примечание

Количество

1

K202528

PEDAL

- differential lock

1шт.

2

38-32022

PIN,5/16" x 1 3/8", Coiled

- 5/16 x 1-1/2 inch

1шт.

3

K202593

LEVER

-, Serial Range: pedal-rod

1шт.

4

K202301

FORK

- rod end

2шт.

5

K950269

PIN

- pivot, Order also K621562 Circlip

2шт.

6

K19472

WASHER

- 3/8 inch (10 mm)

2шт.

7

132-380

COTTER PIN,3/32" x 3/4"

Pin, Split (Cotter), 3/32" x 3/4"

2шт.

8

425-106

NUT,3/8"-16, Cl 5

2шт.

9

K202623

ROD

1шт.

10

K11797

RING, SNAP

RING - snap, shaft and arm

1шт.

11

K306740

LEVER

1шт.

12

238-6114

O-RING,0.103" Thk x 0.612" ID, -114, Cl 6, 90 Duro

1шт.

13

K903494

BUSHING

- axle housing

1шт.

14

K34454

RING, SNAP

RING - snap, bushing, 7/8 inch (22 mm) External

1шт.

15

K903197

SHAFT

AND ARM

1шт.

16

K622309

KEY

- 3/16 x 5/32 x 3/4 inch

1шт.

17

K903226

SELECTOR

FORK - selector

1шт.

18

K626674

WASHER

- special, 1/2 inch (13 mm)

1шт.

19

K11302

RING, SNAP

RING - snap, 1/2 inch (13 mm) External

1шт.

20

K903191

SLEEVE

- locking

1шт.

21

K625119

SPRING

- return

1шт.

22

K307051

BRACKET

- pedal support

1шт.

23

K628754

BUSHING

- bracket

2шт.

24

614-8020

BOLT,Hex, M8 x 1.25 x 20mm

- hex, full threads, 8 - 1.25 x 20 mm

4шт.

25

892-11008

LOCK WASHER,8mm ID

WASHER, LOCK, M8

4шт.

26

K307057

FOAM

SEAL -, Serial Range: bracket-cab

1шт.

Выбрано товаров: 26