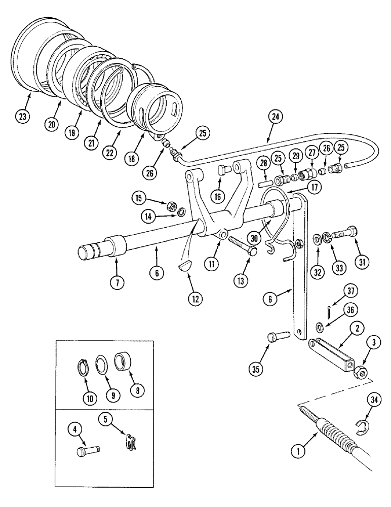
Запчасти Case IH 1394 (6-268) - PTO CLUTCH RELEASE MECHANISM, TRACTORS WITH CAB (06) - POWER TRAIN

Схема запчастей Case IH 1394 - (6-268) - PTO CLUTCH RELEASE MECHANISM, TRACTORS WITH CAB (06) - POWER TRAIN
21
37
26
28
8
35
9
19
36
15
22
3
6
20
26
30
27
34
6
18
11
4
31
25
33
24
16
5
10
7
13
29
25
12
32
25
23
1
2
14
17
FIT
1:1
100%

Артикул

Название

Примечание

Количество

1

K310598

CABLE

- inner and outer, 2105 mm

1шт.

2

K310584

FORK

- cable end (Replaces K659018)

1шт.

3

825-13412

NUT,M12 x 1.25, Cl 8

- M6

2шт.

4

K658613

PIN

- clevis (Early tractors)

1шт.

5

K659105

CLIP

- spring (Early tractors)

1шт.

6

K206500

SHAFT

CROSS SHAFT AND ARM

1шт.

7

K206499

BUSHING

SPACER

2шт.

8

K627472

WASHER

- 1 inch (P.I.N. 11490001 and after)

1шт.

9

K626749

WASHER

- Belleville, 1 inch (Prior to P.I.N. 11501086)

1шт.

10

K11128

CIRCLIP

RING - snap, 1 inch (25 MM) OD (Prior to P.I.N. 11501086)

1шт.

11

K928940

FORK

- PTO clutch

1шт.

12

126-22

WOODRUFF KEY,#13, 3/16" x 1"

(No. 608) #13, 3/16" x 1"

2шт.

13

K600406

BOLT

- 3/8 UNC x 1-3/4 inch

1шт.

14

492-11038

LOCK WASHER,3/8"

1шт.

15

280136

NUT,3/8"-16, G8

1шт.

16

K84748

TRUNNION

PIN - trunnion

2шт.

17

K307501

SPRING

- cross shaft return

1шт.

18

K928939

CARRIER

- release bearing

1шт.

19

K19177

BALL BEARING,76.2mm ID x 114.3mm OD x 19.05mm W

BEARING - release

1шт.

20

K928741

RETAINER,76.33mm ID x 111.13mm OD x 0.79mm Thk

SHIELD - front

1шт.

21

K928742

RETAINER

SHIELD - rear

1шт.

22

K12777

RING, SNAP

RING - retaining, 4-1/2 inch (115 mm) internal

1шт.

23

K928938

SLEEVE,104.78mm ID x 139.7mm OD x 55.56mm L

- thrust

1шт.

24

K926410

TUBE,0.122" ID x 0.187" OD

- plastic

1шт.

25

K617956

NUT

- tube, 3/8 inch UNF

3шт.

26

K622407

FERRULE

SLEEVE - 1/4 inch

2шт.

27

K626045

FITTING

CONNECTOR - 3/8 inch UNF

1шт.

28

K926411

TUBE,0.187" OD x 2.625" L

- main frame

1шт.

29

222-651

SLEEVE,3/16" Tube, Comp

1шт.

30

K628753

BUSHING

- main frame

3шт.

31

K650629

SCREW

BOLT - M6 x 25 mm

1шт.

32

895-11006

WASHER,6.6mm ID x 12mm OD x 1.6mm Thk

1шт.

33

892-11006

LOCK WASHER,M6

WASHER, LOCK, M6

1шт.

34

K621595

RING, SNAP

RING - snap, cable to fuel tank support, snap

1шт.

35

K625941

PIN

- clevis (Later Tractors)

1шт.

36

895-11008

WASHER,9mm ID x 16mm OD x 1.6mm Thk

- flat, 9 x 17 x 1.6 mm (Later Tractors)

1шт.

37

K652196

PIN

- cotter (Later Tractors)

1шт.

Выбрано товаров: 37