Запчасти Case IH 1394 (6-278) - POWER TAKE-OFF, MULTI-SPEED, NOT NORTH AMERICA (06) - POWER TRAIN

Схема запчастей Case IH 1394 - (6-278) - POWER TAKE-OFF, MULTI-SPEED, NOT NORTH AMERICA (06) - POWER TRAIN
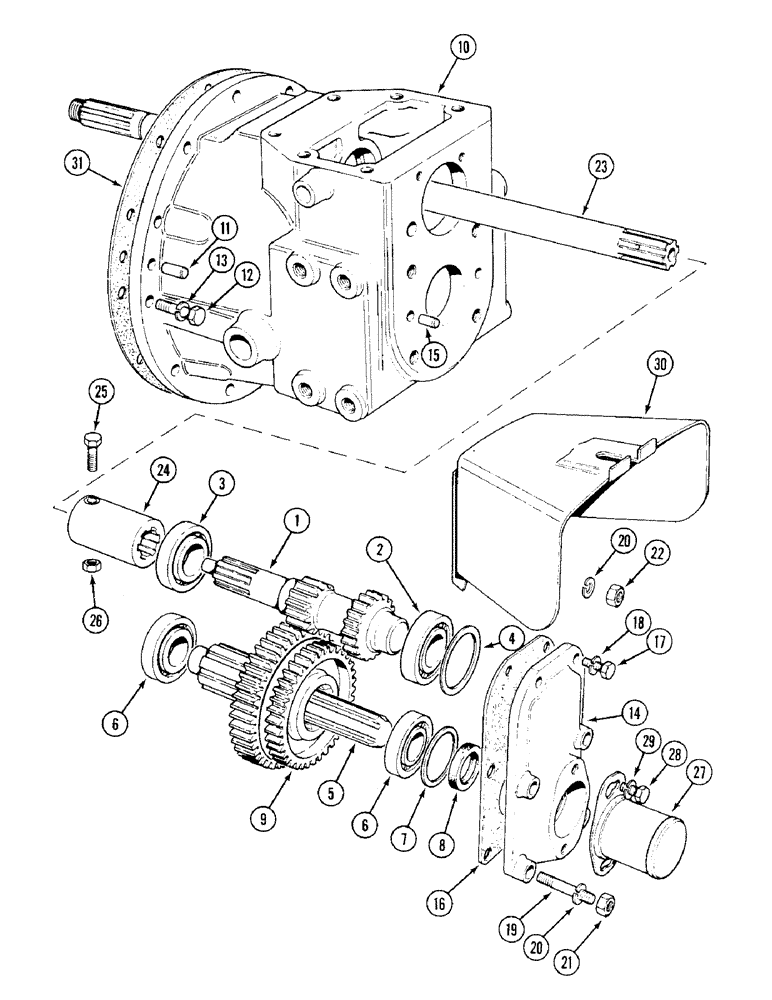
25
30
27
26
31
29
7
18
23
3
28
21
14
2
9
1
10
12
5
24
4
13
11
19
8
20
20
22
15
6
6
17
16
FIT
1:1
100%

Артикул

Название

Примечание

Количество

1

K202433

SHAFT

- drive, multi-speed PTO

1шт.

2

K690766

TAPERED BEARING

BEARING - roller, tapered

1шт.

3

REF

INSTRUCTION

BEARING - roller, tapered (N/ America order 1-G57451 and 1-G57452)

1шт.

4

K626976

SHIM,.003" Thk

(0.08 mm) .003" Thk

1шт.

4

K626977

SHIM,.005" Thk

(0.13 mm) .005" Thk

1шт.

4

K626978

SHIM,.007" Thk

(0.18 mm) .007" Thk

1шт.

4

K626979

SHIM,.010" Thk

(0.25 mm) .010" Thk

1шт.

4

K626980

SHIM

- 0.028 inch (0.71 mm)

1шт.

5

K915562

SHAFT

- driven

1шт.

6

REF

INSTRUCTION

BEARING - roller, tapered (N/America order 1-G57451 and 1-G57452)

2шт.

7

K915557

SHIM,53.98mm ID x 64.29mm OD x 0.05mm Thk

(.002") 0.05mm Thk

1шт.

7

K915558

SHIM,53.98mm ID x 64.29mm OD x 0.08mm Thk

(0.003") 0.076mm Thk

1шт.

7

K915559

SHIM,53.98mm ID x 64.29mm OD x 0.13mm Thk

(0.005") 0.127mm Thk

1шт.

7

K915560

SHIM

- 0.010 inch (0.25 mm)

1шт.

7

K915561

SHIM

- 0.028 inch (0.71 mm)

1шт.

8

K15177

OIL SEAL

- oil

1шт.

9

K202434

GEAR

- 38:45 teeth

1шт.

10

K948930

CASE

HOUSING - PTO

1шт.

11

K61412

PIN

DOWEL - PTO to axle case, 7/16 x 1-1/4 inch (11 x 32 mm)

1шт.

12

K603006

SCREW

BOLT - 7/16 UNC x 1-3/8 inch

12шт.

13

492-11044

LOCK WASHER,7/16"

WASHER, LOCK, 7/16"

12шт.

14

K915595

COVER

- end

1шт.

15

K25360

PIN

- 1/4 x 9/16 inch

2шт.

16

K924217

GASKET

- end cover

1шт.

17

9635884

BOLT,Hex, 5/16" - 18 1", Full Thd, Gr 5

2шт.

18

K19481

SPRING WASHER

WASHER - lock, 5/16 inch

2шт.

19

K608311

STUD

- 7/16 UNC x 2-5/16 inch

4шт.

20

492-11044

LOCK WASHER,7/16"

WASHER, LOCK, 7/16"

4шт.

21

280717

NUT,7/16"-14, G5

4шт.

22

280717

NUT,7/16"-14, G5

4шт.

23

K915583

PTO

SHAFT - cardan

1шт.

24

K89181

COUPLING, BREAK AWAY

COUPLING - shaft

1шт.

25

13-430?

BOLT - 1/4 UNC x 1-7/8 inch

1шт.

26

K607440

NUT

- 1/4 inch UNC

1шт.

27

K909111

COVER

- PTO shaft

1шт.

28

K602840

SCREW

BOLT - 5/16 UNC x 1/2 inch

2шт.

29

K626682

WASHER

- lever pin, 5/16 inch (8 mm)

2шт.

30

K906893

GUARD

- PTO

1шт.

31

K205398

GASKET

- plate to rear axle housing and PTO unit

1шт.

Выбрано товаров: 39