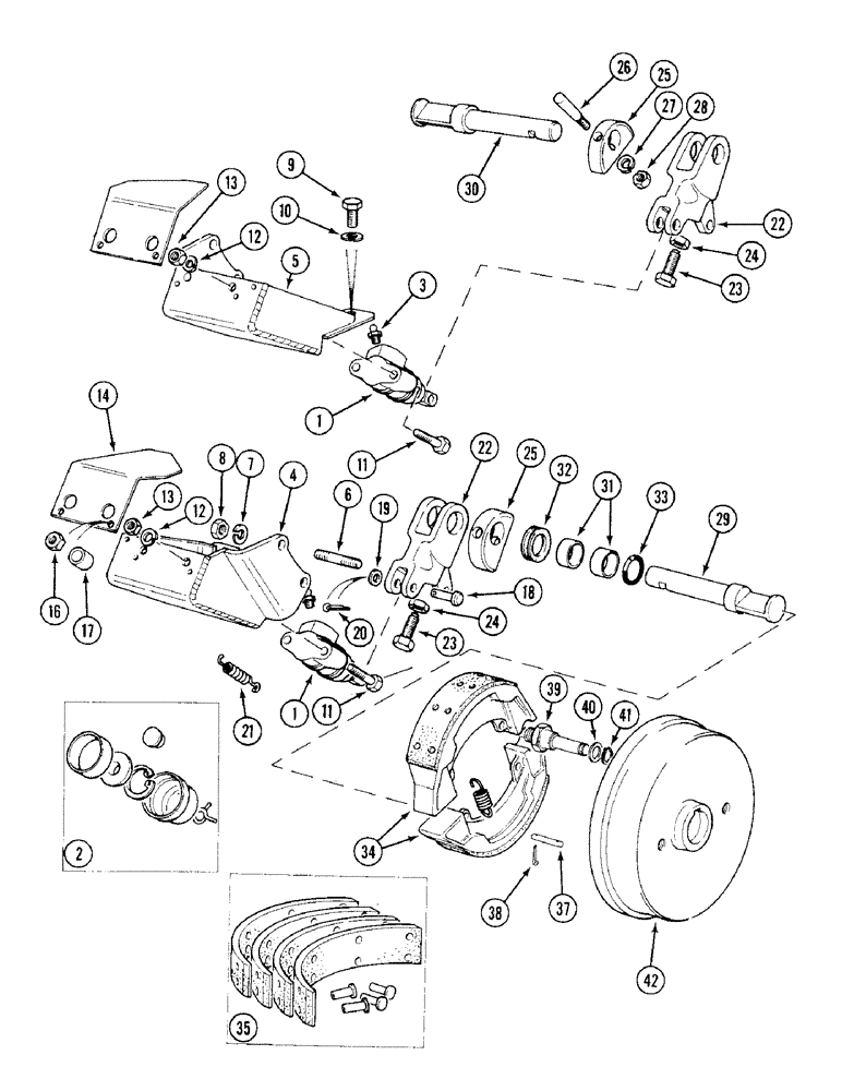
Запчасти Case IH 1394 (7-290) - SLAVE CYLINDERS AND BRAKE SHOES, TRACTORS WITH CAB (07) - BRAKES

Схема запчастей Case IH 1394 - (7-290) - SLAVE CYLINDERS AND BRAKE SHOES, TRACTORS WITH CAB (07) - BRAKES
23
22
13
2
17
32
14
40
6
25
27
41
16
9
20
8
12
12
25
7
39
4
1
11
30
34
38
24
1
26
31
5
37
13
29
11
33
21
24
3
42
35
23
19
18
10
28
22
FIT
1:1
100%

Артикул

Название

Примечание

Количество

1

K203416

BRAKE

CYLINDER - slave, Includes: Ref. 2 & 3

2шт.

2

K965723

SEAL KIT

SEAL KIT - mineral oil seals

1шт.

3

K964534

SCREW,M12 x 1

- air removal

1шт.

4

K300228

BRACKET

- left-hand cylinder

1шт.

5

K300233

MOUNTING PARTS

BRACKET - right-hand cylinder

1шт.

6

K608413

STUD

- 1/2 UNC x 2-1/2 inch

4шт.

7

K19484

LOCK WASHER

WASHER - lock, 1/2 inch

4шт.

8

K607004

NUT

- hex, 1/2 inch UNC

4шт.

9

413-614

BOLT,Hex, 3/8" - 16 x 7/8", Gr 5

2шт.

10

492-11038

LOCK WASHER,3/8"

2шт.

11

K602853

SCREW

BOLT - 5/16 UNC x 2-1/4 inch

4шт.

12

K19481

SPRING WASHER

WASHER - lock, 5/16 inch

4шт.

13

425-105

NUT,5/16"-18, G5

- hex, 5/16 inch NC

4шт.

14

K308502

GUARD

SHIELD - left-hand brake cylinder

1шт.

15

K308503

GUARD

SHIELD - right-hand brake cylinder

1шт.

16

425-105

NUT,5/16"-18, G5

- hex, 5/16 inch NC

4шт.

17

K304489

BUSHING

SPACER - shield

4шт.

18

K625955

PIN

- clevis, 5/16 x 1-13/16 inch

2шт.

19

K626682

WASHER

- lever pin, 5/16 inch (8 mm)

2шт.

20

K11934

PIN

- split, 1/16 x 1/2 inch

2шт.

21

K624946

SPRING

- cam lever return

2шт.

22

K948977

LEVER

- cam

2шт.

23

K951528

SCREW

BOLT - adjusting, 5/8 inch UNC

2шт.

24

425-1010

NUT,5/8"-11, G5

2шт.

25

K948979

ADJUSTER

CAM - adjuster

2шт.

26

K609425

LARGE PIN

PIN - locking, 3/8 inch UNC (Prior to P.I.N. 11490001)

2шт.

27

492-11038

LOCK WASHER,3/8"

2шт.

28

280136

NUT,3/8"-16, G8

2шт.

29

K200171

BRAKE

CAMSHAFT - brake, left-hand

1шт.

30

K200172

BRAKE

CAMSHAFT - brake, right-hand

1шт.

31

K621406

BUSHING

- axle housing

4шт.

32

K204285

SEAL

- dirt

2шт.

33

238-5216

O-RING,0.139" Thk x 1.109" ID, -216, Cl 5, 75 Duro

2шт.

34

K920442

SHOE

ASSEMBLY -brake (with lining)

4шт.

35

K262705

KIT

LINING KIT - brake (4) with rivets

1шт.

36

K624930

SPRING

- brake shoes

4шт.

37

K920446

PIN

- spring anchor

8шт.

38

K11933

PIN

- cotter, 1/8 x 5/8 inch

16шт.

39

K954710

PIN

- shoe anchor

2шт.

40

K19497

WASHER

- 7/8 inch (22 mm)

4шт.

41

K34454

RING, SNAP

RING - snap, 7/8 inch (22 mm) external

2шт.

42

K921829

BRAKE DRUM

DRUM - brake

2шт.

Выбрано товаров: 42