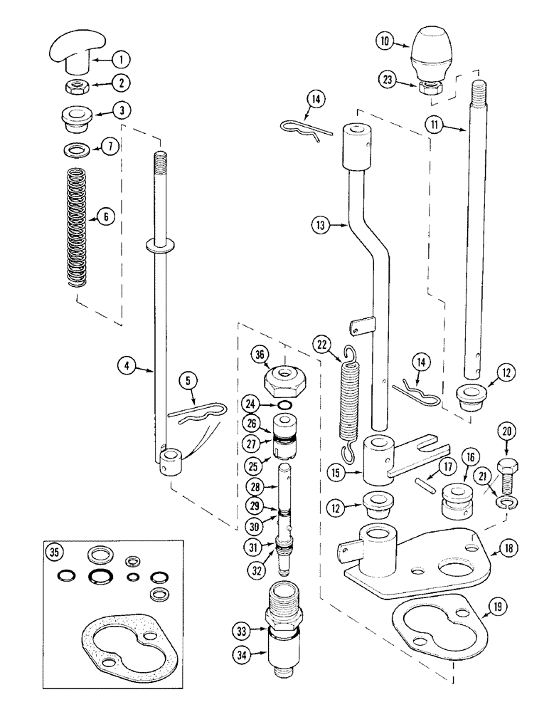
Запчасти Case IH 1394 (8-324) - DUMP VALVE, TRACTORS WITHOUT CAB (08) - HYDRAULICS

Схема запчастей Case IH 1394 - (8-324) - DUMP VALVE, TRACTORS WITHOUT CAB (08) - HYDRAULICS
27
24
22
28
31
7
21
13
33
26
10
19
4
12
1
15
29
11
6
16
25
12
36
18
32
30
2
34
14
23
17
35
20
5
14
3
FIT
1:1
100%

Артикул

Название

Примечание

Количество

1

K955948

KNOB

- dump control

1шт.

2

280136

NUT,3/8"-16, G8

1шт.

3

K659210

BUSHING

- plastic

1шт.

4

K307358

ROD

- control

1шт.

5

K624874

SPRING

CLIP - spring, 3/4 inch

1шт.

6

K625259

SPRING

- return

1шт.

7

K651779

WASHER

- 10 mm

1шт.

10

K950493

KNOB

- selector lever, tractors with cab

1шт.

11

K306824

ROD

- upper, tractors with cab

1шт.

12

K659210

BUSHING

- plastic, tractors with cab

2шт.

13

K307179

ROD

- lower, tractors with cab

1шт.

14

K624874

SPRING

CLIP - spring, tractors with cab

2шт.

15

K306834

LEVER

- lower rod, tractors with cab

1шт.

16

K306830

SPOOL

COLLAR - valve spindlele, tractors with cab

1шт.

17

38-1812

LOCK PIN,1/8" x 3/4", Slotted

Pin, , tractors with cab 1/8" x 3/4", Slotted

1шт.

18

K306837

COVER

PLATE - cover, rear axle, tractors with cab

1шт.

19

K929464

GASKET

- cover plate, tractors with cab

1шт.

Part of Dump Valve Seals Kit, not serviced separately

1шт.

20

K602803

BOLT

- 5/16 UNC x 3/4 inch, tractors with cab

2шт.

21

K19481

SPRING WASHER

WASHER - lock, 5/16 inch, tractors with cab

2шт.

22

K624914

SPRING

- control rod, tractors with cab

1шт.

23

87016560

JAM NUT,Jam, 3/8"-16, G5

- self-locking, 3/8 inch UNC, tractors with cab

1шт.

K205087

VALVE

DUMP VALVE ASSEMBLY, all tractors

1шт.

36

K918983

NUT

- 1 inch UNF, all tractors

1шт.

24

K24554

O-RING

RING - sealing, 1/2 inch (13 mm) diameter, all tractors

1шт.

Part of Dump Valve Seals Kit, not serviced separately

1шт.

25

K205085

BUSHING

- special, all tractors

1шт.

26

K628913

RING

- back-up, 3/4 inch (19 mm) OD, all tractors

1шт.

Part of Dump Valve Seals Kit, not serviced separately

1шт.

27

K625405

O-RING,0.549" ID x 0.103" Width

- 9/16 inch (14 mm) ID, all tractors

1шт.

Part of Dump Valve Seals Kit, not serviced separately

1шт.

28

K260383

PLUNGER

all tractors

1шт.

29

K628060

RING,Split, 6.35mm ID x 9.53mm OD x 1.47mm Thk

- back-up, 3/8 inch (6 mm) OD (2 used with cab), all tractors

1шт.

Part of Dump Valve Seals Kit, not serviced separately

1шт.

30

K625400

O-RING,0.07" Thk x 0.239" ID

- 1/4 inch (6 mm) ID (2 used with cab), all tractors

1шт.

Part of Dump Valve Seals Kit, not serviced separately

1шт.

31

K625404

O-RING,0.362" ID x 0.103" Width

- 3/8 inch (10 mm) ID, all tractors

1шт.

Part of Dump Valve Seals Kit, not serviced separately

1шт.

32

K948806

RING

- back-up, 9/16 inch (14 mm) OD, all tractors

1шт.

Part of Dump Valve Seals Kit, not serviced separately

1шт.

33

238-5210

O-RING,0.139" Thk x 0.734" ID, -210, Cl 5, 75 Duro

all tractors -210, 70 Duro, .734" ID x .139" Thk

1шт.

Part of Dump Valve Seals Kit, not serviced separately

1шт.

34

K205087

VALVE

DUMP VALVE ASSEMBLY - valve, all tractors

1шт.

35

NSS

NOT SOLD SEPARAT

KIT - seals, dump valve, Includes: ref. nos. 19, 24, 26, 27, 29, 30, 31, 32, 33 and 35, See also page 8-323), all tractors

1шт.

Part of Dump Valve Seals Kit, not serviced separately

1шт.

36

K918983

NUT

- 1 inch UNF, 1 inch UNF, special, all tractors

1шт.

Выбрано товаров: 46