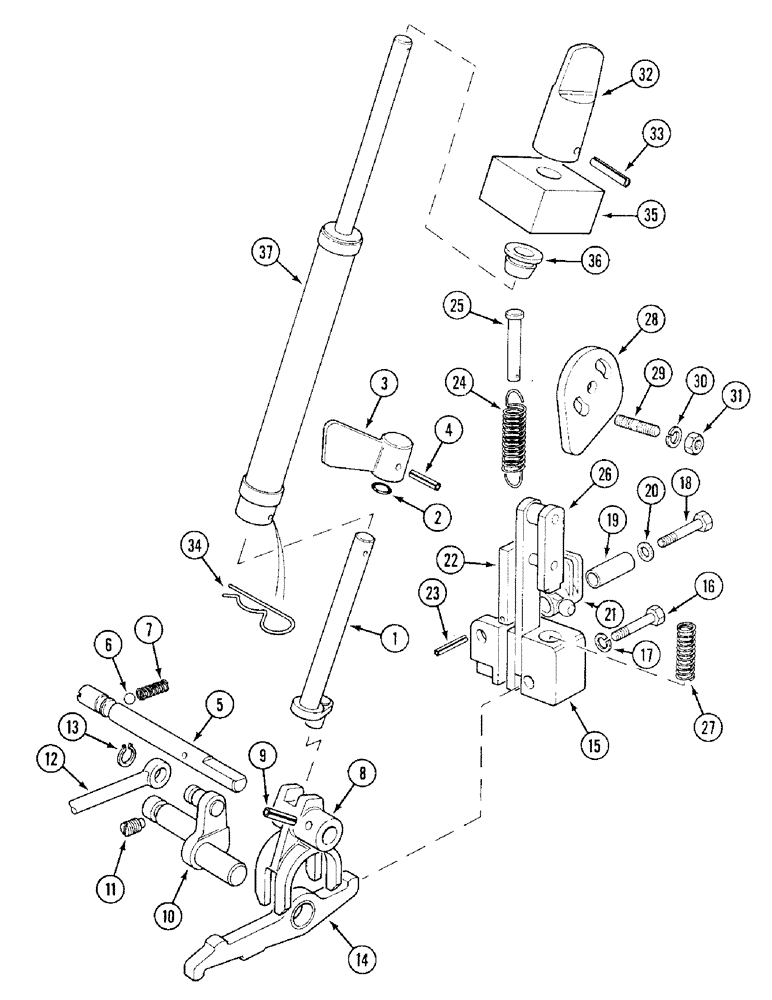
Запчасти Case IH 1394 (8-326) - SELECTOR CONTROL MECHANISM (08) - HYDRAULICS

Схема запчастей Case IH 1394 - (8-326) - SELECTOR CONTROL MECHANISM (08) - HYDRAULICS
25
15
18
17
37
1
6
33
31
22
24
30
4
36
21
9
23
14
20
29
7
26
5
2
12
35
27
10
19
11
13
3
32
16
28
8
34
FIT
1:1
100%

Артикул

Название

Примечание

Количество

1

K919362

CONTROL LEVER

ROD - selector

1шт.

2

K24554

O-RING

RING - 1/2 inch (13 mm) diameter

1шт.

3

K947405

KNOB

POINTER - selector (Without cab)

1шт.

4

K623936

PIN, ROLL

PIN - roll, 1/8 x 3/4 inch

1шт.

5

K913160

SELECTOR

SHAFT - selector

1шт.

6

211-1008

BALL,1/4" Dia

- 1/4 inch (6 mm) Steel

1шт.

7

K24563

SPRING

- return

1шт.

8

K942417

SELECTOR

FORK - selector

1шт.

9

438-11214

LOCK PIN,4.76mm OD x 22.23mm L, Slotted

Pin, 3/16" x 7/8", Slotted

1шт.

10

K913119

ROCKER LEVER

SHAFT - rocker

1шт.

11

K602750

SCREW

- retaining, slotted

1шт.

12

K909585

ROD

- connecting

1шт.

13

K621562

RING, SNAP

RING - snap, 3/8 inch (10 mm) external

1шт.

14

K200678

ROCKER LEVER

LEVER - rocker

1шт.

15

K916362

GUIDE

BRACKET - guide

1шт.

16

K600206

BOLT

- 5/16 UNC x 1-5/8 inch

1шт.

17

K19481

SPRING WASHER

WASHER - lock, 5/16 inch

1шт.

18

13-530

BOLT,Hex, 5/16" - 18 x 1-7/8", Gr 5

- hex, 5/16 NC x 1-7/8 inch

1шт.

19

K627019

BUSHING

- actuator

1шт.

20

K626682

WASHER

- lever pin, 5/16 inch (8 mm)

1шт.

21

K915033

LEVER

- actuating

1шт.

22

K912971

ROD

- push, draft control

1шт.

23

138-38

LOCK PIN,3/32" x 9/16", Slotted

PIN - roll, 3/32 x 5/8 inch, roll

1шт.

24

K624922

SPRING

- return

1шт.

25

K913776

SPRING

ANCHOR - spring

1шт.

26

K921723

ROD

- push, height control

1шт.

27

K625196

SPRING

- pressure

1шт.

28

K916587

CAM

- push rod

1шт.

29

K608001

STUD

- 1/4 UNC x 1-1/16 inch

2шт.

30

K626662

WASHER

- 1/4 inch (6 mm)

2шт.

31

231-1444

NUT,1/4"-20, GB

NUT, LOCK, 1/4"-20, GB

2шт.

32

K306344

KNOB

- select control (With cab)

1шт.

33

138-1816

LOCK PIN,1/8" x 1", Slotted, Stainless

Pin, 1/8" x 1, Slotted, Stainless, knob to spindle

1шт.

34

K624874

SPRING

CLIP - spring, 3/4 inch, spring

1шт.

35

K306578

SEAL

- console (With cab)

1шт.

36

K659210

BUSHING

- plastic (with cab)

1шт.

37

K307183

DRIVE

- flexible (With cab)

1шт.

Выбрано товаров: 37