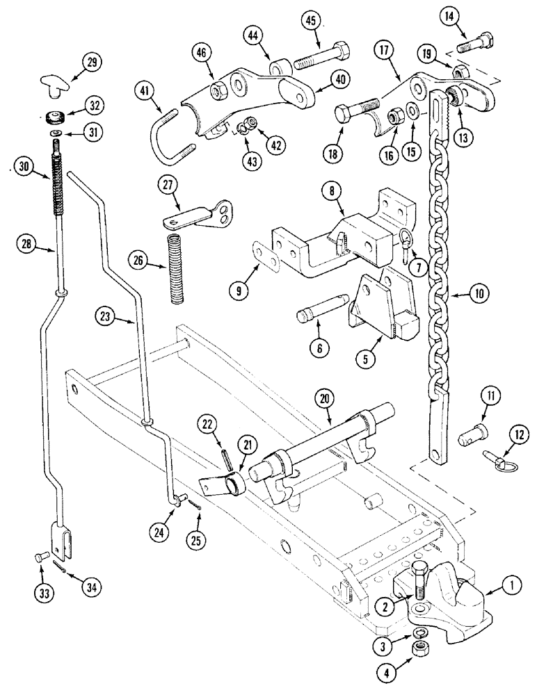
Запчасти Case IH 1394 (9-392) - PICK-UP HITCH FOR UNIVERSAL DRAWBAR, NOT NORTH AMERICA (09) - CHASSIS/ATTACHMENTS

Схема запчастей Case IH 1394 - (9-392) - PICK-UP HITCH FOR UNIVERSAL DRAWBAR, NOT NORTH AMERICA (09) - CHASSIS/ATTACHMENTS
19
31
33
15
21
29
45
43
44
34
41
26
3
4
22
8
27
18
32
5
10
2
12
20
28
16
24
46
23
11
7
42
1
40
9
17
30
6
25
13
14
FIT
1:1
100%

Артикул

Название

Примечание

Количество

UK4628

HITCH ASSY

HITCH ATTACHMENT - pick-up (With cab), Includes: Ref. 1 - 32

1шт.

UK4623

HITCH ASSY

HITCH ATTACHMENT - pick-up (Without cab), Includes: Ref. 1 - 32

1шт.

1

K940590

HOOK

- towing

1шт.

2

K601208

BOLT

- 5/8 UNC x 2-1/2 inch

2шт.

3

492-11062

BEARING WASHER,5/8"

WASHER, LOCK, 5/8"

2шт.

4

K607006

NUT

- hex, 5/8 inch NC

2шт.

5

K947179

STOP

- towing hook

1шт.

6

K919725

PIN,19.05mm OD x 111.13mm L

- link

1шт.

7

K210316

LINCH PIN

PIN ASSEMBLY - linch (Replaces K66408)

1шт.

8

K947176

PLATE

- bridge

1шт.

9

K947200

SHIM

- 1/16 inch (2 mm)

1шт.

9

K947201

SHIM

- 1/32 inch (1 mm)

1шт.

10

K947183

CHAIN (AG)

CHAIN - lift

2шт.

11

K909503

PIN

- link

2шт.

12

1328218C1

LINCH PIN,11mm OD

(Replaces K920359)

2шт.

13

K942611

WASHER

- serrated, 5/8 inch

2шт.

14

K942612

PIN

- pivot, 5/8 inch UNC

2шт.

15

K19475

WASHER

- 5/8 inch (16 mm)

2шт.

16

K607331

NUT

- self-locking, 5/8 inch UNC

2шт.

17

K953068

ARM

- lift

2шт.

18

K601462

BOLT

- 3/4 UNC x 3 inch

2шт.

19

425-1012

NUT,3/4"-10, G5

- hex, 3/4 inch NC, 3/4 inch UNC

2шт.

20

K955547

LATCH

- hitch

1шт.

21

K955550

LEVER

- pivot

1шт.

22

K623902

PIN

- roll, 3/8 x 1-3/4 inch

1шт.

23

K203570

ROD

- latch release (Without cab)

1шт.

24

K19472

WASHER

- flat, 3/8 inch (10 mm)

1шт.

25

K19535

PIN

- cotter 1/8 x 3/4 inch

1шт.

26

K625051

SPRING

- return (Without cab)

1шт.

27

K302081

GUIDE

BRACKET - guide, release rod (Without cab)

1шт.

28

K203446

ROD

- latch release (With cab)

1шт.

29

K955948

KNOB

- dump control (With cab)

1шт.

30

K625251

SPRING

- release rod (With cab)

1шт.

31

K626684

WASHER

- special (with cab)

1шт.

32

K627729

GROMMET

- 7/8 inch, cab floor

1шт.

33

K955947

PIN

- clevis (With cab)

1шт.

34

K19528

PIN

- cotter (With cab)

1шт.

40

K203597

ARM

LIFT ARM - right hand (Use with support cylinder)

1шт.

41

K205268

BOLT

U-BOLT - 1/2 inch UNC

1шт.

42

425-108

NUT,1/2" - 13, Gr 5

NUT, , Hex 1/2"-13, G5

2шт.

43

K19484

LOCK WASHER

WASHER - lock, 1/2 inch

2шт.

44

K203599

BUSHING

SPACER -

1шт.

45

K609136

BOLT

- 3/4 UNC x 1/2 inch (Grade V)

1шт.

46

K607086

NUT

- 3/4 inch UNC

1шт.

Выбрано товаров: 44