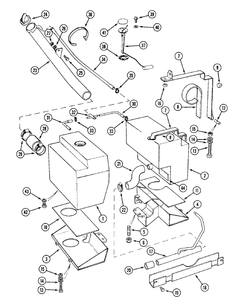
Запчасти Case IH 1394 (3-44) - FUEL TANKS, TRACTORS WITH CAB, PRIOR TO P.I.N. 11505819 (03) - FUEL SYSTEM

Схема запчастей Case IH 1394 - (3-44) - FUEL TANKS, TRACTORS WITH CAB, PRIOR TO P.I.N. 11505819 (03) - FUEL SYSTEM
11
43
35
33
27
16
10
29
37
14
13
8
15
13
28
6
9
1
40
2
20
17
34
14
24
44
19
4
23
22
15
25
5
12
41
30
18
8
21
7
31
32
26
7
38
42
39
36
33
3
FIT
1:1
100%

Артикул

Название

Примечание

Количество

1

K207876

TANK

- fuel, right-hand (Not vegetable special)

1шт.

1

K210408

TANK

- fuel, right-hand (Vegetable special)

1шт.

2

K207883

FUEL TANK

TANK - fuel, right-hand

1шт.

3

K307954

BRACKET

- tank support, left-hand

1шт.

4

K307955

BRACKET

- tank support, right-hand

1шт.

5

K608610

STUD

- 5/8 UNC x 2-1/2 inch

4шт.

6

K607306

NUT

- self-locking, 5/8 inch UNC

4шт.

7

K308696

STRAP

- fuel tank (Synchromesh) (Replaces K306434)

4шт.

7

K308711

STRAP

- fuel tank (Power shift) (Replaces K308059)

3шт.

7

K308709

STRAP

- fuel tank, RH front (Power shift) (Replaces K308062)

1шт.

8

K302680

ADHESIVE

STRIP - tank strap, 40 x 1.5 mm (Order in meters)

1шт.

9

K304542

RUBBER

PAD - rubber, tank strap

4шт.

10

K202713

MAT

PAD - rubber, left tank

1шт.

11

K202714

MAT

PAD - rubber, right tank

1шт.

12

K951539

TRUNNION

PIN - tank strap, 1/4 inch UNC

4шт.

13

113-75

BOLT,Hex, 1/4" - 20 x 3", Gr 5, Full Thd

- hex, full threads, 1/4 NC x 3 inch

4шт.

14

K626662

WASHER

- 1/4 inch (6 mm)

4шт.

15

231-1444

NUT,1/4"-20, GB

NUT, LOCK, 1/4"-20, GB

4шт.

16

K202903

BUSHING

SPACER - tank strap (Synchromesh)

4шт.

17

K308214

PIPE

TUBE - tank balance

1шт.

18

K308506

GUARD

- balance tube

1шт.

19

413-58

BOLT,Hex, 5/16" - 18 x 1/2", Gr 5

- hex, 5/16 NC x 1/2 inch

2шт.

20

K304000

HOSE,34.00 mm ID, 35.00 mm ID x 100.00 mm, SAE J14 Class SB

- Balance tube to LH tank 34.00 mm ID, 35.00 mm ID x 100.00 mm, SAE J14 Class SB

1шт.

21

K307956

TUBE

HOSE - balance tube to right-hand tank

1шт.

22

214-1424

HOSE CLAMP,#24, 1.06" - 2", Type F Worm

CLAMP, HOSE, , Adjustable #24, 1.06/2.00 Type F Worm

4шт.

23

K207874

FITTING

TUBE - filler

1шт.

24

K304590

CAP

- fuel filler

1шт.

25

K602849

SCREW

- 5/16 UNC x 7/8 inch

1шт.

26

K19481

SPRING WASHER

WASHER - lock, 5/16 inch

1шт.

27

425-105

NUT,5/16"-18, G5

- hex, 5/16 inch NC

1шт.

28

K206936

FUEL HOSE,2.25" ID x 3.50"

Filler Tube

1шт.

29

214-1444

HOSE CLAMP,58.6mm - 82.5mm

CLAMP, HOSE, , Adj. #44, 2.31/3.25 Type F Worm

2шт.

30

K311791

TUBE,5.3 mm ID x 8 mm OD x 830 mm L

PIPE - breather, right (Replaces K308427)

1шт.

31

K311790

FITTING

PIPE - breather, left (Replaces K308426)

1шт.

32

K311717

FITTING

- tee, breather tube

1шт.

33

K656901

CLIP

CLAMP - breather tube

4шт.

34

K308428

BREATHER,540 mm L

TUBE - filler breather

1шт.

35

K656905

CLIP

CLAMP - breather tube

2шт.

36

L18337

CABLE TIE,9.95"-12.1" lg

STRAP - tie, 15 inch, nylon

1шт.

37

K262724

TRANSMITTER

TANK UNIT - fuel gauge (Replaces K301062)

1шт.

38

K946159

GASKET

- tank unit

1шт.

39

K614965

SCREW

- No. 10 UNF x 5/8 inch

5шт.

40

K627479

WASHER

- sealing, 3/16 inch

5шт.

41

K304807

COVER

PLUG - tank unit, tank unit

1шт.

42

K19591

PLUG

- 1/8 BSP

2шт.

43

K19504

WASHER,9.92mm ID x 14.29mm OD x 2mm Thk

- sealing, 3/8 inch (10 mm)

2шт.

44

K957393

PACKING

PAD - rubber, 5 x 1-3/4 x 1/8 inch, Serial Range: tank-frame

2шт.

Выбрано товаров: 47