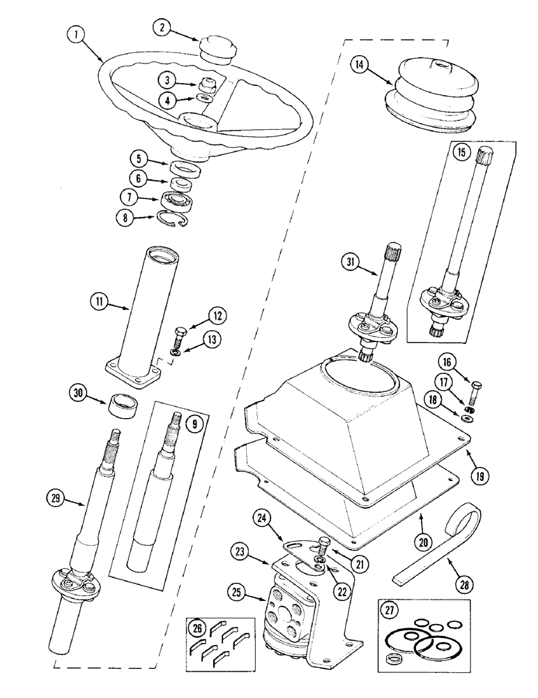
Запчасти Case IH 1394 (5-120) - STEERING COLUMN AND VALVE, POWER STEERING, TRACTORS WITH CAB (05) - STEERING

Схема запчастей Case IH 1394 - (5-120) - STEERING COLUMN AND VALVE, POWER STEERING, TRACTORS WITH CAB (05) - STEERING
30
1
11
25
29
24
21
7
27
15
5
12
4
9
2
13
18
8
26
3
23
16
6
14
31
22
28
17
20
19
FIT
1:1
100%

Артикул

Название

Примечание

Количество

1

K949446

HANDWHEEL

WHEEL - steering

1шт.

2

K262737

CAP

- hub, wheel, Order also K691285

1шт.

3

231-1448

NUT,1/2"-13, GB

- hex, self-locking, 1/2 inch NC

1шт.

4

K626686

WASHER

- flat, 1/2 inch (13 mm)

1шт.

5

K623479

WASHER

- felt, 1/2 inch (13 mm) ID

1шт.

6

K627103

BUSHING

SPACER - bearing

1шт.

7

465004R91

BEARING ASSY,0.6693" ID x 1.5748" OD x 0.4724"

- disc

1шт.

8

K11911

RING, SNAP

RING - snap, 1-5/8 inch (41 mm) internal

2шт.

9

K307289

SHAFT

- steering wheel

1шт.

11

K307276

FLANGE

COLUMN - steering

1шт.

12

513-2704

BOLT

- hex,, M10 x 20 mm

4шт.

13

892-11010

LOCK WASHER,M10

4шт.

14

K307333

BELLOWS

COVER - coupling, coupling

1шт.

15

REF

INSTRUCTION

SEAL - pack (Included with 1500443C91)

1шт.

16

K650814

BOLT

- M6 x 30 mm

4шт.

17

892-11006

LOCK WASHER,M6

WASHER, LOCK, M6

4шт.

18

K651903

WASHER

- special, 6 mm

3шт.

19

K307856

COVER

- insulating

1шт.

20

K307661

COVER

- steering valve

1шт.

21

413-614

BOLT,Hex, 3/8" - 16 x 7/8", Gr 5

6шт.

22

492-11038

LOCK WASHER,3/8"

6шт.

23

K307411

SUPPORT

BRACKET - steering, valve

1шт.

24

K307274

WASHER

PLATE - retaining

1шт.

25

K207419

VALVE

ASSEMBLY - steering, Orbitol OSPC-125, Includes: Ref. 26 & 27 and o-ring

1шт.

1272795C1

O-RING,39.6mm ID x 41mm OD x 4.5mm

O-RING - sleeve, , Not illustrated

1шт.

26

1272809C1

PACKAGE

KIT - spring, set of four

1шт.

27

1500443C91

SEAL KIT

KIT - service, seals, steering valve

1шт.

28

K777030

FOAM

STRIP - sealing, 8 x 15 mm

1шт.

29

K310453

SHAFT

COUPLING AND SPINDLGE - upper (P.I.N. 11504410 and after)

1шт.

30

K655460

BUSHING

- column (P.I.N. 11504410 and after)

1шт.

31

K310451

COUPLING, BREAK AWAY

COUPLING AND SPINDLE - lower (P.I.N. 11504410 and after)

1шт.

Выбрано товаров: 31