Запчасти Case IH 1490 (K02-1) - HYDRAULIC PUMP (07) - HYDRAULICS

Схема запчастей Case IH 1490 - (K02-1) - HYDRAULIC PUMP (07) - HYDRAULICS
28
29
7
32
26
2
6
2
5
9
2
15
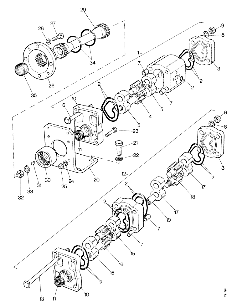
1
3
24
8
2
15
13
7
11
21
18
19
12
17
10
20
30
7
10
22
4
3
7
5
9
11
35
27
2
34
17
33
25
2
16
31
23
2
8
FIT
1:1
100%

Артикул

Название

Примечание

Количество

K200916

PUMP

SINGLE PUMP ASSEMBLY - Dowty, not North America, Includes Ref. 1

1шт.

K260308

GASKET KIT

KIT - seals for pump K200916

1шт.

1

K949605

PUMP

SINGLE PUMP ASSEMBLY - Plessey, not North America, Includes Ref. 2 - 11

1шт.

2

K964831

SEAL

KIT - seals, single pump, Includes: Ref. 11

2шт.

2

K964831

SEAL

KIT - seals

2шт.

3

K962112

COVER

- front

1шт.

4

K964838

ROTOR

S - set of two

1шт.

5

K964840

BEARING

2шт.

6

K964839

BOLT

- 3/8 UNF special

4шт.

7

K964920

PIN

RING DOWEL

4шт.

7

K964920

PIN

RING DOWEL - front pump

4шт.

7

K964920

PIN

RING DOWEL - rear pump

4шт.

8

K19482

SPRING WASHER

WASHER - lock, 3/8"

4шт.

8

K19482

SPRING WASHER

WASHER - lock, 3/8"

4шт.

9

K964837

NUT

- 3/8 UNF

4шт.

9

K616982

NUT

- 3/8 UNF

4шт.

10

K962100

PLATE

FLANGE

1шт.

11

K962106

OIL SEAL,16.13mm ID x 28.83mm OD x 7.92mm Thk

1шт.

12

K916535

PUMP

TANDEM PUMP ASSEMBLY - Plessey, Includes Ref. 2 - 19

1шт.

For a Dowty pump is K954263.

1шт.

K916535R

REMAN-HYD PUMP

1490 (1/79-12/83)

1шт.

K916535C

CORE-HYDRAULIC PUMP

Return Number

1шт.

13

K962111

BOLT

- 3/8 UNF

4шт.

15

K962116

BEARING ASSY

BEARING - rear pump

2шт.

16

K962109

GEAR

ROTORS - set of two, rear pump

1шт.

17

K962089

BEARING

- front pump

2шт.

18

K962105

GEAR

ROTORS - set of two - front pump

1шт.

19

K962107

COUPLING, BREAK AWAY

COUPLING - front pump

1шт.

20

K944951

SUPPORT

BRACKET

1шт.

21

K603107

BOLT,1/2" x 1 3/8"

BOLT - 1/2 UNC x 1-3/8", Serial Range: bracket-frame

4шт.

22

K626345

LOCK WASHER

WASHER - lock, 1/2", Serial Range: bracket-frame

4шт.

23

K600006

BOLT

- 1/4 UNC x 1-1/2"

4шт.

24

K626341

SPRING WASHER

WASHER - lock, 1/4"

4шт.

25

K607043

NUT

- 1/4 UNC

4шт.

26

K910538

COUPLING, BREAK AWAY

COUPLING - crankshaft pulley

1шт.

27

K600359

BOLT

- 5/16 UNC x 1-1/4", coupling to crankshaft pulley

4шт.

28

K19481

SPRING WASHER

WASHER - lock, 5/16", coupling to crankshaft pulley

4шт.

29

K944950

SHAFT

DRIVESHAFT - (See Figure A13 for A/C drive shaft)

1шт.

30

K944947

COUPLING, BREAK AWAY

COUPLING - pump

1шт.

31

K19604

KEY

- Woodruff No. 405

1шт.

32

425-157

JAM NUT,Jam, 7/16"-20, G5

- 7/16 UNF

1шт.

33

K626380

WASHER

TABWASHER

1шт.

34

K623555

O-RING,1.396" OD x 0.255" Width

- 1-7/8" (47.625 mm) internal diameter

2шт.

35

K627581

BUSHING

RUBBER SPACER - 7/16" (11.112 mm) thick

1шт.

35

K627582

BUSHING

RUBBER SPACER - 9/16" (14.288 mm) thick

1шт.

35

K627583

BUSHING

RUBBER SPACER - 5/8" (15.875 mm) thick

1шт.

Выбрано товаров: 0