Запчасти Case IH 1490 (K07-1) - CONTROL MECHANISM, LOW PROFILE, HIGH PLATFORM, CAB MODEL (07) - HYDRAULICS

Схема запчастей Case IH 1490 - (K07-1) - CONTROL MECHANISM, LOW PROFILE, HIGH PLATFORM, CAB MODEL (07) - HYDRAULICS
9
7
14
18
11
13
27
19
25
4
3
35
5
10
12
23
28
8
2
3
16
29
15
32
20
21
1
31
33
24
34
17
6
30
4
26
22
FIT
1:1
100%

Артикул

Название

Примечание

Количество

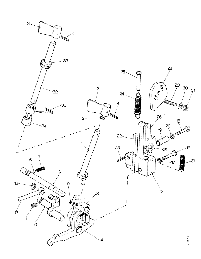
1

K919362

CONTROL LEVER

SELECTOR ROD

1шт.

2

K24554

O-RING

- 3/8" (9.525 mm) internal diameter

1шт.

3

K947405

KNOB

POINTER

1шт.

4

K623936

PIN, ROLL

PIN - 1/8 x 3/4" (3.175 x 19.05 mm)

1шт.

5

K913160

SELECTOR

SHAFT

1шт.

6

K17063

BALL

STEEL BALL - 1/4" (6.35 mm)

1шт.

7

K24563

SPRING

1шт.

8

K942417

SELECTOR

FORK

1шт.

9

K623740

SPLIT PIN/SAFETY PIN

PIN - 3/16 x 7/8" (4.762 x 22.225 mm)

1шт.

10

K913119

ROCKER LEVER

ROCKER SHAFT

1шт.

11

K602750

SCREW

RETAINING SCREW

1шт.

12

K909585

ROD

CONNECTING ROD

1шт.

13

K621562

RING, SNAP

RING - snap, 3/8" (9.525 mm) external diameter

1шт.

14

K200678

ROCKER LEVER

1шт.

15

K916362

GUIDE

BRACKET

1шт.

16

K600206

BOLT

- 5/16 UNC x 1-5/8"

1шт.

17

K19481

SPRING WASHER

WASHER - lock, 5/16"

1шт.

18

K600361

BOLT

- 5/16 UNC x 1-7/8"

1шт.

19

K627019

BUSHING

1шт.

20

K626682

WASHER

- 5/16" (7.938 mm)

1шт.

21

K915033

LEVER

ACTUATING LEVER

1шт.

22

K912971

ROD

PUSH ROD - draft control

1шт.

23

K623973

SPRING

PIN - 3/32 x 9/16" (2.381 x 14.288 mm)

1шт.

24

K624922

SPRING

1шт.

25

K913776

SPRING

ANCHOR

1шт.

26

K921723

ROD

PUSH ROD - position control

1шт.

27

K625196

SPRING

1шт.

28

K916587

CAM

1шт.

29

K608001

STUD

- 1/4 UNC x 1-1/16"

2шт.

30

K19470

WASHER

- 1/4" (6.35 mm)

2шт.

31

K607300

NUT

- 1/4 UNC

2шт.

32

K204329

ROD

EXTENSION - selector rod (High Platform, Cab Model)

1шт.

33

K302482

GROMMET

(High Platform, Cab Model)

1шт.

34

K204018

JOINT

UNIVERSAL JOINT (High Platform, Cab Model)

1шт.

35

K690976

PIN

- 1/8 x 1" (3.175 x 25.4 mm) (High Platform, Cab Model)

2шт.

Выбрано товаров: 0