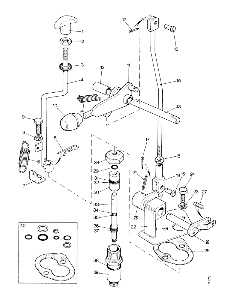
Запчасти Case IH 1490 (K10-1) - DUMP VALVE, LOW PROFILE, HIGH PLATFORM, CAB MODEL (07) - HYDRAULICS

Схема запчастей Case IH 1490 - (K10-1) - DUMP VALVE, LOW PROFILE, HIGH PLATFORM, CAB MODEL (07) - HYDRAULICS
6
33
5
39
20
38
22
11
35
7
8
17
27
26
25
28
16
31
34
32
4
36
37
23
9
24
13
3
10
2
30
18
16
1
17
19
40
21
15
12
29
FIT
1:1
100%

Артикул

Название

Примечание

Количество

1

K955948

KNOB

(Low Profile)

1шт.

2

280136

NUT,3/8"-16, G8

(Low Profile) 3/8"-16, G8

1шт.

3

K627723

GROMMET

- 5/8" (15.875 mm) (Low Profile)

1шт.

4

K203224

ROD

CONTROL ROD (Low Profile)

1шт.

5

K624874

SPRING

PIN - cotter (Low Profile)

1шт.

6

K624947

SPRING

RETURN SPRING (Low Profile)

1шт.

7

K301426

BRACKET

ANCHOR - return spring (Low Profile)

1шт.

8

K19481

SPRING WASHER

WASHER - lock, 5/16" (Low Profile)

1шт.

9

K602883

SCREW,5/16" - 18 x 3/4", Gr V

SETSCREW - 5/16 UNC x 3/4" (Low Profile)

1шт.

10

K950493

KNOB

(High Platform, Cab Model)

1шт.

11

K202934

LEVER ASSY.

CONTROL LEVER (High Platform, Cab Model)

1шт.

12

K950898

BUSHING

SPACER - lever shaft (High Platform, Cab Model)

1шт.

13

K950863

SHAFT

- lever (High Platform, Cab Model)

1шт.

14

K624922

SPRING

RETURN SPRING - lever (High Platform, Cab Model)

1шт.

15

K202942

ROD

CONNECTING ROD (High Platform, Cab Model)

1шт.

16

K950866

LARGE PIN

CLEVIS PIN - 1/4 x 7/8" (6.35 x 22.225 mm) (High Platform, Cab Model)

2шт.

17

K623605

PIN

- cotter, 1/16 x 1/2" (1.588 x 12.7 mm) (High Platform, Cab Model)

2шт.

18

425-115

NUT,5/16"-24, G5

- 5/16 UNC (High Platform, Cab Model)

1шт.

19

K200300

FORK

END - 5/16 UNC (High Platform, Cab Model)

1шт.

20

K202908

LEVER

OPERATING LEVER (High Platform, Cab Model)

1шт.

21

K690976

PIN

- 1/8 x 1" (3.175 x 25.4 mm) (High Platform, Cab Model)

1шт.

22

K202892

COVER

PLATE (High Platform, Cab Model)

1шт.

23

K19481

SPRING WASHER

WASHER - lock, 5/16" (High Platform, Cab Model)

2шт.

24

K602883

SCREW,5/16" - 18 x 3/4", Gr V

SETSCREW - 5/16 UNC x 3/4" (High Platform, Cab Model)

2шт.

25

K929464

GASKET

- cover plate (High Platform, Cab Model)

1шт.

26

K202911

LEVER

(High Platform, Cab Model)

1шт.

27

K11476

GROOVED PIN,1/8" x 1", Type E

Pin, Grooved, (3.175 x 25.4 mm) (High Platform, Cab Model) 1/8" x 1", Type E

1шт.

K205087

VALVE

DUMP VALVE ASSEMBLY - Includes Ref. 28 - 39, Serial Range: -11184414

1шт.

28

K918983

NUT

- 1" UNF, special

1шт.

29

K24554

O-RING

SEALING RING - 1/2" (12.7 mm) diameter

1шт.

30

K205085

BUSHING

- special

1шт.

31

K628913

RING

BACK-UP RING - 3/4" (19.05 mm) external diameter

1шт.

32

K625405

O-RING,0.549" ID x 0.103" Width

- 9/16" (14.288 mm) internal diameter

1шт.

33

K260383

PLUNGER

1шт.

34

K628060

RING,Split, 6.35mm ID x 9.53mm OD x 1.47mm Thk

BACK-UP RING - 3/8" (9.525 mm) external diameter

1шт.

35

K625400

O-RING,0.07" Thk x 0.239" ID

- 1/4" (6.35 mm) internal diameter

1шт.

36

K625404

O-RING,0.362" ID x 0.103" Width

- 3/8" (9.525 mm) internal diameter

1шт.

37

K948806

RING

BACK-UP RING - 9/16" (14.288 mm) external diameter

1шт.

38

K24556

O-RING,0.734" ID x 1.012" OD x 0.139"

SEALING RING - 1" (25.4 mm) diameter

1шт.

39

K948804

GUIDE

VALVE BODY

1шт.

40

K964568

SEAL

KIT - seals, dump valve

1шт.

Выбрано товаров: 0