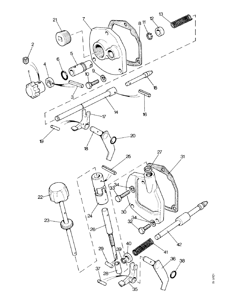
Запчасти Case IH 1490 (K12-1) - RATE OF LOWERING CONTROL, LOW PROFILE, HIGH PLATFORM, CAB MODEL (07) - HYDRAULICS

Схема запчастей Case IH 1490 - (K12-1) - RATE OF LOWERING CONTROL, LOW PROFILE, HIGH PLATFORM, CAB MODEL (07) - HYDRAULICS
42
18
23
41
15
38
31
34
30
9
14
27
36
1
5
13
26
25
34
22
7
40
37
16
35
12
17
3
8
4
20
10
19
11
28
39
32
21
33
24
29
2
6
FIT
1:1
100%

Артикул

Название

Примечание

Количество

1

K203592

KNOB

(Low Profile)

1шт.

2

K606300

SCREW

SETSCREW - 1/4 UNC x 1/4" (Low Profile)

1шт.

3

K623933

SPRING

PIN - 1/8 x 5/8" (3.175 x 15.875 mm) (Low Profile)

1шт.

4

K204330

COLLAR

(Low Profile)

1шт.

5

K203588

GUIDE

- adjusting (Low Profile)

1шт.

6

K625405

O-RING,0.549" ID x 0.103" Width

- 9/16" (14.288 M) internal diameter (Low Profile)

1шт.

7

K203587

LEVER

COVER (Low Profile)

1шт.

8

K202414

GASKET,1.59mm Thk

(Low Profile)

1шт.

9

K19481

SPRING WASHER

WASHER - lock, 5/16" (Low Profile)

3шт.

10

9635884

BOLT,Hex, 5/16" - 18 1", Full Thd, Gr 5

SETSCREW - 5/16 UNC x 1" (Low Profile)

3шт.

11

K621562

RING, SNAP

RING - snap, 3/8" (9.525 mm) external (Low Profile)

1шт.

12

K202428

COLLAR

THRUST COLLAR (Low Profile)

1шт.

13

K625050

SPRING

(Low Profile)

1шт.

14

K203589

SPINDLE

NEEDLE VALVE - rear part (Low Profile)

1шт.

15

K957135

NEEDLE

NOSE - needle valve (Low Profile)

1шт.

16

K623976

SPRING

PIN - 3/32 x 3/4" (2.381 x 19.05 mm) (Low Profile)

1шт.

17

K202416

FORK

(Low Profile)

1шт.

18

K202417

SHAFT

PIVOT SHAFT (Low Profile)

1шт.

19

K623936

PIN, ROLL

PIN - 1/8 x 3/4" (3.175 x 19.05 mm) (Low Profile)

1шт.

20

K24554

O-RING

- 3/8" (9.525 mm) internal diameter

1шт.

21

K12362

PLUG

- 1" BSP (Low Profile)

1шт.

22

K203495

KNOB

- with shaft (High Platform, Cab Model)

1шт.

23

K627704

GROMMET

- 7/8" (22.225 mm) cab floor (High Platform, Cab Model)

1шт.

24

K203623

JOINT

UNIVERSAL JOINT (High Platform, Cab Model)

1шт.

25

K690976

PIN

- 1/8 x 1" (3.175 x 25.4 mm) (High Platform, Cab Model)

2шт.

26

K202421

SCREW

ADJUSTING SPINDLE (High Platform, Cab Model)

1шт.

27

K623681

WIPER

SEALING RING - 1/2" (12.7 mm) internal diameter (High Platform, Cab Model)

1шт.

28

K202422

BLOCK

SPACER (High Platform, Cab Model)

1шт.

29

K623728

PIN

- 3/32 x 1/2" (2.381 x 12.7 mm) (High Platform, Cab Model)

1шт.

30

K203105

COVER

(High Platform, Cab Model)

1шт.

31

K202414

GASKET,1.59mm Thk

(High Platform, Cab Model)

1шт.

32

9635884

BOLT,Hex, 5/16" - 18 1", Full Thd, Gr 5

SETSCREW - 5/16 x 1" (High Platform, Cab Model)

2шт.

33

K602809

SCREW

SETSCREW - 5/16 x 1-1/2" (High Platform, Cab Model)

1шт.

34

K19481

SPRING WASHER

WASHER - lock, 5/16" (High Platform, Cab Model)

3шт.

35

K202416

FORK

(High Platform, Cab Model)

1шт.

36

K202417

SHAFT

PIVOT SHAFT (High Platform, Cab Model)

1шт.

37

K623936

PIN, ROLL

PIN - 1/8 x 3/4" (3.175 x 19.05 mm) (High Platform, Cab Model)

1шт.

38

K24554

O-RING

- 3/8" (9.525 mm) internal diameter (High Platform, Cab Model)

1шт.

39

K621562

RING, SNAP

RING - snap, 3/8" (9.525 mm) external diameter (High Platform, Cab Model)

1шт.

40

K202428

COLLAR

THRUST COLLAR (High Platform, Cab Model)

1шт.

41

K625050

SPRING

(High Platform, Cab Model)

1шт.

42

K202425

NEEDLE

VALVE (High Platform, Cab Model)

1шт.

Выбрано товаров: 42