Запчасти Case IH 1490 (K15-1) - THREE-WAY VALVE UNIT, NOT NORTH AMERICA, LOW PROFILE, HIGH PLATFORM, CAB MODEL (07) - HYDRAULICS

Схема запчастей Case IH 1490 - (K15-1) - THREE-WAY VALVE UNIT, NOT NORTH AMERICA, LOW PROFILE, HIGH PLATFORM, CAB MODEL (07) - HYDRAULICS
10
16
15
14
2
19
7
9
11
12
22
17
1
21
13
15
20
4
6
7
23
8
3
18
5
18
FIT
1:1
100%

Артикул

Название

Примечание

Количество

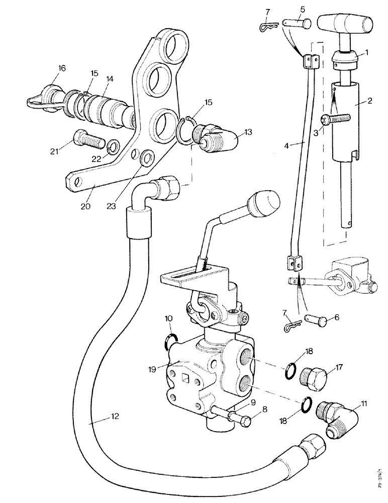
UK5299

VALVE

CONTROLS - three-way valve (High Platform, Cab Model), Includes Ref. 1 - 7

1шт.

1

K202246

VALVE

HAND LEVER (High Platform, Cab Model)

1шт.

2

K202250

TUBE

- lever (High Platform, Cab Model)

1шт.

3

K605602

SCREW

- 1/4 x 5/16" (High Platform, Cab Model)

2шт.

4

K202557

ROD

CONNECTING ROD (High Platform, Cab Model)

1шт.

5

K625963

PIN

CLEVIS PIN - 1/4 x 1" (6.35 x 25.4 mm) (High Platform, Cab Model)

1шт.

6

K625953

PIN

CLEVIS PIN - 1/4 x 3/4" (6.35 x 19.05 mm) (High Platform, Cab Model)

1шт.

7

K950865

CLIP

PIN - cotter, clevis pin (High Platform, Cab Model)

2шт.

UK4316

VALVE

THREE-WAY VALVE UNIT (Low Profile)

1шт.

UK4339

VALVE

THREE-WAY VALVE UNIT (High Platform, Cab Model), Includes Ref. 8 - 19

1шт.

8

K600416

BOLT

- 3/8 UNC x 3", valve to ram cylinder

4шт.

9

K19482

SPRING WASHER

WASHER - lock, 3/8", valve to ram cylinder

4шт.

10

K24556

O-RING,0.734" ID x 1.012" OD x 0.139"

- 3/4" (19.05 MM) internal diameter

1шт.

11

K622114

FITTING

ELBOW - 3/4 UNF x 90 degrees

1шт.

12

K201876

HOSE

PIPE - flexible - 3/4 - 7/8 UNF x 27-5/8"

1шт.

13

K622113

FITTING

ELBOW - 7/8 UNF x 90 degrees

1шт.

14

K201770

COUPLING, BREAK AWAY

COUPLING - quick release (Order A147888)

1шт.

15

K621510

SNAP RING,#150, Ext

Ring, Snap, (38.1 mm), coupling to bracket #150, Ext

2шт.

16

K950297

PLUG

DUST COVER - coupling

1шт.

17

K948415

PLUG

- 3/4 UNF (19.05 mm)

1шт.

18

K623589

O-RING

- 5/8" (15.875 mm) internal diameter

1шт.

19

K202874

VALVE

- three-way, see Figure K16 (Low Profile)

1шт.

19

K202568

VALVE

- three-way, see Figure K16 (High Platform, Cab Model)

1шт.

UK4345

BREAKER POINTS

MOUNTING BRACKET UNIT, Includes Ref. 20 - 23

1шт.

20

K202578

BRACKET

- coupling support

1шт.

21

K603141

SCREW

SETSCREW - 1/2 UNC x 1-1/2"

2шт.

22

K626345

LOCK WASHER

WASHER - lock, 1/2"

2шт.

23

K626686

WASHER

- 1/2" (12.7 mm)

2шт.

Выбрано товаров: 0