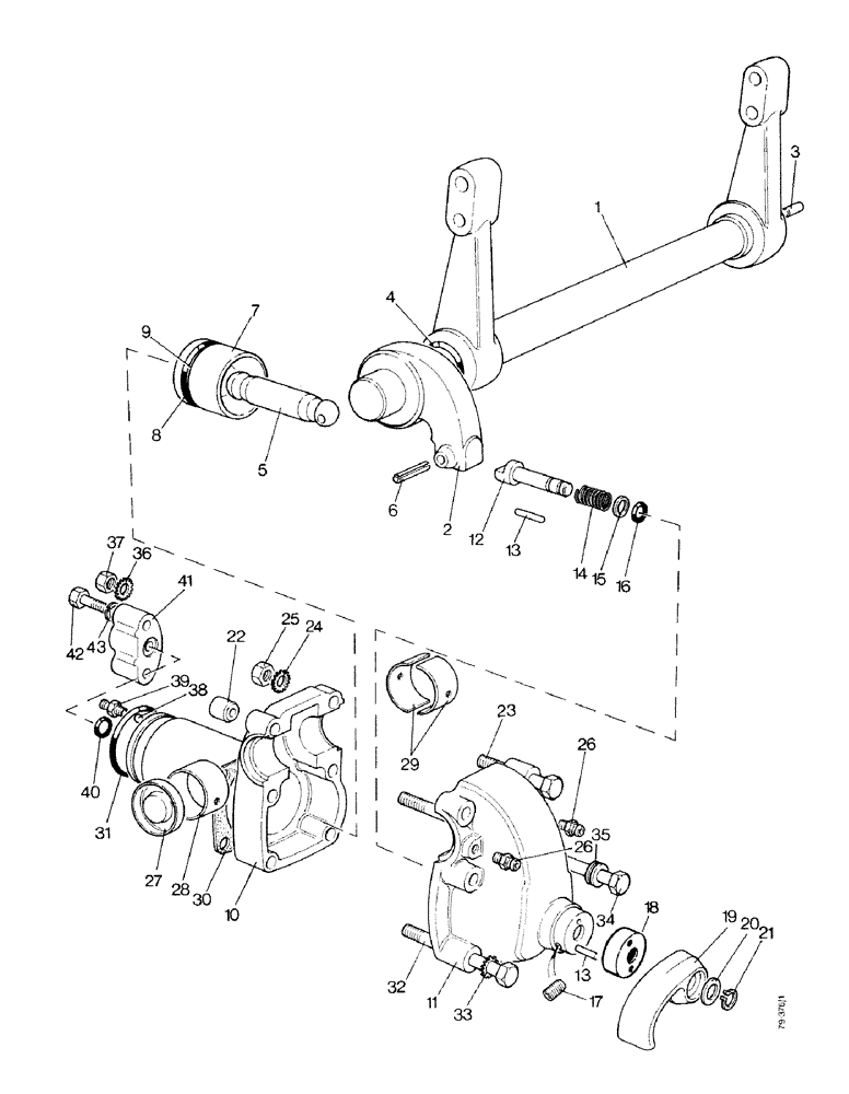
Запчасти Case IH 1490 (L01-1) - RAMSHAFT AND RAM CYLINDER (09) - IMPLEMENT LIFT

Схема запчастей Case IH 1490 - (L01-1) - RAMSHAFT AND RAM CYLINDER (09) - IMPLEMENT LIFT
37
27
19
31
13
8
25
5
14
26
15
7
22
21
38
33
26
42
32
3
30
39
23
35
17
24
36
10
40
9
34
11
18
1
12
16
20
41
28
29
13
4
6
43
2
FIT
1:1
100%

Артикул

Название

Примечание

Количество

1

K921919

SHAFT

RAMSHAFT AND LEVERS - linkage, Includes: Ref. 2 and 3

1шт.

2

K913762

ARM

LEVER - ram

1шт.

3

K621807

PIN

DOWEL - 5/16 x 1/2" (7.938 x 12.7 mm)

1шт.

4

K623579

O-RING,0.21" Thk x 2.225" ID, -331, Cl 5, 75 Duro

- 2" (50.8 mm) internal diameter

1шт.

5

K913774

ROD

CONNECTING ROD - piston

1шт.

6

138-141

LOCK PIN,1/4" x 1 7/8", Slotted

PIN, (6.35 x 47.625 mm) 1/4" x 1 7/8", Slotted

1шт.

7

K913769

PISTON

- standard size

1шт.

7

K946371

PISTON

- over size 0.020" (0.508 mm)

1шт.

8

K623519

O-RING,0.21" Thk x 3.1" ID, -338, Cl 6, 90 Duro

- piston, 3-1/8" (79.375 mm)

1шт.

9

K623567

RING,79.09mm ID x 89.18mm OD x 2.64mm Thk

BACK-UP RING

1шт.

10

K961922

COVER

CYLINDER BODY AND COVER ASSEMBLY - ram, Includes: Ref. 11 - 25

1шт.

11

K260468

COVER

AND LIFT LOCK ASSEMBLY - ram, Includes: Ref. 12 - 25

1шт.

12

K942923

LATCH

PIN - lift lock, not North America

1шт.

13

K620027

NEEDLE

ROLLER - not North America

2шт.

14

K913436

SPRING

- not North America

1шт.

15

K907061

BUSHING

SPACER - not North America

1шт.

16

F62075

O-RING,0.139" Thk x 0.734" ID, -210, Cl 5, 75 Duro

- 3/4" (19.05 mm) internal diameter, not North America

1шт.

17

K606052

SET SCREW,Hex Skt, 5/16" - 18 x 3/4"

- special, not North America

1шт.

18

K913724

DUST CAP

COVER - not North America

1шт.

19

K947974

LEVER ASSY.

LEVER - not North America

1шт.

20

K626210

SHIM,.030" Thk

Not North America .030" Thk

1шт.

21

K11290

RING, SNAP

RING - snap, 3/4" (19.05 mm) external, not North America

1шт.

22

K924685

RUBBER

RESTRICTOR - cylinder body

1шт.

23

113-619

BOLT,Hex, 5/8" - 11 x 4-1/2", Gr 5

2шт.

24

193-14

LOCK WASHER,Ext Tooth, 5/8"

WASHER - lock, 1/2"

2шт.

25

129-107

NUT,5/8"-11, G5

- 1/2 UNC

2шт.

26

219-8

LUBE NIPPLE,1/4" - 28 NPTF

NIPPLE, LUBE, 1/4"-28 NPT x .54" lg

2шт.

27

K913773

PLUG

DISC - sealing

1шт.

28

K913758

BUSHING,57.19mm ID x 61.38mm OD x 28.83mm L

- pivot

1шт.

29

K913772

BEARING HALF

BEARING - half

2шт.

30

K926385

GASKET

- body

1шт.

31

K623566

O-RING,0.139" Thk x 3.859" ID, -241, Cl 5, 75 Duro

- 3-7/8 (98.425 mm) internal diameter, cylinder body

1шт.

32

13-892

BOLT,Hex, 1/2" - 13 x 5-3/4", Gr 5

- 1/2 UNC x 5-3/4", cylinder to rear axle

2шт.

33

193-12

LOCK WASHER,Ext Tooth, 0.52" ID x 0.89" OD, STL, PLN

WASHER, LOCK, , Cylinder to rear axle Ext Tooth, 1/2"

2шт.

34

K601280

BOLT

- 5/8 UNC x 13-1/8"

2шт.

35

K626874

WASHER

SEALING WASHER - 5/8" (15.875 mm)

2шт.

36

193-14

LOCK WASHER,Ext Tooth, 5/8"

WASHER, LOCK, Ext Tooth, 5/8"

2шт.

37

129-107

NUT,5/8"-11, G5

2шт.

38

211-208

BALL,5/16" Dia

STEEL BALL - air screw

1шт.

39

K910104

SCREW

- air

1шт.

40

K24852

O-RING,0.103" Thk x 0.674" ID, -115, Cl 6, 90 Duro

- 11/16" (17.462 mm) internal diameter

1шт.

41

K955073

CONNECTOR, ELEC

CONNECTOR -, Serial Range: pipe-cylinder

1шт.

42

113-248

BOLT,Hex, 3/8" - 16 x 2-3/4", Gr 5

2шт.

43

192-21

LOCK WASHER,3/8"

WASHER, LOCK, 3/8"

2шт.

Выбрано товаров: 0