Запчасти Case IH 1490 (P16-1) - CAB, CONDENSER AND RECEIVER-DRIER (10) - OPERATORS PLATFORM/CAB

Схема запчастей Case IH 1490 - (P16-1) - CAB, CONDENSER AND RECEIVER-DRIER (10) - OPERATORS PLATFORM/CAB
20
31
10
11
16
32
17
2
22
6
8
16
24
28
21
7
17
21
17
17
23
18
29
19
3
14
27
12
1
14
34
15
13
4
5
9
6
33
8
25
FIT
1:1
100%

Артикул

Название

Примечание

Количество

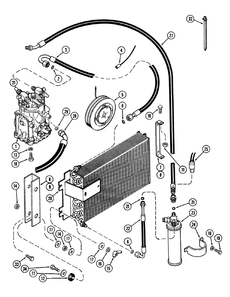
1

A141039

X

COMPRESSOR - air conditioning (See Figure P19-1) (Sims A-600-1778)

1шт.

2

222-994

GASKET,1/2 Tube, Fl, Copper

- 45 degree copper (1/2) (Sims A-600-1839) (Replaces A62227)

1шт.

3

A145910

HOSE

- compressor to condenser (Sims A-600-1783)

1шт.

4

A61755

ELECTRICAL WIRE

WIRE - high pressure SW to clutch (Sims A-1700-1708)

1шт.

5

A167419

CLUTCH

- compressor (Sims 600-1276)

1шт.

6

A62229

GASKET

- 45 degree - copper (3/8) (Sims A-600-1775)

2шт.

7

A167420

BRACKET

- condenser pivot (Sims B-1400-9739)

1шт.

8

B17170

SPARE PART

PAINT - black - low gloss (Sims 600-1122)

1шт.

10

113-169

BOLT,Hex, 1/4" - 20 x 1-1/4", Gr 5, Full Thd

(Sims 25-20-10-06) Hex, 1/4"-20 x 1 1/4", G5, Full Thd

2шт.

11

7770

NUT,Hex, 1/4 - 20, Cl 5

1/4"-20, G5 (Sims 6-300-43)

2шт.

12

REF

INSTRUCTION

GROMMET - (5/8 hole) (Sims 600-656)

4шт.

13

192-21

LOCK WASHER,3/8"

WASHER, LOCK, (Sims 60-202-95) 3/8"

4шт.

14

131-802

LOCK NUT,5/16"-18

NUT - lock - steel (5/16-18) (Sims 60-301-39)

4шт.

15

129-419

WING NUT,5/16"-18

NUT - wing (5/16-18) (Sims 60-301-42)

2шт.

16

192-20

LOCK WASHER,Helical Spring, 0.318" ID, CST, ZND

WASHER, LOCK, (Sims 60-201-95) 5/16"

3шт.

17

195-521

WASHER,5/16", SAE

- flat (5/16) (Sims 60-101-96)

12шт.

18

13-624

BOLT,Hex, 3/8" - 16 x 1-1/2", Gr 5

- hex head (3/8-16 x 1-1/2) (Grade 5) (Sims 38-16-12-06)

4шт.

19

113-102

BOLT,Hex, 5/16" - 18 x 3/4", Gr 5

Hex, 5/16"-18 x 3/4", G5, Full Thd (Sims 31-18-06-06)

1шт.

20

A145899

COIL

CONDENSER - coil - A/C (Sims A-600-1782)

1шт.

21

A61198

O-RING,0.07" Thk x 0.301" ID, -11

- drier (Sims A600-1838)

2шт.

22

A145911

A/C HOSE

HOSE ASSEMBLY - condenser to drier (Sims A-600-1784)

1шт.

Ref. 22A - D124112 Is longer hose for tractors with rear hinged hoods.

1шт.

23

A76312

RECEIVER-DRYER

DRIER - receiver (Sims A-600-1777)

1шт.

Ref. 23A - A47717 Low Pressure Switch

1шт.

24

A61193

CLAMP

- receiver drier (Sims A-1400-9564)

1шт.

25

A65779

SWITCH

- high pressure (Sims A-600-1776)

1шт.

26

A167422

BATTERY BOX

HOLD DOWN - condenser (Sims A-1400-9638) not illustrated

1шт.

27

A145898

HOSE

- drier to cab (See Figure P14-1) (Sims A-600-1781)

1шт.

28

F64305

HOSE

ASSEMBLY - A/C (See Figure P14-1) (Sims A-600-1842)

1шт.

29

222-995

SEALING WASHER,15.88mm ID

- 45 degree - copper (5/8) (Sims A-600-1849)

1шт.

30

A145699

VALVE

- rotolock (1/2) (Sims A-600-1780)

1шт.

31

A42937

VALVE

- rotolock (5/8) (Sims A-600-1772)

1шт.

32

L11541

CABLE TIE,203.2mm L, Nylon

WIRE TIES - nylon (Sims 600-851)

5шт.

33

113-103

BOLT,Hex, 5/16" - 18 x 1", Gr 5

(Sims 31-18-08-06) Hex, 5/16"-18 x 1", G5, Full Thd

2шт.

34

113-104

BOLT,Hex, 5/16" - 18 x 1-1/4", Gr 5

(Sims 31-18-10-06) Hex, 5/16"-18 x 1 1/4", G5

2шт.

Выбрано товаров: 0