Запчасти Case IH 1490 (P17-1) - CAB, WIPERS AND MIRROR (10) - OPERATORS PLATFORM/CAB

Схема запчастей Case IH 1490 - (P17-1) - CAB, WIPERS AND MIRROR (10) - OPERATORS PLATFORM/CAB
7
1
6
8
4
5
FIT
1:1
100%

Артикул

Название

Примечание

Количество

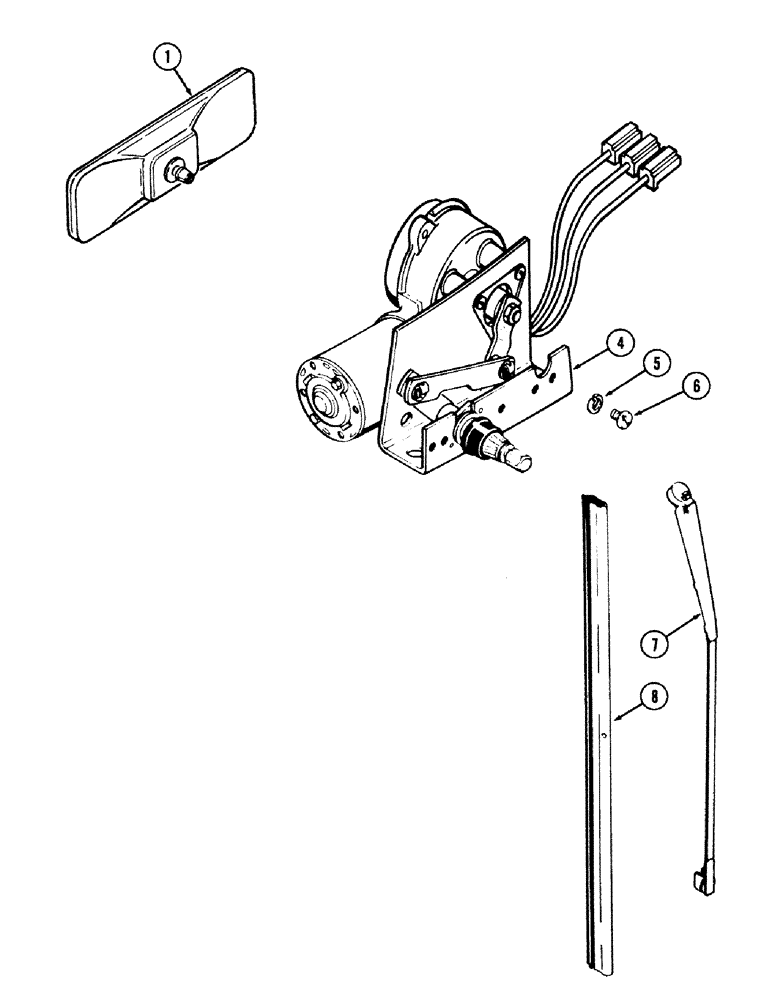
1

F64550

MIRROR

- rear view (Sims A-600-1901)

1шт.

4

F98108

WIPER

MOTOR - wiper, front (See Figure P20-1) (Sims C-1700-1709) prior to serial number 16800-1

1шт.

4

REF

INSTRUCTION

MOTOR - wiper - front (See Figure 20-1) (Sims A-600-1902) serial number 16800-1 and after

1шт.

5

192-19

LOCK WASHER,Helical Spring, 0.256" ID, CST, ZND

WASHER, LOCK, (Sims 60-200-95) 1/4"

2шт.

6

182-548

SCREW,Slotted Pan Hd, 1/4"-28 x 3/8"

- pan head - slot (1/4-28 x 3/8) (Sims 25-28-03-66)

2шт.

7

F43789

ARM

- wiper, 18" (457.2 mm) (Sims 600-1711)

1шт.

8

L35261

BLADE

- wiper, 20" (508.0 mm) (Sims 600-457)

1шт.

Выбрано товаров: 0