Запчасти Case IH 1490 (P20-1) - CAB, REAR WINDSHIELD WIPER (10) - OPERATORS PLATFORM/CAB

Схема запчастей Case IH 1490 - (P20-1) - CAB, REAR WINDSHIELD WIPER (10) - OPERATORS PLATFORM/CAB
12
14
8
7
5
2
3
13
4
11
10
9
15
1
10
1
FIT
1:1
100%

Артикул

Название

Примечание

Количество

REF

INSTRUCTION

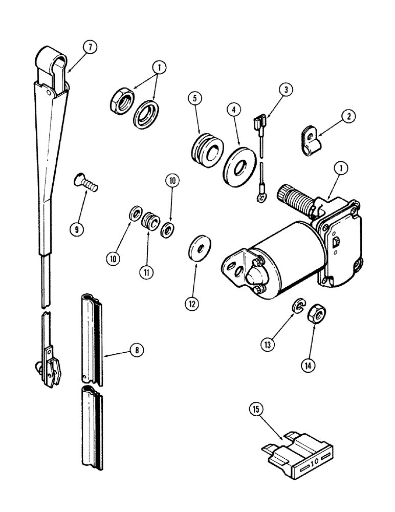
WIPER ASSEMBLY - rear window (Sims A-1700-1703), Includes: Ref. 1 - 15

1шт.

1

REF

INSTRUCTION

MOTOR - wiper (Sims 600-130)

1шт.

2

REF

INSTRUCTION

CLIP - wire (Sims 600-420)

4шт.

3

REF

INSTRUCTION

WIRE ASSEMBLY - (Sims A-1700)

1шт.

4

REF

INSTRUCTION

WASHER - spacer, 5/8" (15.875 mm) (Sims 600-735)

1шт.

5

REF

INSTRUCTION

GROMMET - rubber, 7/8" (22.225 mm) (Sims 600-1642)

1шт.

7

T42555

ARM

- wiper, adjustable (Sims 600-224)

1шт.

8

T42556

WINDSHIELD WIPER

BLADE - wiper, 14" (355.6 mm) (Sims 600-225)

1шт.

9

REF

INSTRUCTION

SCREW - pan head slot (#10-32 x 1) (Sims 18-32-08-66)

1шт.

10

195-511

WASHER,#10

- flat (Sims 60-000-96)

2шт.

11

REF

INSTRUCTION

GROMMET - rubber, 5/16" (7.938 mm) (Sims 600-1641)

1шт.

12

REF

INSTRUCTION

WASHER - spacer 3/16" (4.762 mm) (Sims 600-697)

1шт.

13

192-18

LOCK WASHER,Helical Spring, #10, 0.196" ID, CST, ZND

WASHER, LOCK, (Sims 60-207-95) #10

1шт.

14

REF

INSTRUCTION

NUT - hex (#10-32) (Sims 60-306-43)

1шт.

15

REF

INSTRUCTION

FUSE - 7.5 amp (Sims A-600-1980)

1шт.

Выбрано товаров: 0