Запчасти Case IH 1490 (C01-1) - INDEPENDENT CLUTCH UNIT, POWER SHIFT, SYNCHROMESH MFD, SYNCHROMESH 2WD (03.1) - CLUTCH

Схема запчастей Case IH 1490 - (C01-1) - INDEPENDENT CLUTCH UNIT, POWER SHIFT, SYNCHROMESH MFD, SYNCHROMESH 2WD (03.1) - CLUTCH
36
7
25
5
37
11
34
26
8
14
19
13
38
2
18
1
35
22
6
16
29
20
39
15
27
23
31
21
24
3
28
30
9
4
10
17
12
32
33
FIT
1:1
100%

Артикул

Название

Примечание

Количество

K954992

CLUTCH ASSEMBLY

- (Laycock 87367-14) (Synchromesh 2WD, Power Shift) Includes: Ref. 1 - 29

1шт.

K956051

CLUTCH ASSEMBLY

- (Laycock 87367-11) (Synchromesh MFD), Includes: Ref. 1 - 29

1шт.

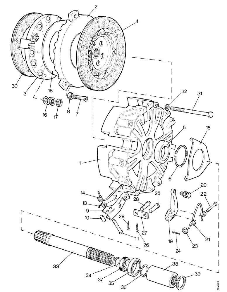
1

NSS

NOT SOLD SEPARAT

COVER

1шт.

2

K955007

PLATE, THRUST

PRESSURE PLATE - transmission

1шт.

3

NSS

NOT SOLD SEPARAT

PRESSURE PLATE - PTO

1шт.

4

K202625

CLUTCH & DISC ASSY

DRIVEN PLATE - 12" (304.8 mm) transmission (Synchromesh 2WD, Power Shift) Includes: K965867

1шт.

K965867

FACING

S - steel backed Mintex H19, and rivets (Synchromesh 2WD, Power Shift)

1шт.

4

K956052

CLUTCH & DISC ASSY

DRIVE PLATE - 12" (304.8 mm) transmission (Synchromesh MFD) Includes: K260115

1шт.

K260115

FACING

S - Durasint S214, and rivets (Synchromesh MFD)

1шт.

5

K89325

BALL BEARING,45mm ID x 75mm OD x 16mm W

BEARING

1шт.

6

K89326

RING, SNAP

RING - snap, clutch cover

1шт.

7

K964946

BOLT

ADJUSTING SCREW - set of three

1шт.

8

K947042

NUT

LOCKNUT - adjusting screw

3шт.

9

K964945

LEVER

RELEASE LEVER - transmission, set of three

1шт.

10

K947046

ROLLER

- release lever

3шт.

11

K947044

PIN

PIVOT PIN - roller

3шт.

12

K947036

WASHER

- pivot pin

3шт.

13

K947035

COTTER PIN

PIN - cotter, pivot pin

3шт.

14

K947049

SPRING

ANTI-RATTLE SPRING - transmission lever

3шт.

15

K947050

RING

PLATE - transmission release lever

1шт.

16

K951917

SPRING

THRUST SPRING - pink

12шт.

17

K947039

DISC

INSULATING WASHER

24шт.

18

K952509

BELLEVILLE SPRING

BELLEVILLE THRUST SPRING

1шт.

19

K964948

LEVER

RELEASE LEVER - PTO, set of three

1шт.

20

K963626

LOCK NUT,M10 x 1.25 x 30mm, Cl 10.9

ADJUSTING SCREW - and lockout

3шт.

21

K947037

SPRING

ANTI-RATTLE SPRING - PTO

3шт.

22

K947058

PIVOT PIN

- PTO lever

3шт.

23

K947036

WASHER

- pivot pin

6шт.

24

K947035

COTTER PIN

PIN - cotter

3шт.

25

K947060

PIN

PIVOT PIN - PTO lever

3шт.

26

K947038

PIN

- cotter, pivot pin

3шт.

27

K964947

DRAG LINK

LINK - PTO, set of three

1шт.

28

K947041

PIN

PIVOT PIN - PTO pressure plate

3шт.

29

K947038

PIN

- cotter, pivot pin

3шт.

30

K947089

CLUTCH & DISC ASSY

DRIVEN PLATE - 12" (304.8 mm) PTO, Includes: K963633

1шт.

K963633

FACING

S - F30C and rivets

1шт.

31

K600421

BOLT

- 3/8 UNC x 4-1/2"

6шт.

32

K19482

SPRING WASHER

WASHER - lock, 3/8"

6шт.

33

K202072

SHAFT

CLUTCH DRIVESHAFT (Synchromesh 2WD, Synchromesh MFD)

1шт.

33

K202083

SHAFT

CLUTCH DRIVESHAFT (Power Shift)

1шт.

34

K15176

OIL SEAL

OIL SEAL - 1-1/8 x 1-7/8 x 3/8 (28.575 x 47.625 x 9.525 mm)

1шт.

35

K620199

BALL

BEARING (Synchromesh 2WD, Synchromesh MFD)

1шт.

36

K621567

RING, SNAP

RING - snap, 2" (50.8 mm) external (Synchromesh 2WD, Synchromesh MFD)

1шт.

37

K623483

OIL SEAL

OIL SEAL - 50 x 70 x 10 mm (Synchromesh 2WD, Synchromesh MFD)

1шт.

38

K202061

COUPLING, BREAK AWAY

COUPLING (Synchromesh 2WD, Synchromesh MFD)

1шт.

39

K902106

SHIM,.032" Thk

(0.8128 mm) (Synchromesh 2WD, Synchromesh MFD) .032" Thk

1шт.

Выбрано товаров: 0