Запчасти Case IH 1490 (A01-1) - CYLINDER BLOCK ASSEMBLIES (01) - ENGINE

Схема запчастей Case IH 1490 - (A01-1) - CYLINDER BLOCK ASSEMBLIES (01) - ENGINE
2
11
32
18
33
21
31
30
24
5
13
17
1
28
19
9
16
7
32
35
39
25
20
17
12
14
38
10
29
6
4
8
26
32
15
3
23
34
22
27
FIT
1:1
100%

Артикул

Название

Примечание

Количество

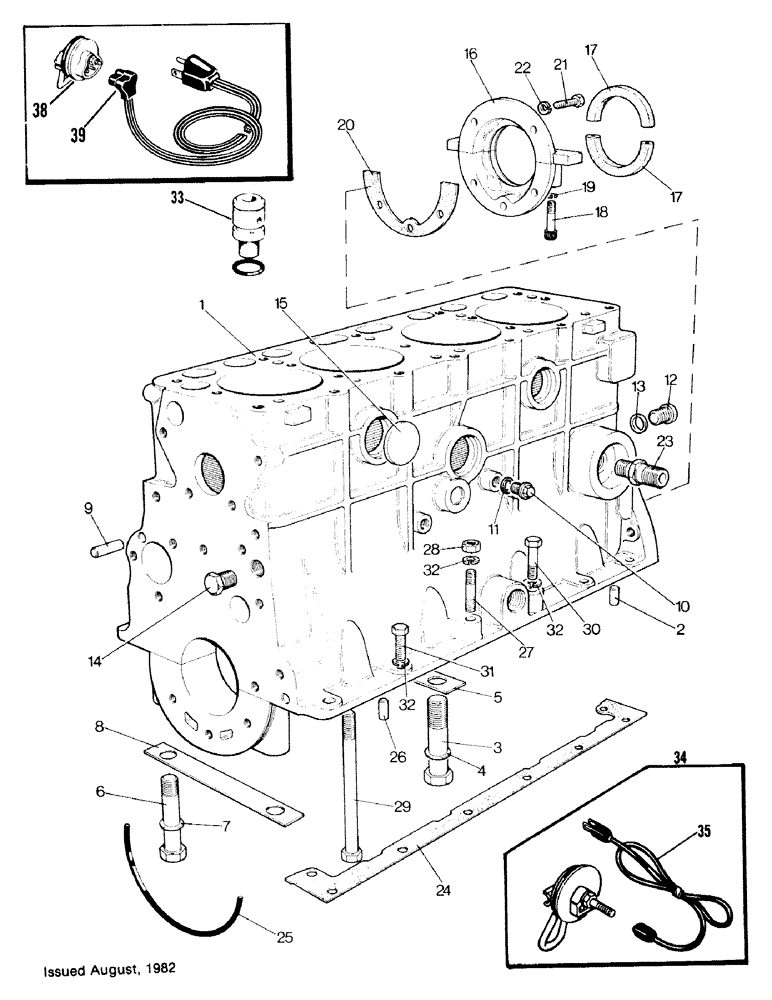
1

K965715

SKELETON ENGINE

CYLINDER BLOCK - with crankshaft and pistons, Includes: Ref. 1 - 23

1шт.

1

K965169

BLOCK ASSY.

CYLINDER BLOCK - with bearing caps, Includes: Ref. 2 - 23

1шт.

2

K12258

PIN

DOWEL - 5/16 x 3/4" (7.938 x 19.05 mm), bearing caps

4шт.

Add two of K622908 1/4" dowel

1шт.

3

K940395

BOLT

- 3/4 UNC x 4-1/2"

2шт.

4

K940397

SHEET

FLAT WASHER - 3/4" (19.05 mm)

2шт.

5

K940396

WASHER

TABWASHER - block bolt

1шт.

6

K928965

BOLT

- 5/8 UNC x 4-1/8"

4шт.

7

K929557

WASHER

FLAT WASHER - 5/8" (15.875 mm)

4шт.

8

K928996

WASHER

TABWASHER - block bolt

2шт.

9

K621807

PIN

DOWEL - 5/16 x 1/2" (7.938 x 12.7 mm) carrier plate

1шт.

10

K903851

PRESSURE SWITCH

PLUG - 1/4 BSP, water drain (Replaces K19581)

1шт.

Oil pressure sending unit is on Figure S06-1, Ref. 10, K903851.

1шт.

11

K19501

WASHER

FIBER WASHER - 1/2" (12.7 mm)

1шт.

12

K609440

PLUG

- 5/8 UNC, oil gallery, rear

1шт.

13

K619506

WASHER

COPPER WASHER - 5/8"

1шт.

14

K609449

PLUG

- 5/8 UNC, oil gallery, front

1шт.

15

K623797

PLUG

CORE PLUG - 1-3/4" (44.45 mm) diameter

5шт.

16

K964843

RETAINER

OIL RETAINER - rear bearing, Includes: Ref. 17 - 19

1шт.

17

K940135

OIL SEAL

PACKING - halves

2шт.

18

61-524

HEX SOC SCREW,5/16"-18 x 1 1/2"

SOCKET SCREW - 5/16 UNC x 1-1/2"

2шт.

19

192-20

LOCK WASHER,Helical Spring, 0.318" ID, CST, ZND

WASHER, LOCK, 5/16"

2шт.

20

K950938

GASKET,0.18mm Thk

- halves

2шт.

21

113-113

BOLT,Hex, 5/16" - 18 x 7/8", Gr 5

5шт.

22

192-20

LOCK WASHER,Helical Spring, 0.318" ID, CST, ZND

WASHER, LOCK, 5/16"

5шт.

23

K200007

FITTING

CONNECTOR - 5/8 UNC x 3/4 UNF

1шт.

K928415

CRANKSHAFT

- See Figure A03-1

1шт.

K903431

STEP BOLT

- special, See Figure A03-1

4шт.

425-117

NUT,7/16"-20, G5

- 7/16 UNF, See Figure A03-1

4шт.

K10629

PIN

DOWEL - 1/2 x 15/16" (12.7 x 23.812 mm) See Figure A03-1

1шт.

K923027

PITMAN ASSY.

CONNECTING ROD ASSEMBLY - See Figure A03-1

4шт.

K944573

PISTON & RINGS KIT

PISTON ASSEMBLY - See Figure A03-1

4шт.

24

K902044

GASKET

- left-hand, cylinder block to main frame

1шт.

24

K902045

GASKET

- right-hand, cylinder block to main frame

2шт.

25

K902046

SEAL

- bearing caps, cylinder block to main frame

2шт.

26

K622903

PIN

DOWEL - 7/16 x 1-3/8" (11.112 x 34.925 mm) cylinder block to main frame

2шт.

27

K608244

STUD

- 3/8 UNC x 2-1/4", cylinder block to main frame

2шт.

27

K608201

STUD

- 3/8 UNC x 1-5/8", cylinder block to main frame

1шт.

28

129-103

NUT,Hex, 3/8" - 16, Gr 5

NUT, , Cylinder block to main frame 3/8"-16, G5

3шт.

29

K600467

BOLT

- special, cylinder block to main frame

1шт.

30

113-233

BOLT,Hex, 3/8" - 16 x 1-3/4", Gr 5

Cylinder block to main frame Hex, 3/8"-16 x 1 3/4", G5

1шт.

31

13-620

BOLT,Hex, 3/8" - 16 x 1-1/4", Gr 5, Full Thd

SET SCREW, 3/8"-16 x 1 1/4", G5, Full Thd, Cylinder block to main frame

9шт.

32

192-21

LOCK WASHER,3/8"

WASHER, LOCK, , Cylinder block to main frame 3/8"

9шт.

33

REF

INSTRUCTION

HOUSING - engine speed cable, See Figure B10-1

1шт.

K260282

GASKET

- cylinder block

1шт.

34

K962705

HEATER

ASSEMBLY - cylinder block (Order A48263 and A48264), Includes: Ref. 35

1шт.

35

A44814

ELECTRIC CABLE

CORD - heater, cylinder block

1шт.

38

A48263

RESISTOR

HEATER ASSEMBLY - cylinder block

1шт.

39

48264

CORD - heater, cylinder block

1шт.

Выбрано товаров: 0