Запчасти Case IH 1490 (A14-1) - FUEL INJECTOR (01) - ENGINE

Схема запчастей Case IH 1490 - (A14-1) - FUEL INJECTOR (01) - ENGINE
7
4
11
5
9
10
6
8
1
2
3
FIT
1:1
100%

Артикул

Название

Примечание

Количество

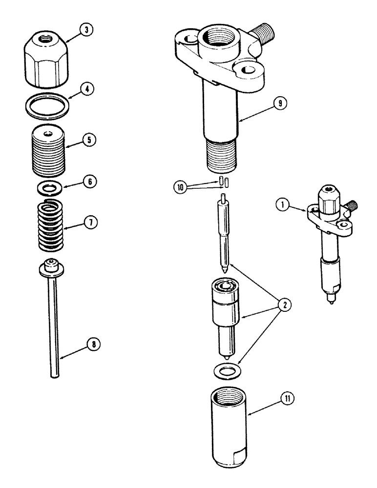
1

K955242

NOZZLE CAP

INJECTOR ASSEMBLY - fuel, Includes: Ref. 2 - 11

1шт.

2

K942176

NOZZLE CAP

NOZZLE ASSEMBLY - injector

1шт.

K955243

NOZZLE CAP

HOLDER ASSEMBLY - injector, Includes: Ref. 3 - 11

1шт.

3

A48010

NUT

- cap, holder (Lucas 7008-902)

1шт.

4

K964148

WASHER

- cap (Lucas NW5-59)

1шт.

5

A48011

NUT

- cap spring (Lucas 7008-599C)

1шт.

6

A48012

SHIM

- spring nut (Lucas 5936-298)

1шт.

7

A48013

SPRING

- spindle (Lucas 7008-253)

1шт.

8

A48014

SPINDLE

- injector (Lucas 7008-49)

1шт.

9

A48015

HOUSING

BODY - injector (Lucas 7008-799A)

1шт.

10

A48016

PIN

DOWEL - nozzle (Lucas 7008-428A)

2шт.

10

A48017

PIN

DOWEL - nozzle (Lucas 7008-428B)

2шт.

10

A48018

PIN

DOWEL - nozzle (Lucas 7008-428C)

2шт.

11

A48019

CAP

- nozzle (Lucas 7008-187)

1шт.

Выбрано товаров: 0