Запчасти Case IH 1490 (F02-1) - REVERSIBLE SHAFT POWER TAKE-OFF (01) - POWER TAKE OFF

Схема запчастей Case IH 1490 - (F02-1) - REVERSIBLE SHAFT POWER TAKE-OFF (01) - POWER TAKE OFF
22
28
1
16
21
34
33
4
17
44
8
38
13
32
30
18
37
12
25
7
45
41
15
43
18
23
6
10
39
5
26
2
14
9
24
11
42
3
36
31
27
29
2
35
19
40
FIT
1:1
100%

Артикул

Название

Примечание

Количество

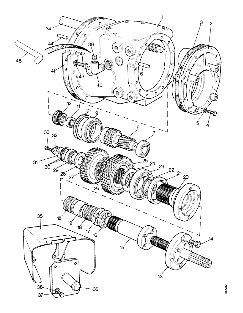
1

K948229

CASE

1шт.

2

K948300

HOUSING

END COVER

1шт.

3

K948396

GASKET,0.25mm Thk

1шт.

4

9635884

BOLT,Hex, 5/16" - 18 1", Full Thd, Gr 5

SETSCREW - 5/16 UNC x 1"

13шт.

5

K19481

SPRING WASHER

WASHER - lock, 5/16"

13шт.

6

K30134

PIN

DOWEL - 1/2 x 1-5/16" (12.7 x 33.338 mm)

1шт.

7

K620046

BEARING

TAPER ROLLER BEARING

1шт.

8

K948384

GEAR

INPUT SHAFT - 21-13 teeth

1шт.

9

K620150

ROLLER

TAPER ROLLER BEARING

1шт.

10

K627406

SHIM,.003" Thk

(0.0762 mm) .003" Thk

1шт.

10

K627407

SHIM,.005" Thk

(0.127 mm) .005" Thk

1шт.

10

K627408

SHIM,.007" Thk

(0.1778 mm) .007" Thk

1шт.

10

K627409

SHIM,.010" Thk

(0.254 mm) .010" Thk

1шт.

11

K19114

BEARING

BALL BEARING

1шт.

12

K946388

GEAR

SLIDING GEAR - dog clutch

1шт.

13

K948393

SHAFT

REVERSIBLE PTO SHAFT - 6-21 splines

1шт.

14

K948397

BOLT

- 1/2 UNF

4шт.

15

K948388

SHAFT

OUTPUT SHAFT - high-speed

1шт.

16

K623464

OIL SEAL

OIL SEAL - 55 mm

1шт.

17

K948395

PLATE

- abutment

1шт.

18

K620146

NEEDLE BEARING

NEEDLE ROLLER BEARING

2шт.

19

K948394

BUSHING

SPACER

1шт.

20

K948387

SHAFT

OUTPUT SHAFT - low-speed

1шт.

21

K623452

SEAL,90mm ID x 110.28mm OD x 11.99mm Thk

OIL SEAL - 90 mm bore

1шт.

22

K948391

RING

WASHER - special

1шт.

23

K620145

TAPERED BEARING,75mm ID x 130mm OD x 33.25mm W

TAPER ROLLER BEARING

1шт.

24

K948392

RING

SPLIT RING - halves

2шт.

25

K948385

GEAR

DRIVEN GEAR - low speed, 50 teeth

1шт.

26

K620147

THRUST BEARING

NEEDLE THRUST BEARING

1шт.

27

K948386

GEAR

DRIVEN GEAR - high speed, 43 teeth

1шт.

28

K948389

WASHER

- special

1шт.

29

K620046

BEARING

TAPER ROLLER BEARING

1шт.

30

K88921

SHIM,.003" Thk

(0.0762 mm) .003" Thk

1шт.

30

K88922

SHIM,.005" Thk

(0.127 mm) .005" Thk

1шт.

30

K88923

SHIM,.007" Thk

(0.1778 mm) .007" Thk

1шт.

30

K88924

SHIM,.010" Thk

(0.254 mm) .010" Thk

1шт.

31

K948390

BEARING

RETAINER

1шт.

32

K626430

WASHER

TABWASHER

1шт.

33

K602883

SCREW,5/16" - 18 x 3/4", Gr V

SETSCREW - 5/16 UNC x 3/4"

3шт.

34

K956320

SHAFT

CARDAN SHAFT

1шт.

35

K948409

GUARD

PTO GUARD

1шт.

36

K955938

GUARD

COVER - PTO shaft

1шт.

37

K603050

SCREW

SETSCREW - 7/16 UNC x 1", Serial Range: -11184412

4шт.

37

K608311

STUD

-7/16 UNC x 2-5/16", Start Serial: 11184412

4шт.

280717

NUT,7/16"-14, G5

4шт.

38

K626344

WASHER, LOCK

7/16"

4шт.

39

K12362

PLUG

- 1" BSP

1шт.

40

K622127

FITTING

ELBOW - oil filler

1шт.

41

K922591

GASKET

- PTO to rear axle case

1шт.

42

K603006

SCREW

SETSCREW - 7/16 x 1-3/8", PTO to rear axle case

12шт.

43

K626344

WASHER, LOCK

WASHER - lock, 7/16", PTO to rear axle case

12шт.

44

K61412

PIN

DOWEL - 7/16 x 1-1/4" (11.112 x 31.75 mm) PTO to rear axle case

1шт.

45

K39426

OPEN END WRENCH

WRENCH - transmission filler plug

1шт.

Выбрано товаров: 53