Запчасти Case IH 1490 (F03-1) - MULTI-SPEED AND SINGLE-SPEED, POWER TAKE-OFF, NOT NORTH AMERICA, MULTI-SPEED PTO, SINGLE SPEED PTO (01) - POWER TAKE OFF

Схема запчастей Case IH 1490 - (F03-1) - MULTI-SPEED AND SINGLE-SPEED, POWER TAKE-OFF, NOT NORTH AMERICA, MULTI-SPEED PTO, SINGLE SPEED PTO (01) - POWER TAKE OFF
22
34
5
23
29
9
6
25
31
24
7
15
20
2
4
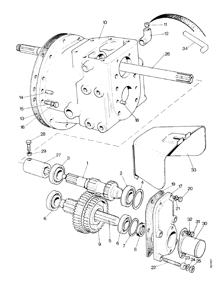
1
10
19
12
3
11
16
17
33
18
27
26
28
32
14
13
8
30
6
21
FIT
1:1
100%

Артикул

Название

Примечание

Количество

1

K202433

SHAFT

INPUT SHAFT (Multi-speed PTO)

1шт.

1

K202437

SHAFT

INPUT SHAFT (Single-speed PTO)

1шт.

2

K690766

TAPERED BEARING

TAPER ROLLER BEARING

1шт.

3

K620046

BEARING

TAPER ROLLER BEARING

1шт.

4

K626976

SHIM,.003" Thk

(0.0762 mm) .003" Thk

1шт.

4

K626977

SHIM,.005" Thk

(0.127 mm) .005" Thk

1шт.

4

K626978

SHIM,.007" Thk

(0.1778 mm) .007" Thk

1шт.

4

K626979

SHIM,.010" Thk

(0.254 mm) .010" Thk

1шт.

4

K626980

SHIM

- 0.028" (0.7112 mm)

1шт.

5

K950122

SHAFT

DRIVEN SHAFT

1шт.

6

K620046

BEARING

TAPER ROLLER BEARING

2шт.

7

K915557

SHIM,53.98mm ID x 64.29mm OD x 0.05mm Thk

(.002") 0.05mm Thk

1шт.

7

K915558

SHIM,53.98mm ID x 64.29mm OD x 0.08mm Thk

(0.003") 0.076mm Thk

1шт.

7

K915559

SHIM,53.98mm ID x 64.29mm OD x 0.13mm Thk

(0.005") 0.127mm Thk

1шт.

7

K915560

SHIM

- 0.010" (0.254 mm)

1шт.

7

K915561

SHIM

- 0.028" (0.7112 mm)

1шт.

8

K15177

OIL SEAL

OIL SEAL - 1-3/8 x 2-1/8 x 3/8" (34.925 x 53.975 x 9.525 mm)

1шт.

9

K202434

GEAR

- 45/38 teeth (Multi-speed PTO)

1шт.

9

K202438

GEAR

- 45 teeth (Single-speed PTO)

1шт.

10

K957151

PTO

CASE

1шт.

11

K12362

PLUG

TAPER PLUG - 1" BSP

1шт.

12

K622127

FITTING

ELBOW - 1" BSP

1шт.

13

K922591

GASKET

1шт.

14

K61412

PIN

DOWEL - 7/16 x 1-1/4" (11.112 x 31.75 mm)

1шт.

15

K603006

SCREW

BOLT - 7/16 UNC x 1-3/8"

12шт.

16

K626344

WASHER, LOCK

WASHER - lock, 7/16"

12шт.

17

K915595

COVER

END COVER

1шт.

18

K25360

PIN

DOWEL - 1/4 x 9/16" (6.35 x 14.288 mm)

2шт.

19

K924217

GASKET

1шт.

20

9635884

BOLT,Hex, 5/16" - 18 1", Full Thd, Gr 5

SETSCREW - 5/16 UNC x 1"

2шт.

21

K19481

SPRING WASHER

WASHER - lock, 5/16"

2шт.

22

K608311

STUD

- 7/16 UNC x 2-5/16"

4шт.

22

K907546

STUD

- 7/16 UNC x 3-3/8", high hitch drawbar (Multi-speed PTO)

4шт.

23

K627060

BUSHING

SPACER - high hitch drawbar (Multi-speed PTO)

4шт.

24

K626344

WASHER, LOCK

WASHER - lock, 7/16"

4шт.

25

280717

NUT,7/16"-14, G5

4шт.

26

K915583

PTO

CARDAN SHAFT

1шт.

27

K89181

COUPLING, BREAK AWAY

COUPLING

1шт.

28

K600009

BOLT

- 1/4 UNC x 1-7/8"

1шт.

29

K607300

NUT

- 1/4 UNC, self-locking

1шт.

30

K909111

COVER

- PTO shaft

1шт.

31

K602840

SCREW

SETSCREW - 5/16 UNC x 1/2"

2шт.

32

K626682

WASHER

- lock, 5/16"

2шт.

33

K906893

GUARD

- PTO shaft

1шт.

34

K39426

OPEN END WRENCH

WRENCH - transmission filler plug

1шт.

Выбрано товаров: 45