Запчасти Case IH 1490 (D12-1) - DIFFERENTIAL LOCK, HIGH PLATFORM, CAB MODEL (03) - POWER TRAIN

Схема запчастей Case IH 1490 - (D12-1) - DIFFERENTIAL LOCK, HIGH PLATFORM, CAB MODEL (03) - POWER TRAIN
17
18
6
20
23
3
26
19
12
5
4
24
7
14
6
28
1
7
8
27
21
8
25
16
10
4
2
15
13
9
22
5
11
FIT
1:1
100%

Артикул

Название

Примечание

Количество

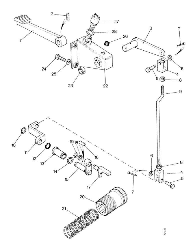
1

K202528

PEDAL

- differential lock

1шт.

2

38-32022

PIN,5/16" x 1 3/8", Coiled

- 5/16 x 1-1/2" (7.938 x 38.1 mm) (Replaces K623775)

1шт.

3

K202593

LEVER

-, Serial Range: pedal-rod

1шт.

4

K202301

FORK

- rod end

2шт.

5

K69984

SPLIT PIN/SAFETY PIN

CLEVIS PIN - fork

2шт.

6

K19472

WASHER

- 3/8" (9.525 mm)

2шт.

7

K623607

PIN

- cotter

2шт.

8

280136

NUT,3/8"-16, G8

2шт.

9

K202596

ROD

1шт.

10

K11797

RING, SNAP

RING - snap, shaft and arm

1шт.

11

K202533

LOCK

LEVER

1шт.

12

K24676

O-RING,0.103" Thk x 0.612" ID, -114, Cl 6, 90 Duro

- 5/8" (15.875 mm) internal diameter

1шт.

13

K903494

BUSHING

- axle case

1шт.

14

K34454

RING, SNAP

RING - snap, bushing, 7/8" (22.225 mm) external

1шт.

15

K903197

SHAFT

AND ARM

1шт.

16

K622309

KEY

- 3/16 x 5/32 x 3/4" (4.762 x 3.969 x 19.05 mm)

1шт.

17

K903226

SELECTOR

FORK

1шт.

18

K626674

WASHER

SPECIAL - 1/2" (12.7 mm)

1шт.

19

K11302

RING, SNAP

RING - snap, 1/2" (12.7 mm) external

1шт.

20

K903191

SLEEVE

LOCKING SLEEVE

1шт.

21

K625119

SPRING

RETURN SPRING

1шт.

22

K202518

BRACKET

- pedal support

1шт.

23

K628754

BUSHING

- bracket

2шт.

24

K602845

BOLT,Hex Hd, 5/16"-18 x 3/4"

SETSCREW - 5/16 UNC x 3/4"

4шт.

25

K19481

SPRING WASHER

WASHER - lock, 5/16"

4шт.

26

K627742

GROMMET

2шт.

27

K929737

SWITCH ASSY

SWITCH - warning lamp, early tractors

1шт.

28

K19476

WASHER

- warning switch, early tractors

1шт.

Выбрано товаров: 0