Запчасти Case IH 1490 (D13-1) - GEAR SHIFT LEVERS, SYNCHROMESH TRACTOR, LOW PROFILE (03) - POWER TRAIN

Схема запчастей Case IH 1490 - (D13-1) - GEAR SHIFT LEVERS, SYNCHROMESH TRACTOR, LOW PROFILE (03) - POWER TRAIN
12
26
13
10
28
29
16
6
27
24
24
17
21
15
1
18
8
19
23
22
11
20
31
5
34
7
9
21
3
2
25
33
35
14
4
18
32
30
FIT
1:1
100%

Артикул

Название

Примечание

Количество

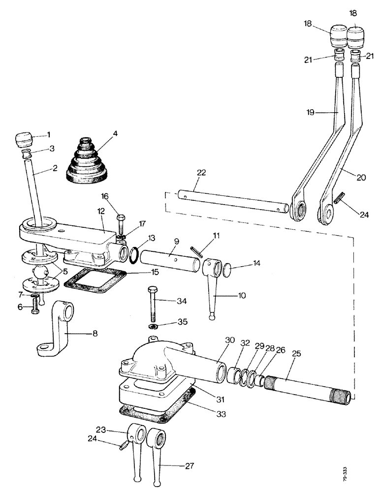
1

K200552

KNOB

- gear lever

1шт.

2

K206288

LEVER

GEAR LEVER - 1-2-3 and reverse (Replaces K200196)

1шт.

3

K628472

RING

- retaining

1шт.

4

K950494

RUBBER

BOOT - rubber

1шт.

5

K200162

SPACER

HOUSING - ball

2шт.

6

K602739

SCREW

SETSCREW - 1/4 UNC x 1-1/8"

4шт.

7

K626341

SPRING WASHER

WASHER - lock, 1/4"

4шт.

8

K200161

LEVER

ARM - lever

1шт.

9

K200160

SHAFT

- selector

1шт.

10

K202078

SELECTOR

LEVER - selector

1шт.

11

K623778

PIN, GROOVED

PIN - 5/16 x 1-1/2" (7.938 x 38.1 mm)

2шт.

12

K200159

GEAR

HOUSING - lever

1шт.

13

K623630

SEAL

O-RING - 7/8" (22.225 mm) internal diameter

1шт.

14

K623810

PLUG

CORE PLUG - 1" (25.4 mm) diameter

1шт.

15

K950543

GASKET,0.2mm Thk

- housing

1шт.

16

9635884

BOLT,Hex, 5/16" - 18 1", Full Thd, Gr 5

- 5/16 UNC x 1-1/2"

4шт.

17

K19481

SPRING WASHER

WASHER - lock, 5/16"

4шт.

18

K200239

BUTTON

KNOB - range levers

2шт.

19

K202255

LEVER

HAND LEVER - high-low range

1шт.

20

K202257

LEVER

HAND LEVER - slow-normal range

1шт.

21

K628472

RING

- retaining

2шт.

22

K200198

SHAFT

SELECTOR SHAFT - slow-normal range

1шт.

23

K950370

SELECTOR

LEVER - slow-normal range

1шт.

24

K623726

PIN

- 1/4 x 1-1/2" (6.35 x 38.1 mm) slow-normal range

2шт.

25

K200199

SHAFT

SELECTOR TUBE - high-low range

1шт.

26

K621303

BUSHING

- high-low range

2шт.

27

K950371

SELECTOR

LEVER - high-low range

1шт.

28

K950002

BUSHING

WASHER - 1" (25.4 mm) external, high-low range

2шт.

29

K11128

CIRCLIP

RING - snap, 1" (25.4 mm) external, high-low range

2шт.

30

K950000

HOUSING

- selector

1шт.

31

K950754

BUSHING

SPACER - housing

1шт.

32

K628750

BUSHING

- housing shaft

1шт.

33

K950543

GASKET,0.2mm Thk

- housing

1шт.

34

K600217

BOLT

- 5/16 UNC x 3"

4шт.

35

K19481

SPRING WASHER

WASHER - lock, 5/16

4шт.

Выбрано товаров: 35