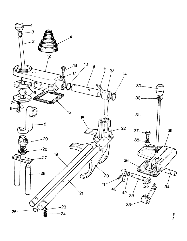
Запчасти Case IH 1490 (D16-1) - GEAR SHIFT LEVERS, POWER SHIFT TRACTOR, LOW PROFILE (03) - POWER TRAIN

Схема запчастей Case IH 1490 - (D16-1) - GEAR SHIFT LEVERS, POWER SHIFT TRACTOR, LOW PROFILE (03) - POWER TRAIN
32
21
24
35
2
1
15
16
14
41
12
29
38
8
9
40
26
34
11
22
5
18
37
7
17
23
28
6
4
19
13
10
33
39
3
42
27
30
25
20
31
36
FIT
1:1
100%

Артикул

Название

Примечание

Количество

1

K200553

KNOB

- lever

1шт.

2

K206288

LEVER

- range (Replaces K200196)

1шт.

3

K628472

RING

- retaining

1шт.

4

K950494

RUBBER

BOOT - rubber

1шт.

5

K200162

SPACER

HOUSING - ball

2шт.

6

K602739

SCREW

SETSCREW - 1/4 UNC x 1-1/8"

4шт.

7

K626341

SPRING WASHER

WASHER - lock, 1/4"

4шт.

8

K200161

LEVER

ARM - lever

1шт.

9

K200160

SHAFT

- selector

1шт.

10

K202079

SELECTOR

LEVER - selector

1шт.

11

K623778

PIN, GROOVED

PIN - roll, 5/16 x 1-1/2" (7.938 x 38.1 mm)

2шт.

12

K200159

GEAR

HOUSING - lever

1шт.

13

K623630

SEAL

O-RING - 7/8" (22.225 mm) internal diameter

1шт.

14

K623810

PLUG

CORE PLUG - 1" (25.4 mm) diameter

1шт.

15

K950543

GASKET,0.2mm Thk

- housing to gearbox cover

1шт.

16

9635884

BOLT,Hex, 5/16" - 18 1", Full Thd, Gr 5

- 5/16 UNC x 1-1/2", housing to gearbox cover

4шт.

17

K626345

LOCK WASHER

WASHER - lock, 5/16", housing to gearbox cover

4шт.

18

K917217

SELECTOR

FORK - first and third range

1шт.

19

K917216

SELECTOR

ROD - first and third range

1шт.

20

K917219

SELECTOR

FORK - second and reverse range

1шт.

21

K917218

SELECTOR

ROD - second and reverse range

1шт.

22

K623887

PIN,5.21mm OD x 25.4mm L

- 3/16 x 1" (4.762 x 25.4 mm)

2шт.

23

K13506

BALL

STEEL BALL - 3/8" (9.525 mm)

4шт.

24

K13507

SPRING

- return

2шт.

25

K30430

LOCKING DEVICE

LOCK - gear

1шт.

26

K945208

PLUNGER

- lever arm

1шт.

27

K945204

PLUNGER

- lever

1шт.

28

K626895

SHIM,.002" Thk

(0.0508 mm) .002" Thk

1шт.

28

K626858

SHIM,.005" Thk

(0.127 mm) .005" Thk

1шт.

28

K626894

SHIM,.010" Thk

(0.254 mm) .010" Thk

1шт.

29

K200652

NEUTRAL START SWITCH

SAFETY SWITCH - starter

1шт.

30

K950493

KNOB

- lever

1шт.

31

K203004

GEAR

LEVER - power shift

1шт.

32

87016560

JAM NUT,Jam, 3/8"-16, G5

LOCKNUT - 3/8" UNC

1шт.

33

K301296

LEVER

- inner

1шт.

34

K203003

PIN

- pivot

1шт.

35

K203577

SELECTOR

HOUSING - lever

1шт.

36

K202121

GASKET

- housing to gearbox cover

1шт.

37

K602883

SCREW,5/16" - 18 x 3/4", Gr V

SETSCREW - 5/16 UNC x 3/4", housing to gearbox cover

4шт.

38

K19481

SPRING WASHER

WASHER - lock, 5/16" housing to gearbox cover

4шт.

39

K301293

SHAFT

SPINDLE AND ARM - power shift

1шт.

40

K201835

SELECTOR

LEVER - spool valve

1шт.

41

K623729

PIN

- 3/16 x 3/4" (4.762 x 19.05 mm)

1шт.

42

K24554

O-RING

- 3/8" (9.525 mm)

1шт.

Выбрано товаров: 44