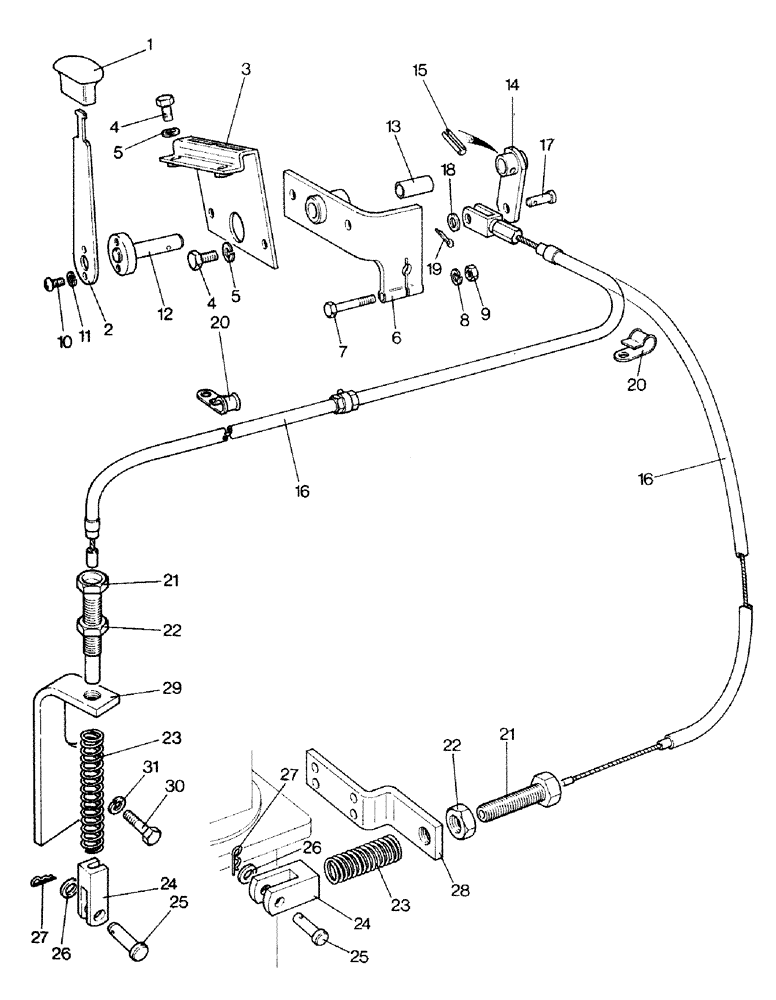
Запчасти Case IH 1490 (D19-1) - ENGAGEMENT LEVER, MFD TRACTORS, LOW PROFILE (03) - POWER TRAIN

Схема запчастей Case IH 1490 - (D19-1) - ENGAGEMENT LEVER, MFD TRACTORS, LOW PROFILE (03) - POWER TRAIN
27
5
16
17
3
4
16
30
23
2
25
9
24
4
11
6
19
20
28
29
5
13
23
24
14
21
26
18
22
27
31
15
26
21
1
25
20
10
8
12
22
7
FIT
1:1
100%

Артикул

Название

Примечание

Количество

1

K901738

KNOB

- hand lever

1шт.

2

K952264

LEVER

HAND LEVER

1шт.

3

K202676

PLATE

BRACKET

1шт.

4

120104

BOLT,Hex, M8 x 1.25 x 20mm, Cl 8.8

SETSCREW - M8 x 20

4шт.

5

K651848

WASHER

- lock, 8 mm

4шт.

6

K202792

PIN

SUPPORT BRACKET - hand lever

1шт.

7

K600154

BOLT

- 1/4 UNC x 1-3/4"

1шт.

8

K626341

SPRING WASHER

WASHER - lock, 1/4"

1шт.

9

K607043

NUT

- 1/4 UNC

1шт.

10

K605632

SCREW

- 1/4 UNC x 3/8"

2шт.

11

K626341

SPRING WASHER

WASHER - lock, 1/4"

2шт.

12

K952257

SHAFT

- hand lever

1шт.

13

K628759

BUSHING

2шт.

14

K202801

LEVER

OPERATING LEVER

1шт.

15

K623740

SPLIT PIN/SAFETY PIN

PIN - 3/16 x 7/8" (4.762 x 22.225 mm)

1шт.

16

K200983

CABLE

- inner and outer

1шт.

17

K625941

PIN

CLEVIS PIN - 5/16 x 7/8" (7.938 x 22.225 mm)

1шт.

18

K626682

WASHER

- 5/16" (7.938 mm)

1шт.

19

K19528

PIN

- cotter 3/32 x 3/4" (2.381 x 19.05 mm)

1шт.

20

K15518

CLAMP

CLIP

1шт.

21

K200610

NUT

ADJUSTER - 5/8 UNC

1шт.

22

425-1410

JAM NUT,Jam, 5/8"-11, G5

LOCKNUT - 5/8 UNC

1шт.

23

K625098

SPRING

RETURN SPRING

1шт.

24

K622207

FORK

END

1шт.

25

K69984

SPLIT PIN/SAFETY PIN

CLEVIS PIN - 3/8 x 1-5/16" (9.525 x 33.338 mm)

1шт.

26

K19472

WASHER

- 3/8" (9.525 mm)

1шт.

27

K950865

CLIP

PIN - cotter

1шт.

28

K300879

BRACKET

- cable adjuster (David Brown axle)

1шт.

29

K202707

BRACKET

- cable adjuster (Carraro axle) not North America

1шт.

30

K650643

BOLT

- M8 x 25, not North America

2шт.

31

K651848

WASHER

- lock, 8 mm, not North America

2шт.

Выбрано товаров: 31