Запчасти Case IH 1490 (E02-3) - ROTATED FINAL DRIVE HOUSING RELATED PARTS, LOW PROFILE SPECIAL (05) - REAR AXLE

Схема запчастей Case IH 1490 - (E02-3) - ROTATED FINAL DRIVE HOUSING RELATED PARTS, LOW PROFILE SPECIAL (05) - REAR AXLE
26
5
28
25
11
4
8
14
18
27
2
12
19
3
20
19
13
24
15
9
10
1
FIT
1:1
100%

Артикул

Название

Примечание

Количество

1

REF

INSTRUCTION

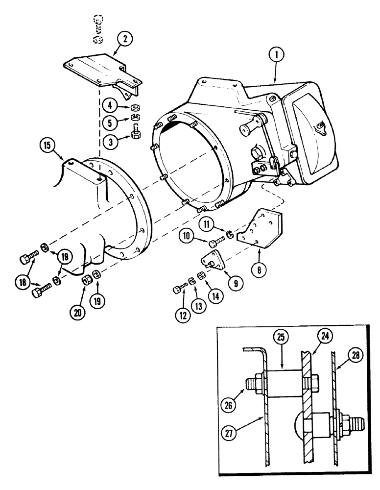
HOUSING - final drive (Right-hand shown) (See Figure E2-1)

1шт.

2

A164461

SUPPORT ASSY.

SUPPORT - operator platform, right-hand (Shown)

1шт.

2

A164462

SUPPORT ASSY.

SUPPORT - operator platform, left-hand

1шт.

3

113-208

BOLT,Hex, 3/8" - 16 x 1-1/4", Gr 5

2шт.

4

95-6

WASHER,3/8"

- flat, 3/8"

2шт.

5

92-6

LOCK WASHER,3/8"

2шт.

8

A164855

SUPPORT ASSY.

SUPPORT - bracket, stabilizer

2шт.

9

REF

INSTRUCTION

BRACKET - stabilizer (See Figure L4-1)

2шт.

10

113-607

BOLT,Hex, 5/8" - 11 x 1-1/2", Gr 5, Full Thd

- 5/8 x 1-3/8" NC hex

6шт.

11

192-25

LOCK WASHER,5/8"

WASHER, LOCK, 5/8"

6шт.

12

13-604

BOLT - 5/8 x 2" NC hex

6шт.

13

92-10

LOCK WASHER,5/8"

WASHER, LOCK, 5/8"

6шт.

14

129-107

NUT,5/8"-11, G5

6шт.

15

REF

INSTRUCTION

CASE - rear axle (See Figure E1-1)

1шт.

18

26-828

BOLT,Hex, 1/2" - 13 x 1-3/4", Gr 8

- 1/2 x 1-2/4" NC hex

2шт.

19

196-15

WASHER,17/32" x 1 1/6" x .134"

- flat, 1/2" hardened

20шт.

20

129-184

NUT,1/2"-13, G8

- 1/2" NC hex

20шт.

24

A165439

FITTING

ADAPTER - fender

2шт.

25

A164843

SPACER

- adapter, 1"

12шт.

26

814-8045

BOLT,Hex, M8 x 1.25 x 45mm, Cl 8.8

12шт.

27

REF

INSTRUCTION

COVER - rear axle (See Figure N5-1)

1шт.

28

K206232

FENDER

- rear, RH

1шт.

28

K206231

FENDER

- rear, LH

1шт.

Выбрано товаров: 0