Запчасти Case IH 1494 (6-198) - GEARBOX HOUSING, REAR, POWER SHIFT (06) - POWER TRAIN

Схема запчастей Case IH 1494 - (6-198) - GEARBOX HOUSING, REAR, POWER SHIFT (06) - POWER TRAIN
9
7
8
4
13
15
16
2
11
10
3
1
6
17
5
14
12
FIT
1:1
100%

Артикул

Название

Примечание

Количество

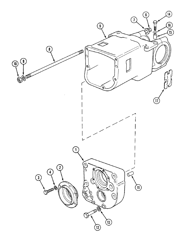
1

K940299

PLATE

end, center, two wheel drive

1шт.

1

K952975

PLATE

end, center, MFD

1шт.

2

K955333

HOUSING, BEARING

HOUSING center plate, two wheel drive, Replaces: K928480

1шт.

2

K955333

HOUSING, BEARING

HOUSING center plate, MFD

1шт.

3

413-618

BOLT,Hex, 3/8" - 16 x 1-1/8", Gr 5

6шт.

4

492-11038

LOCK WASHER,3/8"

6шт.

5

K200444

PLATE

HOUSING ASSEMBLY range gearbox, with bearing caps, Includes: Ref. 6 & 7

1шт.

6

K601242

BOLT

5/8 UNC x 3-3/4 inch, order 26-1060

4шт.

7

K626389

BEARING WASHER

WASHER tab

4шт.

8

K608410

STUD

1/2 UNC x 17-5/8 inch

4шт.

9

K19484

LOCK WASHER

WASHER lock, 1/2 inch, order 492-11050

4шт.

10

K607004

NUT

hex, 1/2 inch UNC, order 425-108

4шт.

11

K622912

PIN

DOWEL, 3/8 x 7/8 inch

2шт.

12

413-652

BOLT,Hex, 3/8" - 16 x 3-1/4", Gr 5

- hex, 3/8 NC x 3-1/4 inch

1шт.

12

K600410

BOLT

3/8 UNC x 2-1/4 inch, order 413-636

1шт.

13

492-11038

LOCK WASHER,3/8"

1шт.

14

K601306

BOLT

5/8 inch UNC, special

2шт.

15

K920656

BUSHING

BUSHING

2шт.

16

K626239

SHIM,.010" Thk

(0.254 mm) .010" Thk

1шт.

17

K947189

COVER

PLATE cover

1шт.

Выбрано товаров: 20