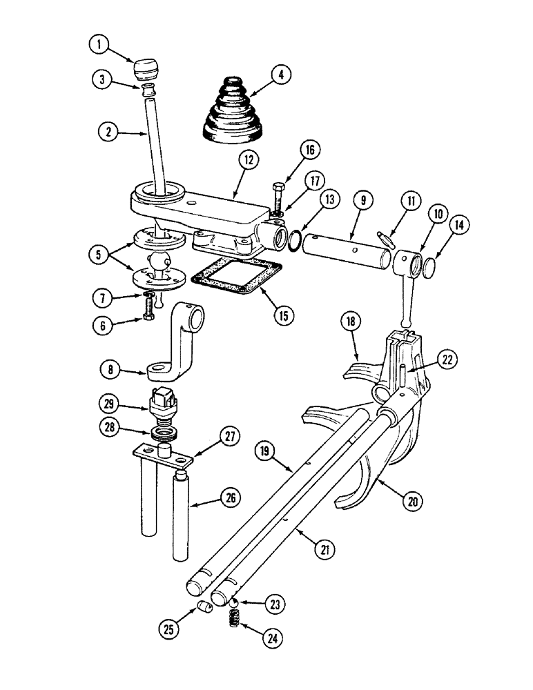
Запчасти Case IH 1494 (6-200) - RANGE SHIFT LEVER, POWER SHIFT, TRACTORS WITHOUT CAB (06) - POWER TRAIN

Схема запчастей Case IH 1494 - (6-200) - RANGE SHIFT LEVER, POWER SHIFT, TRACTORS WITHOUT CAB (06) - POWER TRAIN
18
12
16
3
13
26
2
17
7
21
14
8
29
19
24
25
1
22
4
27
11
28
23
15
20
10
9
6
5
FIT
1:1
100%

Артикул

Название

Примечание

Количество

1

K200553

KNOB

lever

1шт.

2

K206925

LEVER

gear

1шт.

3

K628472

RING

retaining

1шт.

4

K950494

RUBBER

BOOT rubber

1шт.

5

K200162

SPACER

HOUSING ball

2шт.

6

K966404

SCREW

BOLT, 1/4 UNC x 1-1/8 inch

4шт.

7

492-11025

LOCK WASHER,1/4"

WASHER, LOCK, 1/4"

4шт.

8

K200161

LEVER

ARM lever

1шт.

9

K200160

SHAFT

selector

1шт.

10

K202079

SELECTOR

LEVER selector

1шт.

11

617938R1

PIN,5/16" x 1 3/8", Coiled

2шт.

12

K200159

GEAR

HOUSING selector shaft

1шт.

13

K623630

SEAL

oil, 7/8 inch, 22 mm, ID

1шт.

14

41-16

PLUG,Exp, 1"

expansion, housing

1шт.

15

K950543

GASKET,0.2mm Thk

housing, to gearbox cover

1шт.

16

K600205

BOLT

5/16 UNC x 1-1/2 inch, housing to gearbox cover, order 413-524

4шт.

17

K19481

SPRING WASHER

WASHER lock, 5/16 inch, housing to gearbox cover, order 492-11031

4шт.

18

K917217

SELECTOR

FORK selector, first and third range

1шт.

19

K917216

SELECTOR

ROD selector, first and third range

1шт.

20

K917219

SELECTOR

FORK selector, second and reverse range

1шт.

21

K917218

SELECTOR

ROD selector, second and reverse range

1шт.

22

K623887

PIN,5.21mm OD x 25.4mm L

roll, 3/16 x 1 inch

2шт.

23

211-1012

BALL,3/8" Dia

chrome alloy steel, 3/8 inch, grade 24

4шт.

24

K13507

SPRING

return

2шт.

25

K30430

LOCKING DEVICE

LOCK gear

1шт.

26

K945208

PLUNGER

lever arm

1шт.

27

K945204

PLUNGER

lever

1шт.

28

K626895

SHIM,.002" Thk

(0.05 mm) .002" Thk

1шт.

28

K626858

SHIM,.005" Thk

(0.13 mm) .005" Thk

1шт.

28

K626894

SHIM,.010" Thk

(0.25 mm) .010" Thk

1шт.

29

K262714

SWITCH

safety, starter

1шт.

Выбрано товаров: 31