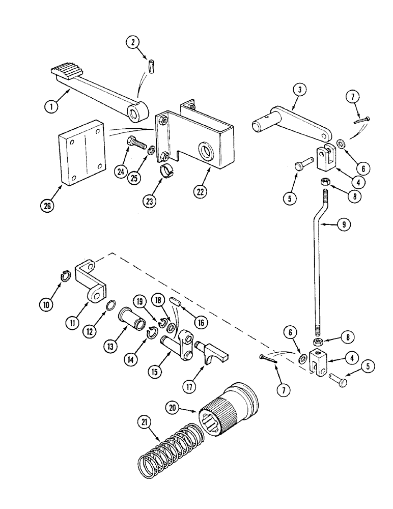
Запчасти Case IH 1494 (6-222) - DIFFERENTIAL LOCK, TRACTORS WITH CAB (06) - POWER TRAIN

Схема запчастей Case IH 1494 - (6-222) - DIFFERENTIAL LOCK, TRACTORS WITH CAB (06) - POWER TRAIN
4
6
11
9
22
23
20
10
15
12
26
19
14
25
5
2
5
3
24
1
7
7
16
4
8
13
18
8
21
17
6
FIT
1:1
100%

Артикул

Название

Примечание

Количество

1

K202528

PEDAL

differential lock

1шт.

2

38-32022

PIN,5/16" x 1 3/8", Coiled

1шт.

3

K207131

LEVER

, Serial Range: pedal-rod

1шт.

4

K202301

FORK

rod end, 3/8 inch UNC

2шт.

5

K950269

PIN

pivot, order also K621562 Circlip

2шт.

6

K19472

WASHER

flat, 3/8 inch, 10 mm

2шт.

7

132-380

COTTER PIN,3/32" x 3/4"

Pin, Split (Cotter), 3/32" x 3/4"

2шт.

8

425-106

NUT,3/8"-16, Cl 5

2шт.

9

K202596

ROD

1шт.

10

K11797

RING, SNAP

RING snap

1шт.

11

K306740

LEVER

rod

1шт.

12

238-6114

O-RING,0.103" Thk x 0.612" ID, -114, Cl 6, 90 Duro

1шт.

13

K903494

BUSHING

rear axle housing

1шт.

14

K34454

RING, SNAP

RING snap, 7/8 inch, 22 mm, external

1шт.

15

K903197

SHAFT

AND ARM sleeve

1шт.

16

K622309

KEY

3/16 x 5/32 x 3/4 inch

1шт.

17

K903226

SELECTOR

FORK selector

1шт.

18

K626674

WASHER

1/2 inch, 13 mm, special

1шт.

19

K11302

RING, SNAP

RING snap, 1/2 inch, 13 mm, external

1шт.

20

K903191

SLEEVE

locking

1шт.

21

K625119

SPRING

return

1шт.

22

K307051

BRACKET

pedal support

1шт.

23

K628754

BUSHING

bracket

2шт.

24

614-8020

BOLT,Hex, M8 x 1.25 x 20mm

hex, full threads, 8 - 1.25 x 20 mm

4шт.

25

892-11008

LOCK WASHER,8mm ID

WASHER, LOCK, M8

4шт.

26

K307057

FOAM

SEAL, Serial Range: bracket-cab

1шт.

Выбрано товаров: 26