Запчасти Case IH 1494 (6-258) - POWER TAKE-OFF, MULTI-SPEED, NOT NORTH AMERICA (06) - POWER TRAIN

Схема запчастей Case IH 1494 - (6-258) - POWER TAKE-OFF, MULTI-SPEED, NOT NORTH AMERICA (06) - POWER TRAIN
3
18
25
4
20
22
13
16
6
27
31
26
15
14
2
19
1
30
5
29
7
20
6
11
24
28
9
21
10
12
23
8
17
FIT
1:1
100%

Артикул

Название

Примечание

Количество

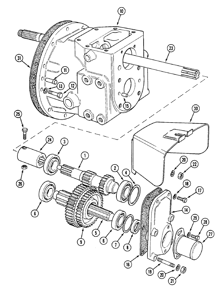
1

K202433

SHAFT

drive, multi-speed PTO

1шт.

2

K690766

TAPERED BEARING

BEARING roller, tapered

1шт.

3

REF

INSTRUCTION

BEARING roller, tapered, North America order G57451 and G57452

1шт.

4

K626976

SHIM,.003" Thk

(0.08 mm) .003" Thk

1шт.

4

K626977

SHIM,.005" Thk

(0.13 mm) .005" Thk

1шт.

4

K626978

SHIM,.007" Thk

(0.18 mm) .007" Thk

1шт.

4

K626979

SHIM,.010" Thk

(0.25 mm) .010" Thk

1шт.

4

K626980

SHIM

0.028 inch, 0.71 mm

1шт.

5

K950122

SHAFT

driven

1шт.

6

REF

INSTRUCTION

BEARING roller, tapered, North America order G57451 and G57452

2шт.

7

K915557

SHIM,53.98mm ID x 64.29mm OD x 0.05mm Thk

(.002") 0.05mm Thk

1шт.

7

K915558

SHIM,53.98mm ID x 64.29mm OD x 0.08mm Thk

(0.003") 0.076mm Thk

1шт.

7

K915559

SHIM,53.98mm ID x 64.29mm OD x 0.13mm Thk

(0.005") 0.127mm Thk

1шт.

7

K915560

SHIM

0.010 inch, 0.25 mm

1шт.

7

K915561

SHIM

0.028 inch, 0.71 mm

1шт.

8

K15177

OIL SEAL

oil

1шт.

9

K202434

GEAR

38:45 teeth

1шт.

10

K948930

CASE

HOUSING PTO, Replaces: K957171

1шт.

11

K61412

PIN

DOWEL, PTO to axle case, 7/16 x 1-1/4 inch, 11 x 32 mm

1шт.

12

K603006

SCREW

BOLT, 7/16 UNC x 1-3/8 inch

12шт.

13

492-11044

LOCK WASHER,7/16"

WASHER, LOCK, 7/16"

12шт.

14

K915595

COVER

end

1шт.

15

K25360

PIN

2шт.

16

K924217

GASKET

end cover

1шт.

17

9635884

BOLT,Hex, 5/16" - 18 1", Full Thd, Gr 5

2шт.

18

K19481

SPRING WASHER

WASHER lock, 5/16 inch

2шт.

19

K608311

STUD

7/16 UNC x 2-5/16 inch

4шт.

20

492-11044

LOCK WASHER,7/16"

WASHER, LOCK, 7/16"

4шт.

21

280717

NUT,7/16"-14, G5

4шт.

22

280717

NUT,7/16"-14, G5

4шт.

23

K915583

PTO

SHAFT cardan

1шт.

24

K89181

COUPLING, BREAK AWAY

COUPLING shaft

1шт.

25

13-430

BOLT,Hex, 1/4" - 20 x 1-7/8", Gr 5

1/4 x 1-7/8 inch

1шт.

26

K607440

NUT

self locking, 1/4 inch UNC

1шт.

27

K909111

COVER

PTO shaft

1шт.

28

K602840

SCREW

BOLT, 5/16 UNC x 1/2 inch

2шт.

29

K626682

WASHER

lever pin, 5/16 inch, 8 mm

2шт.

30

K906893

GUARD

PTO

1шт.

31

K205398

GASKET

plate to rear axle housing and PTO unit

1шт.

Выбрано товаров: 39