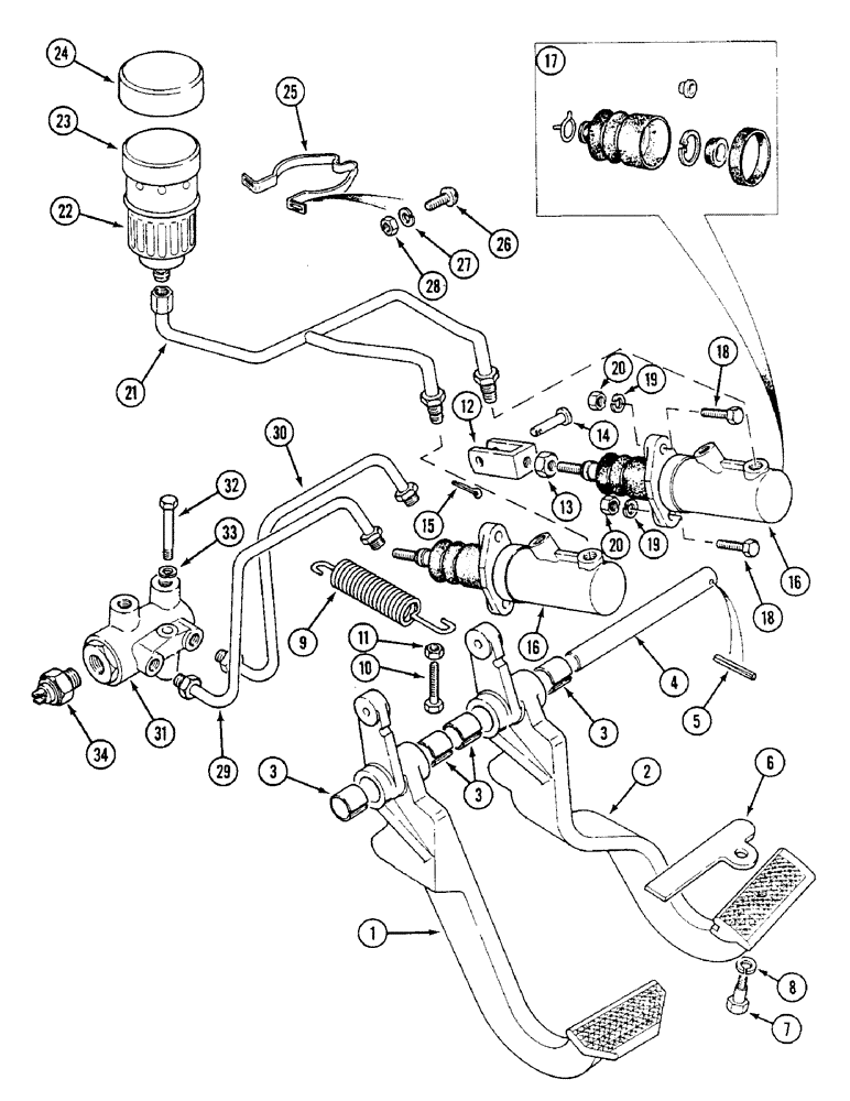
Запчасти Case IH 1494 (7-260) - BRAKE PEDALS AND MASTER CYLINDERS, TRACTORS WITHOUT CAB, PRIOR TO P.I.N. 11519691 (07) - BRAKES

Схема запчастей Case IH 1494 - (7-260) - BRAKE PEDALS AND MASTER CYLINDERS, TRACTORS WITHOUT CAB, PRIOR TO P.I.N. 11519691 (07) - BRAKES
28
16
31
16
20
30
24
11
9
3
19
29
12
5
32
34
21
25
26
6
2
27
23
19
33
3
20
8
18
15
22
14
18
17
10
4
7
3
1
13
FIT
1:1
100%

Артикул

Название

Примечание

Количество

1

K260512

BRAKE

PEDAL brake, left-hand, Includes: Ref. 3

1шт.

2

K260511

BRAKE

PEDAL brake, right-hand, Includes: Ref. 3

1шт.

3

K628764

BUSHING

pivot

4шт.

4

K202055

PIN

pivot

1шт.

5

K19552

GROOVED PIN,1/8" x 1 1/8", Type A

Pin, Grooved, 1/8" x 1 1/8", Type A

1шт.

6

K948974

LATCH

PLATE locating, pedals

1шт.

7

K600500

SCREW

BOLT, special

1шт.

8

K626700

WASHER

lock

1шт.

9

K624971

SPRING

return

2шт.

10

K650645

BOLT

M8 x 35 mm

1шт.

11

43362

NUT,M8 x 1.25, Cl 10

M8, Cl 10

1шт.

12

K622205

FORK

END fork, 5/16 inch UNF

2шт.

13

425-115

NUT,5/16"-24, G5

lock, 5/16 inch UNF

2шт.

14

K625954

PIN

clevis, 5/16 x 1-3/16 inch

2шт.

15

K19528

PIN

cotter, 1/16 x 1/2 inch

2шт.

16

K950544

CYLINDER,36.32mm Stroke

ASSEMBLY master, Girling 73067017, Includes: Ref. 17

2шт.

17

K964572

SEAL KIT

SEAL KIT master cylinder

2шт.

18

614-8025

BOLT,Hex, M8 x 1.25 x 25mm, Cl 8.8, Full Thd

hex, full threads, 8 - 1.25 x 25 mm

2шт.

18

K655645

BOLT

SCREW, M8 x 16 mm

2шт.

19

892-11008

LOCK WASHER,8mm ID

WASHER, LOCK, M8

4шт.

20

43362

NUT,M8 x 1.25, Cl 10

M8, Cl 10

2шт.

21

K302630

PIPE

TUBE, reservoir to master cylinders

1шт.

22

K951526

RESERVOIR

brake, Includes: Ref. 23 & 24

1шт.

23

K964488

CAP

filler, reservoir

1шт.

24

K964813

COVER

green

1шт.

25

K200671

SPRING

CLAMP reservoir

1шт.

26

490-1108

SCREW,Cross Pan Hd, #10-32 x 1/2"

machine, pan Phillips, No. 10 NF x 1/2 inch

1шт.

27

K626340

RING

WASHER lock, 10

1шт.

28

225-14210

NUT,#10-32

1шт.

29

K304243

BRAKE

TUBE, master cylinder to balance valve, left-hand

1шт.

30

K304242

BRAKE

TUBE, master cylinder to balance valve, right-hand

1шт.

31

K957107

VALVE

brake balance, Girling 73067064

1шт.

32

K650636

BOLT

M6 x 50 mm, balance, Serial Range: valve-bracket

2шт.

33

892-11006

LOCK WASHER,M6

WASHER, LOCK, M6

2шт.

34

K951976

LIGHT SWITCH

SWITCH stop lamps, Lucas 30874A

1шт.

Выбрано товаров: 35