Запчасти Case IH 1494 (2-008) - AIR CLEANER (02) - ENGINE

Схема запчастей Case IH 1494 - (2-008) - AIR CLEANER (02) - ENGINE
10
16
8
7
14
30
6
13
1
31
2
22
25
11
5
17
19
21
18
12
20
4
24
3
9
23
15
26
FIT
1:1
100%

Артикул

Название

Примечание

Количество

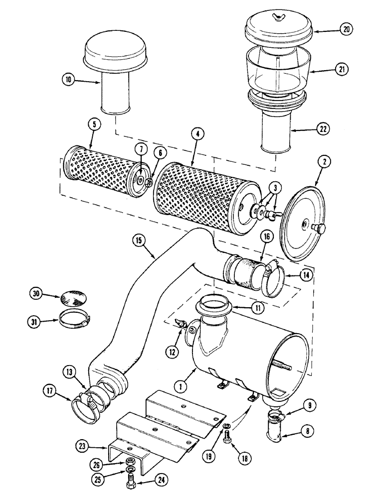
1

K200688

CLEANER

AIR CLEANER engine, through hood inlet, Includes: Ref. 2 - 9

1шт.

1

K308827

CLEANER

AIR CLEANER engine, under hood inlet, Includes: Ref. 2 - 9

1шт.

2

K964888

PLATE

end

1шт.

3

K964887

NUT

WING NUT AND WASHERS element

1шт.

4

K945043

AIR FILTER

ELEMENT main

1шт.

5

K952344

AIR FILTER

ELEMENT safety

1шт.

6

K951725

NUT

M10

1шт.

7

K964631

WASHER

nylon, inner element

1шт.

8

K945042

VALVE

dust

1шт.

9

K622099

CLIP

CLAMP hose, 1-1/8 inch, 29 mm

1шт.

10

K945046

PRECLEANER

CAP stack, air

1шт.

11

K947899

SEAL

engine cover

1шт.

12

K330060

SWITCH

vacuum, Replaces: K206667

1шт.

13

K626815

HOSE

2-3/8 x 1-1/2 inch, 60 x 38 mm

1шт.

14

214-1448

HOSE CLAMP,#48, 2.56" - 3.5", Type F Worm

CLAMP adj, 2-9/16 - 3-1/2 inch dia

2шт.

15

K205570

LARGE HOSE

PIPE, Serial Range: cleaner-turbocharger

1шт.

16

K64540

HOSE

3 x 2 inch, 76 x 51 mm

1шт.

17

214-1448

HOSE CLAMP,#48, 2.56" - 3.5", Type F Worm

CLAMP adj, 2-9/16 - 3-1/2 inch dia

2шт.

18

614-8016

BOLT,Hex, M8 x 1.25 x 16mm, Cl 8.8, Full Thd

hex, full threads, 8 - 1.25 x 16 mm

4шт.

19

892-11008

LOCK WASHER,8mm ID

WASHER, LOCK, M8

4шт.

20

K260902

COVER

cleaner, Coopers

1шт.

21

K260382

BOWL

dust, 7-5/16 inch

1шт.

22

K260905

SLEEVE

cleaner

1шт.

20

REF

INSTRUCTION

COVER cleaner, Burgess, order K302217, Includes: knob

1шт.

K305983

KNOB

M8

1шт.

21

K260909

BOWL

dust, Burgess, 8 inch

1шт.

22

NSS

NOT SOLD SEPARAT

SLEEVE order K302218

1шт.

23

K308877

SUPPORT

air cleaner, Replaces: K307492

1шт.

24

614-8016

BOLT,Hex, M8 x 1.25 x 16mm, Cl 8.8, Full Thd

hex, full threads, 8 - 1.25 x 16 mm

2шт.

25

892-11008

LOCK WASHER,8mm ID

WASHER, LOCK, M8

2шт.

26

825-1408

NUT,M8, Cl 8

2шт.

30

A166359

SCREEN

air intake, low profile special

1шт.

31

214-1448

HOSE CLAMP,#48, 2.56" - 3.5", Type F Worm

CLAMP adj, 2-9/16 - 3-1/2 inch dia, low profile special

1шт.

Выбрано товаров: 33