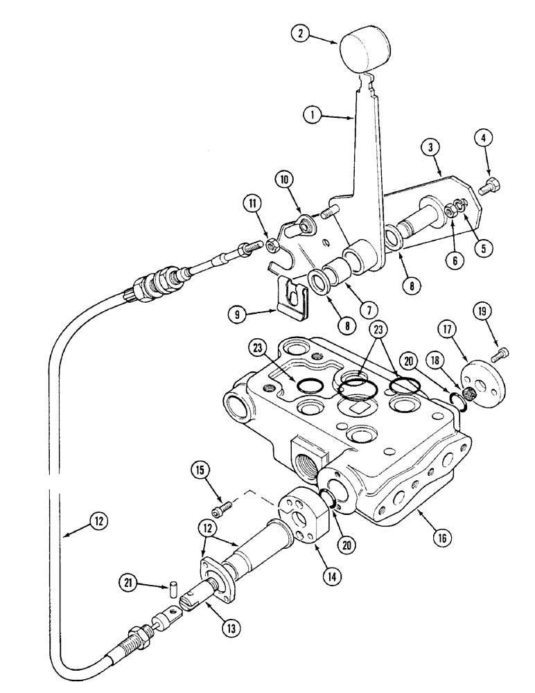
Запчасти Case IH 1494 (8-304) - COMBINING VALVE, TRACTORS WITH CAB (08) - HYDRAULICS

Схема запчастей Case IH 1494 - (8-304) - COMBINING VALVE, TRACTORS WITH CAB (08) - HYDRAULICS
17
13
4
18
1
7
11
19
15
8
23
5
3
21
9
10
20
2
12
16
12
8
14
6
23
20
FIT
1:1
100%

Артикул

Название

Примечание

Количество

1

K306693

LEVER

hand

1шт.

2

K306268

KNOB

control lever

1шт.

3

K306101

BRACKET

support, hand lever

1шт.

4

614-6012

BOLT,Hex, M6 x 1 x 12mm, Cl 8.8, Full Thd

2шт.

5

892-11006

LOCK WASHER,M6

WASHER, LOCK, M6

2шт.

6

825-13412

NUT,M12 x 1.25, Cl 8

cable, M12

2шт.

7

K655430

BUSHING

lever

2шт.

8

K655810

BUSHING

SPACER shaft

2шт.

9

K659108

CLIP

retaining

1шт.

10

K628327

BALL

JOINT cable, 1/4 inch UNC

1шт.

11

425-114

NUT,1/4"-28, G5

1шт.

12

K306296

CABLE

ASSEMBLY control

1шт.

13

K203441

SPOOL

EXTENSION spool

1шт.

14

K206703

CAP

end

1шт.

15

K616488

SCREW

1/4 UNF x 7/8 inch

2шт.

16

K206704

VALVE

ASSEMBLY combining, Includes: Ref. 17 - 20

1шт.

17

K202852

CAP

ASSEMBLY end

1шт.

18

K915393

FOAM

PAD breather

1шт.

19

K616485

SCREW

No. 10 UNF x 1/2 inch

2шт.

20

K625405

O-RING,0.549" ID x 0.103" Width

9/16 inch, 14 mm, ID

2шт.

21

K207303

PIN

cable

1шт.

23

REF

INSTRUCTION

O-RING SEALS, See Figure 8-294

1шт.

Выбрано товаров: 22