Запчасти Case IH 1494 (8-310) - CONTROL MECHANISM (08) - HYDRAULICS

Схема запчастей Case IH 1494 - (8-310) - CONTROL MECHANISM (08) - HYDRAULICS
23
28
26
20
9
29
2
6
7
30
37
4
3
21
27
18
31
32
34
33
22
24
11
10
8
36
14
13
1
12
16
15
17
35
25
19
5
FIT
1:1
100%

Артикул

Название

Примечание

Количество

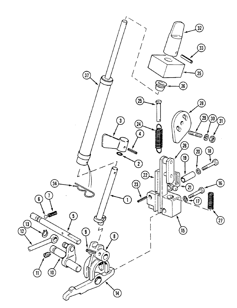
1

K919362

CONTROL LEVER

ROD selector

1шт.

2

K24554

O-RING

RING sealing, 1/2 inch, 13 mm, diameter

1шт.

3

K947405

KNOB

POINTER selector, without cab

1шт.

4

38-1812

LOCK PIN,1/8" x 3/4", Slotted

Pin, 1/8" x 3/4", Slotted

1шт.

5

K913160

SELECTOR

SHAFT selector

1шт.

6

211-1008

BALL,1/4" Dia

steel, chrome alloy, 1/4 inch, grade 24

1шт.

7

K24563

SPRING

return

1шт.

8

K942417

SELECTOR

FORK selector

1шт.

9

438-11214

LOCK PIN,4.76mm OD x 22.23mm L, Slotted

Pin, 3/16" x 7/8", Slotted

1шт.

10

K913119

ROCKER LEVER

SHAFT rocker

1шт.

11

K602750

SCREW

retaining, slotted, 1/4 inch UNC

1шт.

12

K909585

ROD

connecting

1шт.

13

K621562

RING, SNAP

RING snap, 3/8 inch, 10 mm, external

1шт.

14

K200678

ROCKER LEVER

LEVER rocker

1шт.

15

K916362

GUIDE

BRACKET guide

1шт.

16

K600206

BOLT

5/16 UNC x 1-5/8 inch

1шт.

17

K19481

SPRING WASHER

WASHER lock, 5/16 inch

1шт.

18

13-530

BOLT,Hex, 5/16" - 18 x 1-7/8", Gr 5

hex, 5/16 NC x 1-7/8 inch

1шт.

19

K627019

BUSHING

actuator

1шт.

20

K626682

WASHER

lever pin, 5/16 inch, 8 mm

1шт.

21

K915033

LEVER

actuating

1шт.

22

K912971

ROD

push, draft control

1шт.

23

138-38

LOCK PIN,3/32" x 9/16", Slotted

PIN roll, 3/32 x 5/8 inch

1шт.

24

K624922

SPRING

return

1шт.

25

K913776

SPRING

ANCHOR spring

1шт.

26

K921723

ROD

push, height control

1шт.

27

K625196

SPRING

pressure

1шт.

28

K916587

CAM

push rod

1шт.

29

K608001

STUD

1/4 UNC x 1-1/16 inch

2шт.

30

K626662

WASHER

1/4 inch

2шт.

31

231-1444

NUT,1/4"-20, GB

NUT, LOCK, 1/4"-20, GB

2шт.

32

K306344

KNOB

selector, with cab

1шт.

33

138-1816

LOCK PIN,1/8" x 1", Slotted, Stainless

Pin, 1/8" x 1, Slotted, Stainless, with cab

1шт.

34

K624874

SPRING

CLIP spring, 3/4 inch

1шт.

35

K306578

SEAL

console, with cab

1шт.

36

K659210

BUSHING

plastic, with cab

1шт.

37

K306832

DRIVE

flexible, with cab

1шт.

Выбрано товаров: 37