Запчасти Case IH 1494 (8-324) - THREE-WAY VALVE ASSEMBLY, NOT NORTH AMERICA (08) - HYDRAULICS

Схема запчастей Case IH 1494 - (8-324) - THREE-WAY VALVE ASSEMBLY, NOT NORTH AMERICA (08) - HYDRAULICS
17
16
4
5
19
21
6
9
10
14
20
8
7
7
15
6
8
14
19
11
18
3
4
1
13
13
2
12
FIT
1:1
100%

Артикул

Название

Примечание

Количество

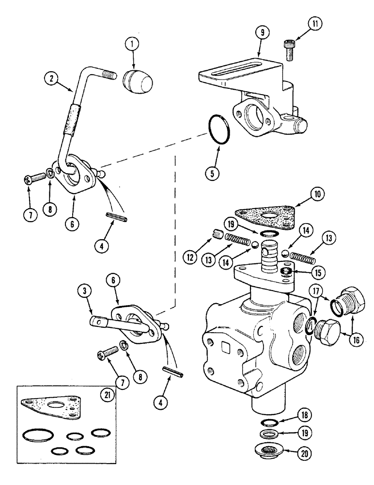
1

K950493

KNOB

selector lever, without cab

1шт.

2

K207159

LEVER

hand, without cab

1шт.

3

K205934

LEVER

with cab

1шт.

4

K962995

LEVER

PIN, Serial Range: lever-cover

1шт.

5

238-5214

O-RING,0.139" Thk x 0.984" ID, -214, Cl 5, 75 Duro

1шт.

6

K919613

SHIM

PLATE lever retaining

1шт.

7

K614924

SCREW

No. 10 UNF x 1/2 inch

2шт.

8

K19488

SPRING WASHER

lock, 3/16 inch, order 492-11010

2шт.

9

K919611

COVER

1шт.

10

K944527

GASKET,0.15mm Thk

1шт.

11

461-32510

HEX SOC SCREW,1/4"-20 x 5/8"

BOLT hex socket head, 1/4 NC x 5/8 inch

3шт.

12

K606020

SCREW

5/16 UNC x 1/4 inch

1шт.

13

K625208

SPRING

detent

2шт.

14

211-1008

BALL,1/4" Dia

steel, chrome alloy, 1/4 inch, grade 24

2шт.

15

K915393

FOAM

PAD breather

1шт.

16

K920826

O-RING

PLUG, 3/4 inch UNF

2шт.

K262225

VALVE

three way, with cab, Replaces: K205936, Includes: Ref. 17 - 20

1шт.

K262225

VALVE

three way, without cab, Replaces: K207157, Includes: Ref. 17 - 20

1шт.

17

237-6008

O-RING,0.087" Thk x 0.644" ID, -908, Cl 6, 90 Duro

8-1, 90 Duro, .644" ID x .087" Thk

2шт.

18

K625408

O-RING

7/16 inch, 11 mm, ID

2шт.

19

K628059

RING,Split, 11.11mm ID x 15.88mm OD x 1.47mm Thk

back up, 5/8 inch, 16 mm, ID

1шт.

20

K919826

BREATHER

1шт.

21

K965998

SEAL

KIT seals

1шт.

Выбрано товаров: 23