Запчасти Case IH 1494 (9-356) - LOWER LINKS AND HITCH BRACKETS (09) - CHASSIS/ATTACHMENTS

Схема запчастей Case IH 1494 - (9-356) - LOWER LINKS AND HITCH BRACKETS (09) - CHASSIS/ATTACHMENTS
12
3
9
16
29
6
30
32
28
17
5
2
13
19
24
26
14
19
27
23
10
7
11
21
4
18
15
8
22
25
17
20
31
1
15
FIT
1:1
100%

Артикул

Название

Примечание

Количество

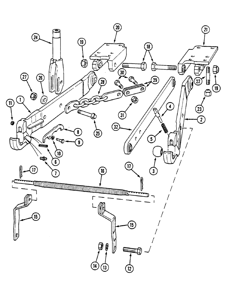
1

K203407

LINK

LOWER LINK, left hand, Jeffes hook, Includes: Ref. 3 - 11

1шт.

2

K203408

LINK

LOWER LINK, right hand, Jeffes hook, Includes: Ref. 3 - 11

1шт.

3

K65663

BALL

cross shaft

1шт.

4

K201723

PIN

retaining

1шт.

5

K201724

SPRING

retaining pin

1шт.

6

38-31624

ROLL PIN,1/4" x 1 1/2", Coiled

PIN, ROLL, 1/4" x 1 1/2", Coiled

1шт.

7

K201726

FITTING

grease, 1/4 inch BSF

1шт.

8

K201727

LEVER

release, left hand link

1шт.

8

K201728

LEVER

release, right hand link

1шт.

9

K201729

BOLT

5/16 inch, Whitworth

1шт.

10

K201730

SPRING

WASHER lock, 7/16 inch

1шт.

11

K201731

NUT

self locking, 5/16 inch, Whitworth

1шт.

12

K601465

BOLT

3/4 UNC x 2-1/4 inch, order 413-1236

2шт.

13

492-11075

LOCK WASHER,3/4"

3/4"

2шт.

14

425-1012

NUT,3/4"-10, G5

hex, 3/4 inch NC

2шт.

15

K203411

BRACKET

2шт.

16

K201796

COUPLING

COUPLER adjustable

1шт.

17

K201794

SPRING

CLIP spring

2шт.

18

K612065

BOLT

1-1/8 UNF x 5 inch

2шт.

19

K617595

LOCK NUT

self locking, 1-1/8 inch UNF

2шт.

20

K203394

BRACKET

hitch, left hand

1шт.

21

K203397

BRACKET

hitch, right hand

1шт.

22

K608703

STUD

3/4 UNC/UNF x 4 inch

8шт.

23

K617168

WHEEL NUT

wheel, 3/4 inch UNF

8шт.

24

K203400

FORK

NUT adjusting, slotted nut, Jeffes hook

2шт.

25

K201523

BOLT

BOLT, 7/8 inch UNC

2шт.

26

K948365

COLLAR

2шт.

27

K607464

NUT

self locking, 3/4 inch UNC

2шт.

28

K946107

CHAIN (AG)

CHAIN check, Includes: Ref. 29

2шт.

29

K924022

PLATE

adjusting

2шт.

30

K600804

BOLT

1/2 UNC x 1-3/4 inch, order 413-828

4шт.

31

K607462

NUT

self locking, 1/2 inch UNC

4шт.

32

K202765

LINK

LOWER LINK, left and right hand, standard

2шт.

33

K311334

COLLAR

SPACER short, no check chains, with cab

2шт.

Выбрано товаров: 34