Запчасти Case IH 1494 (9-358) - LINKAGE STABILIZERS AND SWAY BLOCKS, PRIOR TO P.I.N. 11519846 (09) - CHASSIS/ATTACHMENTS

Схема запчастей Case IH 1494 - (9-358) - LINKAGE STABILIZERS AND SWAY BLOCKS, PRIOR TO P.I.N. 11519846 (09) - CHASSIS/ATTACHMENTS
2
10
21
7
25
12
9
13
8
15
14
23
17
22
3
4
5
19
24
10
16
18
1
6
20
11
FIT
1:1
100%

Артикул

Название

Примечание

Количество

UK4621

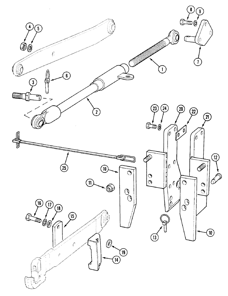
LINKAGE

STABILIZER ATTACHMENT, Includes: Ref. 1 - 9

1шт.

REF

INSTRUCTION

BAR ASSEMBLY stabilizer, Includes: Ref. 1 & 2

2шт.

1

K914993

END

HOUSING ball, front

1шт.

2

K954647

TIE-ROD,8.125" L

HOUSING ball

1шт.

3

K203465

PIN

lower link

2шт.

4

425-1012

NUT,3/4"-10, G5

hex, 3/4 inch NC

2шт.

4

492-11075

LOCK WASHER,3/4"

3/4"

2шт.

6

1328218C1

LINCH PIN,11mm OD

- quick attachable, Replaces K920359

4шт.

7

K922664

PLATE

BRACKET reduction housing

2шт.

8

413-1024

BOLT,Hex, 5/8" - 11 x 1-1/2", Gr 5

6шт.

9

492-11062

BEARING WASHER,5/8"

WASHER, LOCK, 5/8"

6шт.

UK5629

KIT

SWAY BLOCK UNIT, order components, Includes: Ref. 10 - 19

1шт.

10

K306577

BLOCK

sway

2шт.

11

K652111

NUT

M20, self locking

2шт.

12

K305565

PIN

hitch plate

2шт.

13

K210316

LINCH PIN

PIN ASSEMBLY linch, Replaces: K66408

2шт.

14

K305649

LINK

PAD, lower link

2шт.

15

K305650

STRAP

link pad

2шт.

16

814-12050

BOLT,Hex, M12 x 1.75 x 50mm, Cl 8.8

4шт.

17

892-11012

LOCK WASHER,M12

WASHER, LOCK, M12

4шт.

18

895-11012

WASHER,13.5mm ID x 24mm OD x 2.5mm Thk

- flat, 13.5 x 24 x 2.5 mm

4шт.

19

K948365

COLLAR

2шт.

20

K306899

BRACKET

PLATE hitch, left hand, reversible shaft PTO used with check chains

1шт.

20

K306926

BRACKET

PLATE hitch, left hand, multi-speed PTO used with sway blocks

1шт.

21

K306917

BRACKET

PLATE hitch, reversible shaft PTO used with sway blocks

1шт.

21

K306941

BRACKET

PLATE hitch, right hand, multi-speed PTO used with sway blocks

1шт.

22

K917071

SHIM

1/16 inch, 2 mm

1шт.

22

K917072

SHIM

1/32 inch, 1 mm

1шт.

23

K603308

BOLT (SPREADER)

BOLT, 5/8 UNC x 1-3/4 inch

8шт.

24

492-11062

BEARING WASHER,5/8"

WASHER, LOCK, 5/8"

8шт.

UK4689

LOWER LINK RESTRAINT ASSEMBLY, standard lower links, Includes: Ref. 25

1шт.

25

K311716

RETAINER

RESTRAINT, lower links, use without check chains

1шт.

Выбрано товаров: 32