Запчасти Case IH 1494 (9-360) - LINKAGE STABILIZERS AND SWAY BLOCKS, P.I.N. 11519846 AND AFTER (09) - CHASSIS/ATTACHMENTS

Схема запчастей Case IH 1494 - (9-360) - LINKAGE STABILIZERS AND SWAY BLOCKS, P.I.N. 11519846 AND AFTER (09) - CHASSIS/ATTACHMENTS
7
24
20
19
10
16
10
23
15
4
1
12
17
25
13
2
6
11
18
9
8
14
21
3
5
22
FIT
1:1
100%

Артикул

Название

Примечание

Количество

UK4621

LINKAGE

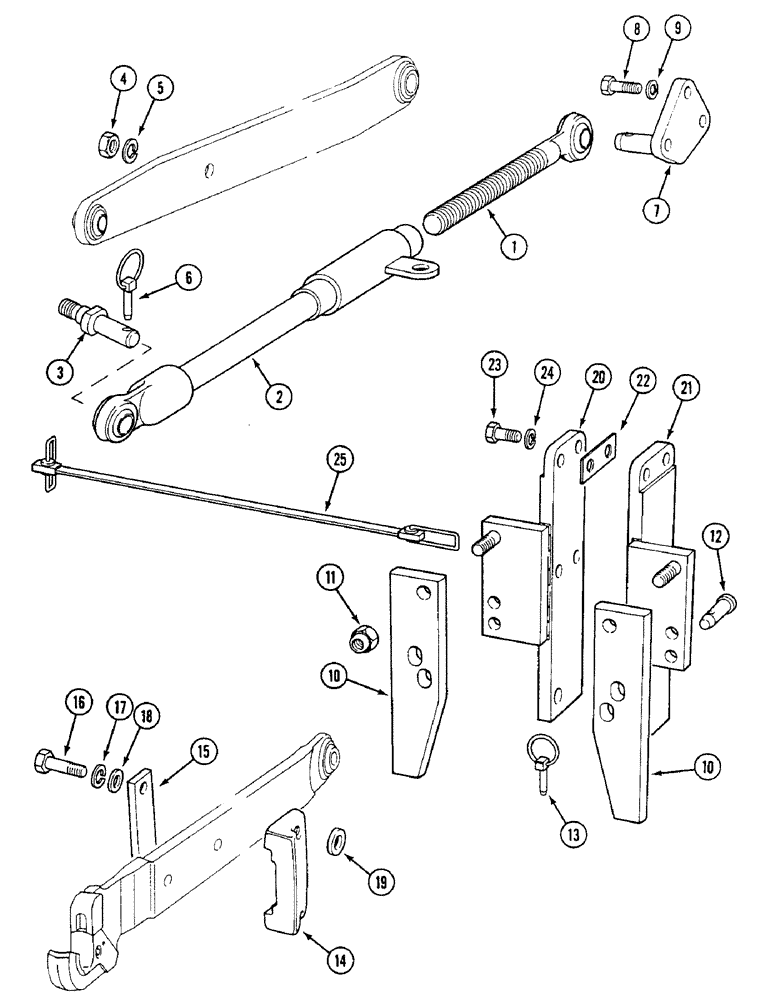
STABILIZER ATTACHMENT, order components, Includes: Ref. 1 - 9

1шт.

REF

INSTRUCTION

BAR ASSEMBLY stabilizer, order components, Includes: Ref. 1 & 2

2шт.

1

K914993

END

HOUSING ball, front

1шт.

2

K954647

TIE-ROD,8.125" L

HOUSING ball

1шт.

3

K203465

PIN

lower link

2шт.

4

425-1012

NUT,3/4"-10, G5

hex, 3/4 inch NC

2шт.

5

492-11075

LOCK WASHER,3/4"

3/4"

2шт.

6

A33509

PIN,11.18mm OD

lock

4шт.

7

K922664

PLATE

BRACKET reduction housing

2шт.

8

413-1024

BOLT,Hex, 5/8" - 11 x 1-1/2", Gr 5

6шт.

9

492-11062

BEARING WASHER,5/8"

WASHER, LOCK, 5/8"

6шт.

UK5629

KIT

SWAY BLOCK UNIT, order components, Includes: Ref. 10 - 19

1шт.

10

K306577

BLOCK

sway

2шт.

11

K652111

NUT

self locking, M20

2шт.

12

K305565

PIN

hitch plate

2шт.

13

K210316

LINCH PIN

PIN ASSEMBLY linch

2шт.

14

K305649

LINK

PAD, lower link

2шт.

15

K305650

STRAP

link pad

2шт.

16

814-12050

BOLT,Hex, M12 x 1.75 x 50mm, Cl 8.8

4шт.

17

892-11012

LOCK WASHER,M12

WASHER, LOCK, M12

4шт.

18

895-11012

WASHER,13.5mm ID x 24mm OD x 2.5mm Thk

- flat, 13.5 x 24 x 2.5 mm

4шт.

19

K948365

COLLAR

2шт.

20

K311566

PLATE

hitch, left hand, reversible shaft PTO used with check chains

1шт.

20

K311541

PLATE

hitch, left hand, multi speed PTO used with sway blocks

1шт.

21

K311567

PLATE

hitch, right hand, reversible shaft PTO used with check chains

1шт.

21

K311538

PLATE

hitch, right hand, multi speed PTO used with sway blocks

1шт.

22

K917071

SHIM

1/16 inch, 2 mm

1шт.

22

K917072

SHIM

1/32 inch, 1 mm

1шт.

23

K603308

BOLT (SPREADER)

BOLT, 5/8 UNC x 1-3/4 inch

8шт.

24

492-11062

BEARING WASHER,5/8"

WASHER, LOCK, 5/8"

8шт.

UK4689

LOWER LINK RESTRAINT ASSEMBLY, standard lower links

1шт.

25

K311716

RETAINER

RESTRAINT, lower links, use without check chains

1шт.

Выбрано товаров: 32