Запчасти Case IH 1494 (9-370) - SINGLE RATE SENSING UNIT (09) - CHASSIS/ATTACHMENTS

Схема запчастей Case IH 1494 - (9-370) - SINGLE RATE SENSING UNIT (09) - CHASSIS/ATTACHMENTS
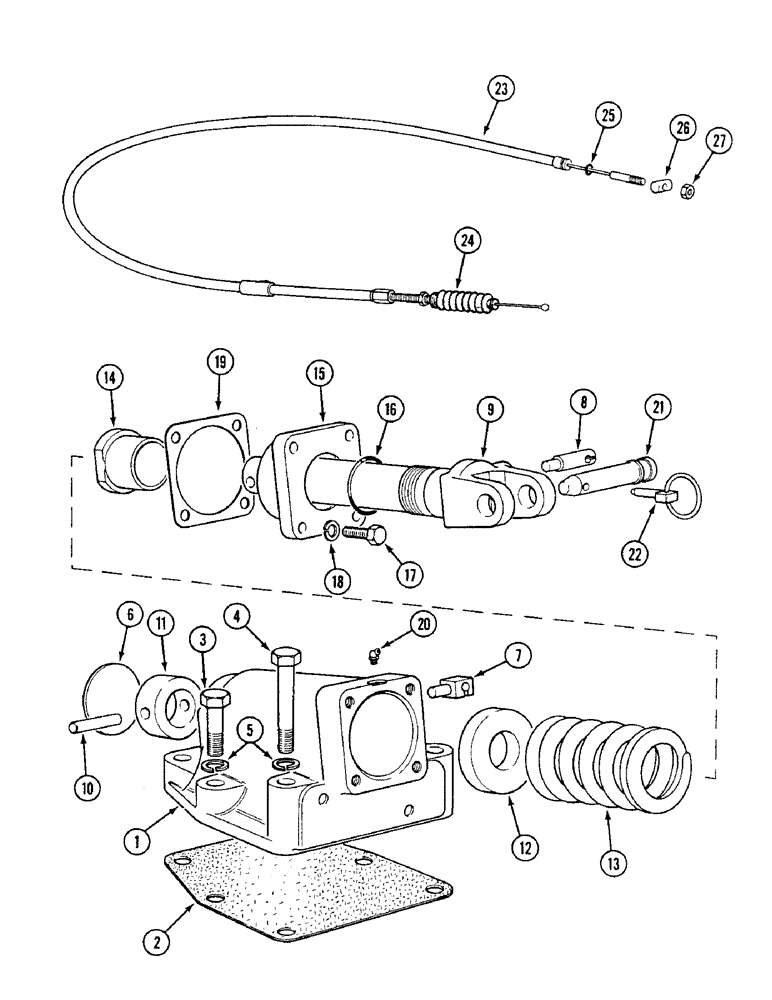
26
10
24
25
8
15
3
27
9
11
21
19
5
17
1
7
12
18
16
2
13
6
23
22
14
4
20
FIT
1:1
100%

Артикул

Название

Примечание

Количество

1

K202576

CASE

HOUSING sensing unit

1шт.

2

K926451

GASKET,0.56mm Thk

housing

1шт.

3

K600805

BOLT

1/2 UNC x 1-7/8 inch, order 413-830

4шт.

4

K600815

BOLT

1/2 UNC x 3-1/4 inch, order 413-852

2шт.

5

K19484

LOCK WASHER

WASHER lock, 1/2 inch, order 492-11050

6шт.

6

172599

PLUG,Exp, 2 3/8"

expansion, Welch, 60 mm OD

1шт.

7

K912371

CABLE

SUPPORT cable, outer

1шт.

8

K913852

LARGE PIN

SUPPORT cable, inner

1шт.

9

K919726

SHAFT

sensing

1шт.

10

37-1636

DOWEL,3/8" x 2 1/4"

PIN, 3/8 x 2-1/4 inch

1шт.

11

K915266

COLLAR

shaft

1шт.

12

K915116

WASHER

thrust, 0.405 inch, 10.29 mm

1шт.

12

K915115

WASHER

thrust, 0.395 inch, 10.03 mm

1шт.

12

K915114

WASHER

thrust, 0.385 inch, 9.78 mm

1шт.

12

K915101

WASHER

thrust, 0.375 inch, 9.53 mm

1шт.

12

K915113

WASHER

thrust, 0.365 inch, 9.27 mm

1шт.

12

K915112

WASHER

thrust, 0.355 inch, 9.02 mm

1шт.

13

K915103

SPRING

pressure

1шт.

14

K915259

SLEEVE

shaft

1шт.

15

K915261

FLANGE

PLATE end

1шт.

16

K623556

O-RING,0.139" Thk x 1.859" ID, -225, Cl 5, 75 Duro

sealing

1шт.

17

413-618

BOLT,Hex, 3/8" - 16 x 1-1/8", Gr 5

4шт.

18

492-11038

LOCK WASHER,3/8"

4шт.

19

K915098

SHIM,.030" Thk

(0.76 mm) .030" Thk

1шт.

19

K915097

SHIM,.010" Thk

(0.25 mm) .010" Thk

1шт.

19

K915096

SHIM,.005" Thk

(0.13 mm) .005" Thk

1шт.

20

K690973

FITTING

grease, 1/4 inch ANF x 45 degree

1шт.

21

K919725

PIN,19.05mm OD x 111.13mm L

link, sensing unit

1шт.

22

K210316

LINCH PIN

PIN ASSEMBLY linch, Replaces: K66408

1шт.

REF

INSTRUCTION

CABLE ASSEMBLY, inner, Includes: Ref. 23 & 24

1шт.

23

K928403

CABLE

1шт.

24

K906182

RUBBER

SEAL dirt

1шт.

25

K690702

O-RING,1.59mm Thk x 6.75mm ID, 80 Duro

1/4 inch, 6 mm, ID

1шт.

26

K915053

FITTING

PIN cable, 3/8 x 9/16 inch

1шт.

27

225-14210

NUT,#10-32

2шт.

Выбрано товаров: 35