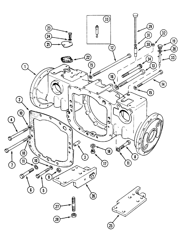
Запчасти Case IH 1494 (9-390) - REAR AXLE HOUSING (09) - CHASSIS/ATTACHMENTS

Схема запчастей Case IH 1494 - (9-390) - REAR AXLE HOUSING (09) - CHASSIS/ATTACHMENTS
1
18
17
33
2
27
28
7
15
31
33
15
14
6
13
11
34
23
20
29
16
25
10
8
12
32
26
30
3
5
4
10
11
19
10
21
9
24
22
FIT
1:1
100%

Артикул

Название

Примечание

Количество

1

K956648

HOUSING

rear axle

1шт.

2

K944571

GASKET,0.25mm Thk

axle housing

1шт.

See your authorized Case dealer to use Loctite gasket eliminator in place of K94457

1шт.

3

K622904

PIN

DOWEL, 5/8 x 1-9/16 inch

2шт.

4

K608834

BOLT

1/2 UNC x 3-1/2 inch

1шт.

5

K608824

BOLT

1/2 UNC x 2 inch

2шт.

6

K601205

BOLT

5/8 UNC x 2-1/8 inch

1шт.

7

326-868

BOLT,Hex, 1/2" - 13 x 4-1/4", Gr 8

hex, 1/2 NC x 4-1/4 inch, grade 8

3шт.

8

K601384

BOLT

5/8 UNC x 2-3/4 inch, special

2шт.

9

K607006

NUT

hex, 5/8 inch NC

2шт.

10

K19484

LOCK WASHER

WASHER lock, 1/2 inch

6шт.

11

492-11062

BEARING WASHER,5/8"

WASHER, LOCK, 5/8"

3шт.

12

K600894

BOLT

1/2 UNC x 8 inch

1шт.

13

K601218

BOLT

5/8 UNC x 4-1/2 inch

2шт.

14

K608838

BOLT

1/2 UNC x 4-1/2 inch

1шт.

15

K19484

LOCK WASHER

WASHER lock, 1/2 inch

2шт.

16

492-11062

BEARING WASHER,5/8"

WASHER, LOCK, 5/8"

3шт.

17

K623851

PLUG

3/4 inch BSP

1шт.

18

K627474

WASHER

sealing, 1-1/16 inch, 27 mm

1шт.

19

K619528

PLUG

oil return port, 7/8 inch UNF

1шт.

20

K30085

GASKET

WASHER sealing, 7/8 inch, 22 mm

1шт.

21

K929463

COVER

PLATE cover, axle housing without dump valve

1шт.

21

K929465

COVER

PLATE cover, axle housing with dump valve, without cab

1шт.

22

K929464

GASKET

cover plate

1шт.

23

K602803

BOLT

5/16 UNC x 3/4 inch

2шт.

24

K19481

SPRING WASHER

WASHER lock, 5/16 inch

2шт.

25

K203394

BRACKET

hitch, left hand

1шт.

26

K203397

BRACKET

hitch, right hand

1шт.

27

K608703

STUD

3/4 UNC/UNF x 4 inch

8шт.

28

K617168

WHEEL NUT

wheel, 3/4 inch UNF

8шт.

29

K203608

DIPSTICK

transmission oil, with cab

1шт.

30

K203546

DIPSTICK

SLEEVE dipstick, with cab

1шт.

31

238-5013

O-RING,0.07" Thk x 0.426" ID, -13, Cl 5, 75 Duro

-013, 70 Duro, .426" ID x .070" Thk

1шт.

32

K210364

PIN

PLUG gearbox cover, without cab, Replaces: K628102

1шт.

34

166-123

12 PT SCREW,Flg, 5/8" - 11 x 4 1/2", Gr 8

BOLT, 5/8 x 4-1/2 inch, special

1шт.

Выбрано товаров: 35