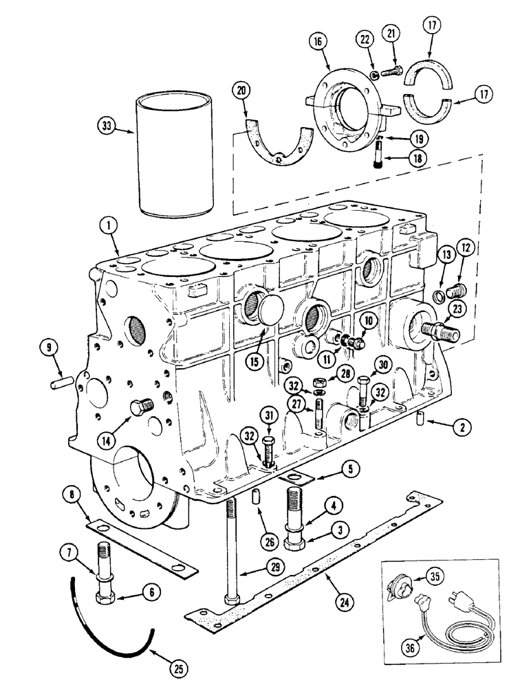
Запчасти Case IH 1494 (2-022) - CYLINDER BLOCK ASSEMBLIES (02) - ENGINE

Схема запчастей Case IH 1494 - (2-022) - CYLINDER BLOCK ASSEMBLIES (02) - ENGINE
31
19
11
5
15
20
3
29
18
26
36
17
32
27
23
21
30
17
25
32
13
22
9
10
4
33
35
32
8
12
28
1
16
7
24
2
6
14
FIT
1:1
100%

Артикул

Название

Примечание

Количество

1

K965715

SKELETON ENGINE

CYLINDER BLOCK, with crankshaft and pistons, Includes: Ref. 1 - 23, crankshaft, bolts, nuts, dowels, connecting rod assembly, and piston assembly

1шт.

1

K965169

BLOCK ASSY.

CYLINDER BLOCK, with bearing caps, Includes: Ref. 2 - 23

1шт.

2

K12258

PIN

DOWEL, 5/16 x 3/4 inch, bearing caps, front and rear

4шт.

2

K622908

PIN

DOWEL, 1/4 x 3/4 inch, bearing caps, center

2шт.

3

K940395

BOLT

3/4 UNC x 4-1/2 inch

2шт.

4

K940397

SHEET

WASHER flat, 3/4 inch, 19mm

2шт.

5

K940396

WASHER

tab, block bolt

1шт.

6

K928965

BOLT

5/8 UNC x 4-1/8 inch

4шт.

7

K929557

WASHER

WASHER flat, 5/8 inch

2шт.

8

K928996

WASHER

tab, block bolt

1шт.

9

K621807

PIN

DOWEL, 5/16 x 1/2 inch

1шт.

10

K19581

PLUG

drain, 1/4 inch BSP

1шт.

11

K19501

WASHER

WASHER sealing

1шт.

12

K609440

PLUG

5/8 inch UNC

1шт.

13

K619506

WASHER

copper, 5/8 inch, 16mm

1шт.

14

K609449

PLUG

5/8 inch UNC

1шт.

15

41-1628

PLUG,Cup, 1 3/4", Stainless

core, 1-3/4 inch diameter

5шт.

16

K964843

RETAINER

oil, rear bearing, Includes: Ref. 17 - 19

1шт.

17

K940135

OIL SEAL

PACKING halves

2шт.

18

61-524

HEX SOC SCREW,5/16"-18 x 1 1/2"

BOLT hex socket head, 5/16 NC x 1-1/2 inch

2шт.

19

K19481

SPRING WASHER

WASHER lock, 5/16 inch

2шт.

20

K950938

GASKET,0.18mm Thk

halves

2шт.

21

413-514

BOLT,Hex, 5/16" - 18 x 7/8", Gr 5

1шт.

22

K19481

SPRING WASHER

WASHER lock, 5/16 inch

1шт.

23

K200007

FITTING

CONNECTOR oil filter

1шт.

K928415

CRANKSHAFT

See Figure 2-026

1шт.

K903431

STEP BOLT

7/16 inch UNF, special, See Figure 2-026

4шт.

425-117

NUT,7/16"-20, G5

hex, 7/16 inch NF, See Figure 2-026

4шт.

K10629

PIN

DOWEL, 1/2 x 15/16 inch, See Figure 2-026

1шт.

K923027

PITMAN ASSY.

CONNECTING ROD ASSEMBLY, See Figure 2-026

4шт.

K944573

PISTON & RINGS KIT

PISTON ASSEMBLY, standard, See Figure 2-026

4шт.

24

REF

INSTRUCTION

GASKET, left hand , block to main frame, order B17555

1шт.

24

REF

INSTRUCTION

GASKET, right hand, block to main frame, order B17555

1шт.

25

K902046

SEAL

bearing caps

2шт.

26

K622903

PIN

DOWEL, 7/16 x 1-3/8 inch

2шт.

27

K608244

STUD

3/8 UNC x 2-1/4 inch

3шт.

27

K608201

STUD

3/8 UNC x 1-5/8 inch

2шт.

28

280136

NUT,3/8"-16, G8

5шт.

29

K600467

BOLT

special

4шт.

30

K600406

BOLT

special, 3/8 UNC x 1-3/4 inch

1шт.

31

K602906

SCREW

BOLT, 3/8 UNC x 1-1/4 inch , 3/8 UNC x 1-1/4 inch

6шт.

32

492-11038

LOCK WASHER,3/8"

16шт.

33

K964857

LINER, ENGINE CYLIND

CYLINDER LINER engine

1шт.

K260282

GASKET

GASKET SET cylinder block

1шт.

35

121568A1

RESISTOR

HEATER ASSEMBLY cylinder block, North America only

1шт.

36

A48264

CABLE

CORD heater, North America only, cylinder block

1шт.

Выбрано товаров: 46