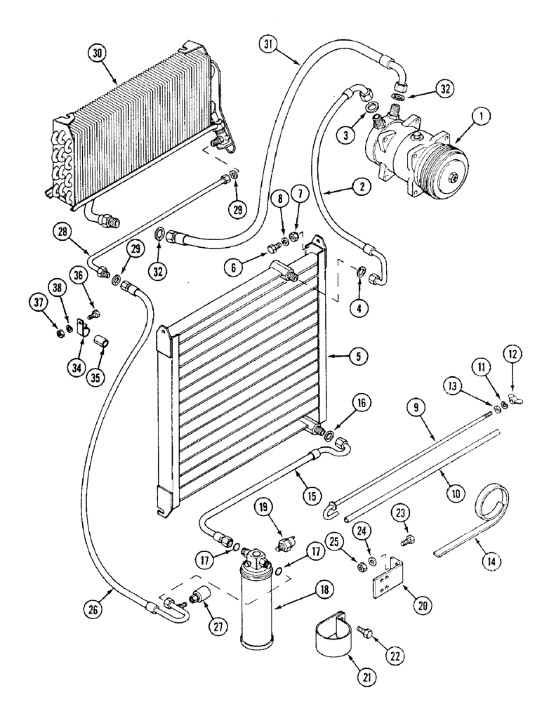
Запчасти Case IH 1494 (9-470) - AIR CONDITIONING SYSTEM, TRACTORS WITH CAB (09) - CHASSIS/ATTACHMENTS

Схема запчастей Case IH 1494 - (9-470) - AIR CONDITIONING SYSTEM, TRACTORS WITH CAB (09) - CHASSIS/ATTACHMENTS
17
31
30
16
32
35
15
17
4
3
29
32
22
38
9
12
19
6
23
7
1
5
20
10
29
24
26
11
8
34
2
13
14
25
18
36
37
27
21
28
FIT
1:1
100%

Артикул

Название

Примечание

Количество

1

K307237

COMPRESSOR

ASSEMBLY, Sanden SD-510-HD, See Figure 9-472

1шт.

60-2921T94R

REMAN-A/C COMPRESSOR

1494 CASE DIESEL TRACTOR (1/83-12/87), Reman for New P/N K307237

1шт.

60-2921T94C

CORE-A/C COMPRESSOR

Return Number

1шт.

2

K207870

HOSE

, Serial Range: compressor-condenser

1шт.

3

222-994

GASKET,1/2 Tube, Fl, Copper

WASHER copper, hose to compressor

1шт.

4

222-993

GASKET,3/8 Tube, Fl, Copper

Hose to condenser 3/8 Tube, Fl, Copper

1шт.

5

K307013

CONDENSER

1шт.

6

614-8014

BOLT,Hex, M8 x 1.25 x 14mm, Cl 8.8, Full Thd

- hex, full threads, 8 - 1.25 x 14 mm

2шт.

7

K652107

NUT

self locking, M8

2шт.

8

895-11008

WASHER,9mm ID x 16mm OD x 1.6mm Thk

flat, 9 x 17 x 1.6 mm

2шт.

9

K307542

ROD

M6 x 540 mm

1шт.

10

K307544

TUBE

SPACER rod

1шт.

11

892-11006

LOCK WASHER,M6

WASHER, LOCK, M6

1шт.

12

E44806

NUT

M6

1шт.

13

K651811

WASHER

6 mm

1шт.

14

K777030

FOAM

STRIP sealing, 8 x 15 mm, order L35799

1шт.

15

K207873

HOSE

, Serial Range: condenser-rider

1шт.

16

222-993

GASKET,3/8 Tube, Fl, Copper

Hose to condenser 3/8 Tube, Fl, Copper

1шт.

17

A61198

O-RING,0.07" Thk x 0.301" ID, -11

hoses to drier

2шт.

18

A76312

RECEIVER-DRYER

DRIER, Includes: Ref. 19

1шт.

19

A47717

SWITCH

low pressure

1шт.

20

K308498

BRACKET

drier, Replaces: K307474

1шт.

21

K308499

CLIP

drier, Replaces: K307475

1шт.

22

614-8025

BOLT,Hex, M8 x 1.25 x 25mm, Cl 8.8, Full Thd

hex, full threads, 8 - 1.25 x 25 mm

2шт.

23

614-8020

BOLT,Hex, M8 x 1.25 x 20mm

hex, full threads, 8 - 1.25 x 20 mm

2шт.

24

895-11008

WASHER,9mm ID x 16mm OD x 1.6mm Thk

flat, 9 x 17 x 1.6 mm

4шт.

25

825-1408

NUT,M8, Cl 8

4шт.

26

K207866

HOSE

, Serial Range: drier-tube

1шт.

27

A65779

SWITCH

high pressure

1шт.

28

K207864

PIPE,0.37" OD x 17.94, 3" L

TUBE, hose to evaporator

1шт.

29

222-993

GASKET,3/8 Tube, Fl, Copper

Hose to condenser 3/8 Tube, Fl, Copper

2шт.

30

K308478

RADIATOR

EVAPORATOR air conditioning, See Figure 9-474

1шт.

31

K207867

HOSE

, Serial Range: evaporator-compressor

1шт.

32

222-995

SEALING WASHER,15.88mm ID

WASHER copper, hose to evaporator and compressor

2шт.

34

K657017

CLIP

hose

1шт.

35

K946125

TUBE

SLEEVE nylon

1шт.

36

614-8014

BOLT,Hex, M8 x 1.25 x 14mm, Cl 8.8, Full Thd

- hex, full threads, 8 - 1.25 x 14 mm

1шт.

37

825-1408

NUT,M8, Cl 8

1шт.

38

892-11008

LOCK WASHER,8mm ID

WASHER, LOCK, M8

1шт.

Выбрано товаров: 39