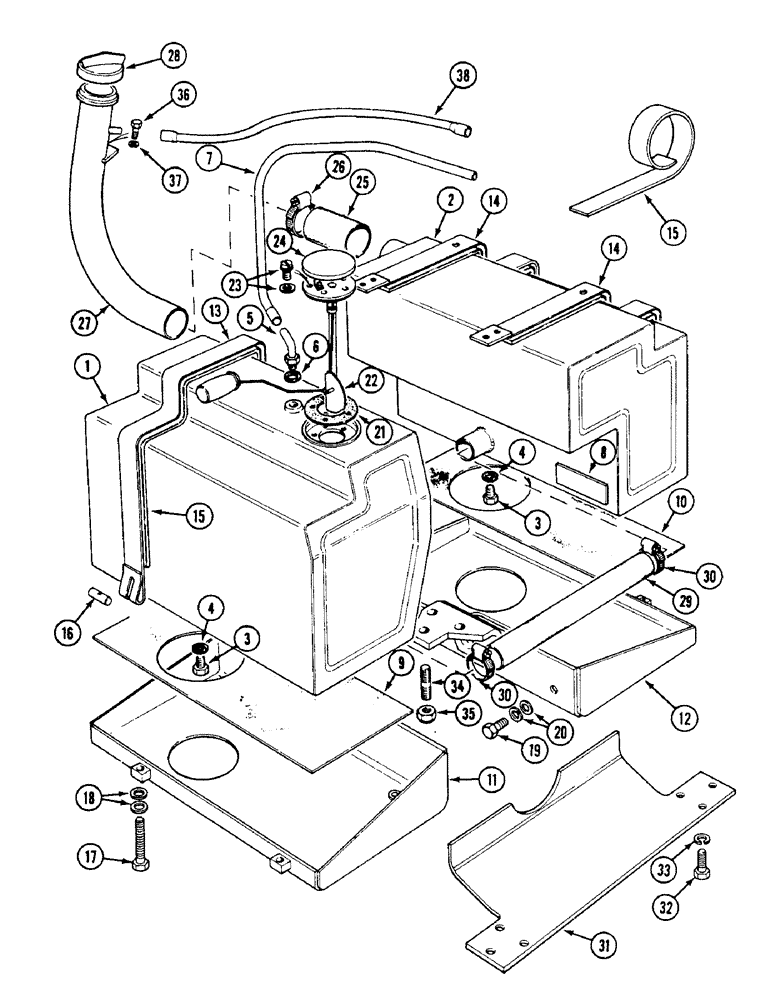
Запчасти Case IH 1494 (3-046) - FUEL TANKS, TRACTORS WITHOUT CAB (03) - FUEL SYSTEM

Схема запчастей Case IH 1494 - (3-046) - FUEL TANKS, TRACTORS WITHOUT CAB (03) - FUEL SYSTEM
25
10
19
4
30
23
3
13
12
15
26
4
31
28
24
15
14
36
37
30
14
18
8
5
17
9
7
32
20
1
16
21
11
2
27
33
3
29
6
22
35
38
34
FIT
1:1
100%

Артикул

Название

Примечание

Количество

1

K207881

TANK

FUEL TANK, left hand, Replaces: K207652

1шт.

2

K207882

TANK

FUEL TANK, right hand, Replaces: K207683

1шт.

3

K19591

PLUG

1/8 inch BSP

2шт.

4

K19504

WASHER,9.92mm ID x 14.29mm OD x 2mm Thk

sealing

2шт.

5

K204027

BREATHER

PLUG breather, left hand tank

1шт.

6

K19501

WASHER

WASHER sealing, left hand tank

1шт.

7

K307365

BREATHER

PIPE tank breather, order also Clamp K657015

1шт.

8

K957393

PACKING

PAD rubber, 5 x 1-3/8 x 1/8 inch

3шт.

9

K202713

MAT

PAD rubber, left tank

1шт.

10

K202714

MAT

PAD rubber, right tank

1шт.

11

K204565

BRACKET

support, left hand tank

1шт.

12

K204564

BRACKET

support, right hand tank

1шт.

13

K307266

TANK

STRAP, left hand tank

2шт.

14

K307271

STRAP

right hand tank

2шт.

14a

K308489

TANK

STRAP, right hand, front tank

2шт.

15

REF

INSTRUCTION

STRIP packing, 40 x 5 x 570 mm, cut from F42419 bulk

4шт.

16

K951539

TRUNNION

PIN tank strap, 1/4 inch UNC

4шт.

17

113-75

BOLT,Hex, 1/4" - 20 x 3", Gr 5, Full Thd

hex, full threads, 1/4 NC x 3 inch

4шт.

18

K626662

WASHER

1/4 inch, 6 mm

4шт.

19

614-8020

BOLT,Hex, M8 x 1.25 x 20mm

hex, full threads, 8 - 1.25 x 20 mm

4шт.

20

895-11008

WASHER,9mm ID x 16mm OD x 1.6mm Thk

flat, 9 x 17 x 1.6 mm

4шт.

21

K946159

GASKET

1шт.

22

K262724

TRANSMITTER

TANK UNIT fuel gauge

1шт.

23

K614965

SCREW

No. 10 UNF x 5/8 inch, No. 10 UNF x 5/8 inch

5шт.

24

K304807

COVER

PLUG plastic

1шт.

25

K202572

HOSE

2-1/4 x 5-1/2 inch, 57 x 140 mm

1шт.

26

214-1444

HOSE CLAMP,58.6mm - 82.5mm

CLAMP, HOSE, , Adj. #44, 2.31/3.25 Type F Worm

2шт.

27

K206819

HOSE

PIPE filler

1шт.

28

K304590

CAP

filler, Replaces: K901983

1шт.

29

K203515

FUEL HOSE

HOSE, 1-3/8 x 20-1/4 inch, 35 x 514 mm

1шт.

30

214-1428

HOSE CLAMP,#28, 1.31" - 2.25", Type F Worm

CLAMP, HOSE, , Adjustable #28, 1.31/2.25 Type F Worm

2шт.

31

K207885

GUARD

connecting hose, Replaces: K207657

1шт.

32

K603140

SCREW

BOLT, 1/2 UNC x 1-1/8 inch

2шт.

33

80679

LOCK WASHER,1/20.507 CST ZND

WASHER, LOCK, 1/2"

2шт.

34

K608610

STUD

5/8 UNC x 2-1/2 inch

6шт.

35

232-14110

LOCK NUT,5/8"-11, GC

NUT, LOCK, 5/8"-11, GC

6шт.

36

K602736

SCREW

BOLT, 1/4 UNC x 7/8 inch

1шт.

37

492-11025

LOCK WASHER,1/4"

WASHER, LOCK, 1/4"

1шт.

38

K206566

PIPE

breather

1шт.

Выбрано товаров: 0